所屬科目:專科學力鑑定◆專(一、二):電子學
3. 如圖(一)所示之電路,若D 為理想二極體,則在2 kΩ 上的電壓和電流分別為何? (A) 0V、0mA(B) 2V、2mA (C) 15V、3mA (D) 15V、5mA
4. 如圖 ( 二 ) 所示之電路, D1、 D2為理想二極體, Vi為 50 sin 377 tV,則輸出電壓最大值 與最小值之差為何? (A) 30V (B) 25V (C) 20V (D) 10V
6. 如圖(三)所示之電路,其中Vm為電壓最大值,若二極體視為理想時,則C2兩端之電壓 為何? (A) 3Vm (B) Vm (C) –Vm (D) – 2Vm
10. 如圖(四)所示之電路,Vi=40V,Ri=2kΩ,稽納二極體之額定功率為125mW,VZ=10V, 欲維持穩定10V之負載電壓,則負載電阻RL之最大值為何? (A) 4 kΩ (B) 3 kΩ (C) 2 kΩ (D) 1 kΩ
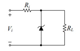
11. 如圖(五)所示之電路,稽納二極體之稽納電壓為9V,則輸出電壓Vo為何? (A) 12V (B) 9V (C) 6V (D) 1V
12. 如圖(六)所示之箝位電路,若其輸入信號為 10sintV 時,則其輸出波形為下列何者? (A) (B) (C) (D)
16. 如圖(七)所示之電路,電晶體之 β=40,使電晶體飽和之最小IB值約為何? (A) 2mA (B) 1mA (C) 0.8mA (D) 0.5mA
17. 如圖 ( 八)為一矽電晶體放大器,設此電晶體的增益 β= 100,RB=43 k Ω, RC=250 Ω, VCC=5V,則集極電流IC約為何? (A) 10mA (B) 12mA (C) 14mA (D) 18mA
24. 如圖 ( 九 ) 所示之電路,其參數值 gm = 2 mA / V, r d 為無窮大可忽略,若 RD = 10 k Ω, 則電壓增益為何? (A) – 10 (B) – 15 (C) – 20 (D) – 30
25. 共汲極放大電路,若gm =8mS,RS=1kΩ,則此放大器之電壓增益為何? (A) 9 (B) 8 (C) (D)
29. 如圖(十)所示之OPA電路,若VCC =15V,vi=0.6sin(1000t)V,Ri=60kΩ,Rf=300kΩ, 則vo=? (A) 3.0 sin ( 1000 t)V (B) 0.1 sin ( 1000 t)V (C) – 0.1 sin (1000 t)V (D) – 3.0 sin ( 1000t)V
31. 如圖(十一)所示之理想OPA電路,Ri =30 kΩ,若vi =0.5 sin ( 2000 t)V,欲得v o的有效值 為2.828V,則Rf約為何? (A) 180 kΩ (B) 210 kΩ (C) 240 kΩ (D) 300 kΩ
32. 如圖(十二)所示之OPA電路,飽和電壓為± 12V,若vi=5V,則vo電壓為何? (A) 12V (B) 10V (C) – 10V (D) – 12V
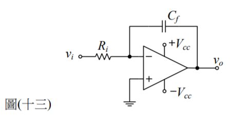
33. 如圖 ( 十三 ) 所示之理想 OPA 電路,若輸入信號 vi 為對稱方波,在不飽和情況下, 輸出信號 vo 之波形為何? (A) 脈衝(impulse )波 (B) 弦波 (C) 對稱方波 (D) 三角波
35. 如圖(十四)所示之邏輯閘電路,若X 之輸入固定為1,Y 之輸入時序信號為10110010(2 ), 則輸出信號Z 為何? (A) 10110010( 2 )(B) 00000000(2 ) (C) 11111111(2 ) (D) 01001101( 2 )
37. 一布林代數式Y =f(A,B)=(1,2,3 ) ,則Y =? (A).B (B) + (C). (D) +
39. 如圖(十五)所示之電路,則此電路完成何種功能之正反器? (A) T型正反器 (B) JK正反器 (C) RS正反器 (D) D型正反器
40. 如圖(十六)所示之電路,若vi為240 kHz之脈波訊號,則vo訊號之頻率為何? (A) 15 kHz (B) 24 kHz (C) 36 kHz (D) 48 kHz
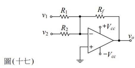
41. 如圖(十七)所示之理想OPA電路,若Rf =120kΩ,R1=20kΩ,R2=30kΩ,已知v2=1.2V, v o=– 2.4V,則v1=? (A) – 1.2V(B) – 0.4V (C) 0.4V (D) 1.2V
45. 如圖(十八)所示之振盪器電路,下列敘述何者正確? (A) v o 1之輸出為弦波 (B) vo 2之輸出為三角波 (C) 虛線方塊A 之電路為高通放大電路 (D) 虛線方塊B 之電路為史密特觸發電路