所屬科目:專科學力鑑定◆專(一、二):電子學
6. 如圖(一)所示電路,若其輸出電壓Vo為141V,則輸入正弦波電壓Vi 之有效值約為何?(A) 141V (B) 70V (C) 50V (D) 25V
7. 如圖(二)所示電路,其主要功能為何? (A) 箝位電路 (B) 穩壓電路 (C) 截波電路 (D) 振盪電路
12. 如圖(三)所示電路,欲使發光二極體(LED)工作在順向偏壓=3V,順向電流=25mA, 則電阻R約為何? (A) 120Ω (B) 280Ω (C) 400Ω (D) 466Ω
15. 若有一電晶體電路操作在工作區,當=1mA時,=100mA,則該電晶體的 α 值約為何? (A) 0.49 (B) 0.99 (C) 49 (D) 99
17. 如圖(四)所示電路,若電晶體的 β=80,=0.7V,則其電流值約為何?(A) 3.12μA (B) 31.2μA (C) 2.49mA (D) 24.9mA
18. 如圖(五)所示電路,若電晶體的 β=60,=0.7V,則其電流值約為何? (A) 21.9μA (B) 2.19μA (C) 13.1mA (D) 1.31mA
19. 如圖(六)所示電晶體共射極放大電路,旁路電容主要功能為何?(A) 增加電壓增益 (B) 增加輸入阻抗 (C) 降低輸出阻抗 (D) 使輸出信號與輸入信號同相位
27. 若某一空乏型MOSFET的=8mA,且=–6V,則此元件的通道為何種類型? (A) 同時具有P通道及N通道 (B) P通道 (C) N通道 (D) 並無通道存在
28. 如圖(七)所示電路,若此MOSFET臨界電壓=2V,導電參數K=0.5mA/V2,則電流為何?(A) 50mA (B) 20mA (C) 5mA (D) 2mA
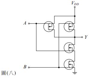
29. 如圖(八)所示MOSFET邏輯電路,其輸出Y為何? (A) Y =(B) Y =(C) Y= AB (D) Y = A+B
30. 如圖(九)所示共源極放大電路,若此MOSFET的=2mS,則電壓增益為何?(A) – 2.5 (B) – 3.5 (C) – 5 (D) – 7
35. 如圖(十)所示理想運算放大器應用電路,則輸出Vo為何?(A) -6V (B) -10V (C) 6V (D) 10V
36. 如圖(十一)所示理想運算放大器應用電路,則輸出Vo為何?(A) 12V (B) 6V (C) 3V (D) -9V
37. 如圖(十二)所示理想運算放大器電路,若輸入為正弦波,則輸出vo為何種波形?(A) 輸出為零 (B) 三角波 (C) 正弦波 (D) 方波
38. 二進位數字,以八進位數表示應為何? (A)(B)(C) (D)
40. 一布林函數式Y=f(A,B,C)=Σ(0, 2, 4, 6),則Y=? (A)C (B)(C)(D)
42. 如圖(十三)所示之電路,則此電路完成何種功能之正反器? (A) T型正反器 (B) RS正反器 (C) JK正反器 (D) D型正反器
43. 如圖(十四)所示之電路,則此電路的模數為何?(A) 3 (B) 5 (C) 6 (D) 9
46. 如圖(十五)所示之電路,輸出為正弦波,若要產生震盪,則R1與R2關係為何?(A) R1=5R2 (B) R2=5R1 (C) R2=29R1 (D) R1=29R2
48. 如圖(十六)所示之電路符號為下列何者?(A) BJT (B) SCR (C) DIAC (D) TRIAC