所屬科目:專科學力鑑定◆專(一、二):電子學
1. 如圖(一)所示截波電路,其Vo與Vi之轉移特性曲線,下列何者正確? (A) (B) (C) (D)
3. 如圖(二)所示,為下列何者電路? (A) 整流器 (B) 定位器 (C) 倍壓器 (D) 截波器
7. 如圖 ( 三 )所示截波電路,電路中若二極體之切入電壓為0.7V,輸入電壓為Vi=5 sinωt V時, 其輸出電壓Vo的範圍,下列何者正確? (A) – 5V ≤ Vo ≤ 0V (B) – 5V ≤ Vo ≤ 0.7V (C) – 0.7V ≤ Vo ≤ 5V (D) 0V ≤ Vo ≤ 5V
9. 如圖 ( 四 ) 所示,若 Vin = 10 V、 VBE = 0.7 V、 VCE ( SAT )= 0.2 V,β = 50,則此電晶體工作於哪一區? (A) 作用區 (B) 飽和區 (C) 反轉區(逆向主動區) (D) 截止區
16. 如圖(五)所示之電路,其Io為何?(設二極體在順向壓降為0.7V時導通) (A) 0mA (B) 1.25mA (C) 2.1mA (D) 2.5mA
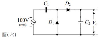
17. 如圖(六)所示之倍壓電路,其直流輸出電壓為何? (A) 100V (B) 155V (C) 200V (D) 282V
20. 如圖 ( 七 ) 所示電路,為一偏壓電路及其直流輸出負載線,若原工作點在 Q1 位置, 欲修正工作點至Q2位置,則應: (A) 減少RB (B) 增加RB (C) 減少RC (D) 增加RC
26. 如圖(八)所示電路,其輸出電壓Vo應為何?(A) 20V (B) – 20V (C) 40V (D) – 40V
29. 如圖(九)所示之OPA電路,OPA之飽和電壓為±12V,則此電路之磁滯電壓為何? (A) 8V (B) 6V (C) 4V (D) 3V
30. 如圖(十)所示之理想OPA電路,則下列敘述何者正確? (A) 此電路為微分放大器 (B) 此電路為低通放大器 (C) 此電路為積分放大器 (D) 此電路具正回授特性
33. 一布林代數式Y =f(A,B,C)=Σ ( 1,2,3,5,6,7 ),則Y=? (A) A+B (B) A'+(B'C) (C) AB+C' (D) B'+C'
36. RC 相移振盪器中,放大器之電壓增益Av條件為何? (A) Av ≥ 23 (B) Av ≥ 29 (C) Av ≥ 39 (D) Av ≥ 45
46. 利用OPA及RC相移電路組成振盪器,下列敘述何者錯誤? (A) RC相移電路形成負回授 (B) 迴路增益|βA|≥1 (C) 回授網路之相移為180度 (D) 無信號輸入即可產生交流信號輸出