所屬科目:專科學力鑑定◆專(一、二):電子學
2. 某一N通道空乏型MOSFET的為多少? (A) −2.5V (B) −1.5V (C) 1.5V (D) 2.5V
4. 圖(一)所示為電晶體偏壓電路的直流負載線,電晶體作為放大電路設計時,若要求輸出信號的失真最小,則工作點應設計在直流負載線上之何點? (A) A (B) B (C) C (D) D
6. MOSFET電路加入正常工作偏壓VDD,若VGS -ID特性如圖(二)所示,VT為臨界電壓 (threshold voltage ),則MOSFET的型式,下列敘述何者正確? (A) P通道空乏型 (B) N通道空乏型 (C) P通道增強型 (D) N通道增強型
8. 圖(三)所示之電路,已知MOSFET之互導= 2mS ,則其電壓增益為多少? (A) – 200 (B) – 100 (C) – 50 (D) – 40
15. 圖(四)所示之電路是哪一種濾波器的頻率響應曲線? (A) 低通濾波器 (B) 高通濾波器 (C) 帶通濾波器 (D) 帶阻濾波器
20. 圖(五)所示為一階主動低通濾波器,設 R =1kΩ ,C = 0.05μF, R1 = 5kΩ, R2 =100kΩ, 則其電壓增益及截止頻率分別為多少?
(A) 20,6.28 kHz (B) 21,6.28 kHz (C) 20,3.18 kHz (D) 21,3.18 kHz
21. 圖(六)所示之電路,若MOSFET之= 20mS ,則此電路之電壓增益約為多少? (A) 0.39 (B) 0.98 (C) 20 (D) 40
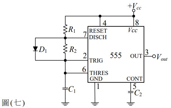
22. 圖(七)所示之電路,若R1=1.5R2 ,則之工作週期約為多少?
(A) 20% (B) 40% (C) 60% (D) 80%
23. 圖(八)為某運算放大器電路之輸入電壓Vin及輸出電壓波形,則該電路為下列何者? (A) 非反相微分器(B) 反相微分器 (C) 非反相積分器 (D) 反相積分器
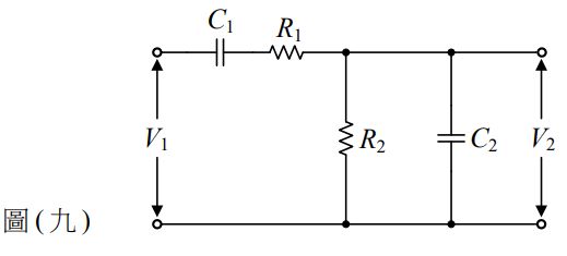
24. 如圖 ( 九 ) 所示之電路,輸入電壓 V1 為正弦波,若 R1= R2=R ,C1= C2=C ,當輸出 電壓 V2 與輸入電壓 V1 相位相同時, V2 等於下列何者?
(A) V1 (B) (C)(D)
26. 圖(十)所示電路,若每顆二極體之順向導通電壓為0.7V,則電流I 之值為何? (A) 0 mA (B) 1.4 mA (C) 2.5 mA (D) 5 mA
27. 圖(十一)所示之電路,輸出電壓為多少? (A) 4V (B) 8V (C) 12V (D) 16V
28. 圖(十二)所示之電路,若,則輸出波形為下列何者? (A) 正弦波 (B) 方波 (C) 三角波 (D) 鋸齒波
29. 圖 ( 十三 ) 所示之電路,若R1= R2=100kΩ,C1= C2= C,今欲使振盪頻率 f =10kHz, 則 C 值為多少? (A) 159 pF (B) 172 pF (C) 1.64μF (D) 0.53μF
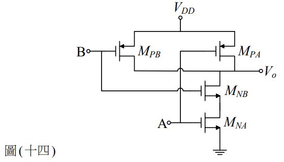
30. 圖(十四)所示之電路,A與B為輸入,Vo為輸出,則此電路可執行何種邏輯函數? (A) AND Gate (B) OR Gate (C) NAND Gate (D) NOR Gate
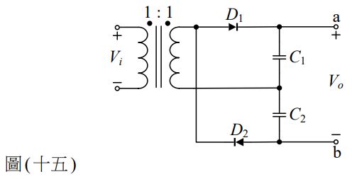
31. 圖(十五)所示之電路,假設電路元件皆為理想,輸入電壓有效值為Vi=10V,若電路工作在穩態,則輸出電壓Vo之值為何? (A) 28.28V (B) 20V (C) 14.14V (D) 10V
32. 圖(十六)單相全波整流濾波電路,若負載為1 kΩ,則下列敘述何者正確?(A) 移除電容C 對Vo的電壓波形並無影響 (B) 移除電容C 後,Vo的平均電壓會增加 (C) 移除電容C 後,Vo的漣波電壓會變大 (D) Vo輸出波形的頻率為60Hz
33. 圖(十七)所示之電路,若發光二極體發光時的順向電壓降為2V,順向電流最低要求為10mA, 最高不能超過20mA,則選用R之電阻值下列何者正確? (A) 300Ω (B) 500Ω (C) 1.5 kΩ (D) 3 kΩ
35. 圖(十八)所示之電路,若稽納二極體(Zener diode )的崩潰電壓為5V,則負載電壓與電流分別為何? (A) 3V、1.5mA 圖(十八) (B) 5V、2.5mA (C) 6V、3mA (D) 12V、6mA
36. 圖 (十九)所示之電路,電晶體之 β = 100, = 0.7 V,稽納二極體之稽納電壓為 4 V, 若 Vi = 2.7 V 時,則 Vo大小下列何者正確? (A) 2.2V (B) 3.4V (C) 4V (D) 9V
37. 電晶體操作於主動區( active region )時,若集極電流 =10mA,射極電流 =10.1mA, 則其電流增益 β 值為何? (A) 10 (B) 10.1 (C) 100 (D) 101
38. 圖(二十)所示之電路,MOSFET的臨界電壓=3V,導電參數K=2mA/V 2,則為多少? (A) 0V (B) 4V (C) 8V (D) 12V
40. 圖(二十一)所示之電路,若電晶體的 β=100,則電路的輸出電阻Ro約為多少? (A) 0.05 kΩ (B) 5 kΩ (C) 500 kΩ (D) 900 kΩ
42. 圖 (二十二)所示之電路,JFET之截止電壓= − 4 V, = 6mA,若JFET工作於飽和區,則直流電壓源 最小值約為何? (A) 4V (B) 6V (C) 8V (D) 10V
43. 圖(二十三)所示之電路,假設運算放大器為理想的運算放大器,則輸出電壓為多少? (A) 4V (B) 8V (C) 12V (D) − 4V
44. 圖(二十四)所示之電路,若Vs為+2V直流電壓,則Vo為多少? (A) 11V (B) 10V (C) 9V (D) – 2V
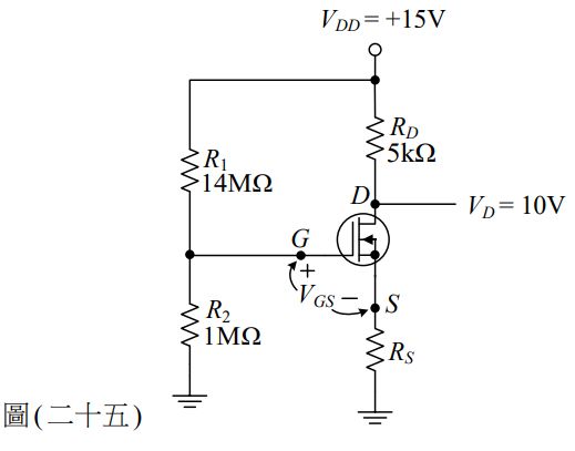
45. 如圖(二十五)所示之電路,若要令=−2V, =10V,則應為多少? (A) 1 kΩ (B) 2 kΩ (C) 3 kΩ (D) 6 kΩ
46. 圖(二十六)所示之電路, ,變壓器的匝數比為 N1:N2:N3=10:1:1,假設電路元件皆為理想,則之平均值約為何? (A) 0V (B) 4.95V (C) 9.9V (D) 11V
47. 圖(二十七)所示之功率放大電路分別代表各級放大器之電壓增益、輸入電 阻及輸出電阻,則總電壓增益為多少? (A) 90 (B) 108 (C) 128 (D) 200
48. 圖 ( 二十八 ) 所示之電路,假設電路元件皆為理想,其輸入電壓 Vi 與輸出電壓 Vo之轉換曲線,下列何者正確? (A) (B) (C) (D)
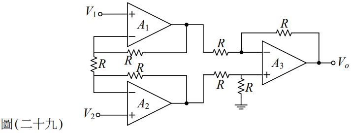
49. 圖(二十九)所示之電路, A1、A2、A3皆為理想之運算放大器,則輸出Vo為何? (A) 2 (V2 –V1 ) (B) 4 (V2 –V1 ) (C) (V2 –V1 ) (D) 3 (V2 –V1 )
50. 圖(三十)所示之電晶體直流偏壓電路,若 =0.7V,β=150, =15V, =300kΩ, =1kΩ, =0.51kΩ,則其直流工作點與之值各約為何? (A) =1.2mA、 =13.2V (B) =3.8mA、 =9.3V (C) =5.7mA、 =6.4V (D) =7.8mA、 =3.2V