所屬科目:專科學力鑑定◆專(一、二):電子學
2. 如圖(一)所示之半波整流電路,假設二極體為理想二極體,若以三用電表 DCV 檔測量 輸出電壓Vo,則其輸出電壓Vo為多少 V?(A)3.18(B)4.5(C)6.36(D)7.07
3. 如圖(二)所示之電路,假設二極體均為理想二極體,則其輸出直流電壓Vo為多少V? (A) 100 (B) 141 (C) 200 (D) 282
4. 如圖(三)所示之電路,假設二極體為理想二極體,則輸出波形Vo為下列何者? (A) (B) (C) (D)
5. 如圖(四) 所示之箝位電路,假設二極體為理想二極體,且 RC > 10 T,則其穩態最大 輸出電壓範圍為多少? (A) – 4V~+5V (B)+4V~+5V (C) – 2V~+5V (D) – 4V~+4V
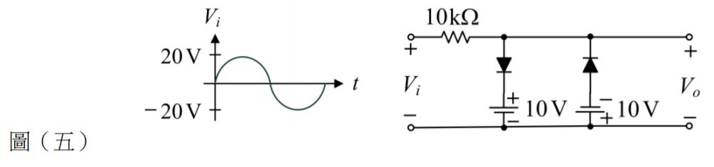
6. 如圖(五)所示之電路,若二極體為理想二極體,則其輸出與輸入電壓之轉換特性曲線 為下列何者? (A) (B) (C) (D)
10. 如圖(六)所示之電路,若Vi(t)=12sin377t V,稽納二極體之崩潰電壓VZ 1=6V,VZ 2=15V, 假設稽納二極體之順向電壓降為0V,則輸出波形Vo為下列何者? (A) (B) (C) (D)
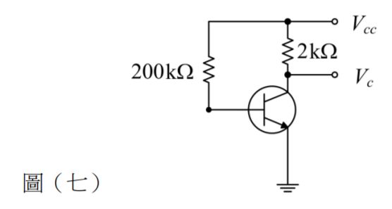
12. 如圖(七)所示之電路,若矽電晶體的 β=50,且VCC=12.7V則VC大約為多少V? (A) 6.7 (B) 7.2 (C) 8.4 (D) 10.2
14. 如圖(八)所示之電路,射極旁路電容器C3的作用是: (A) 濾去電源的漣波 (B) 阻止直流電通過射極電阻 (C) 防止短路 (D) 提高電壓增益
18. 如圖(九)所示之電路,若 β=100,VBE =0.7V,VCE =4V,RE =1kΩ,IC =2mA,則RC 之值為何? (A) 3 kΩ (B) 4 kΩ (C) 5 kΩ (D) 6 kΩ
22. 如圖(十)所示電路,若電路中的ID =4mA,則VGS為多少? (A) +4V) (B) – 4V (C) +6V (D) – 6V
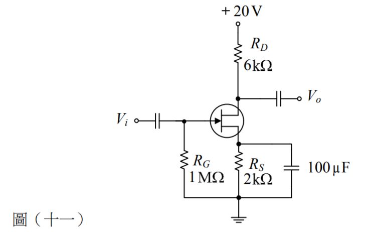
25. 如圖(十一)所示之電路,若gm =2mS,則其電壓增益約為多少? (A) – 2 (B) – 6 (C) – 8 (D) – 12
28. 如圖(十二) 所示之理想 OP 放大器電路,若 Ra = 10 kΩ, Ri = 30 kΩ, R f = 180 kΩ, 則此放大器之電壓增益Av為何? (A) 90 (B) 60 (C) – 60 (D) – 90
30. 如圖(十三)所示之理想運算放大電路,若VCC =15V,vin=0.5 sin ( 200 t)V,Ri =20kΩ, Rf =120kΩ,則vo之最大震幅為何? (A) 2.5V (B) 3V (C) 3.5V (D) 5.5V
31. 如圖(十四)所示之理想積分放大電路且電容無儲能,若VCC =15V,vin=5 sin ( 200t)V, Ri=10 kΩ,Cf =1µF,則輸出電壓vo為何? (A) – 5 cos( 200 t)V (B) – 2.5 cos( 200 t)V (C) 2.5 cos( 200 t)V (D) 5 cos( 200 t)V
34. 如圖(十五)所示之理想邏輯電路,則此電路之輸出Z 為何? (A) 1 (B) 1+X (C) (D) X
35. 如圖(十六)所示之邏輯閘內部電路,則此電路之輸出Y 為何? (A) A●B●C (B) A⊕B⊕C (C) A+B+C (D) A B C
36. 布林代數式 XYZ +Y + X ,與下列何者相等? (A) Y + X (B) XYZ (C) 1+YZ (D) X
37. 一布林代數式Y =f(A,B)= ( 0,1,2 ) ,則Y=? (A) A+B (B) (C) (D) A● B
40. 下列何者非振盪器操作之條件? (A) 須有負回授電路 (B) 須有正回授電路 (C) 電路回授增益|Aβ | ≥ 1 (D) 回授信號與輸入信號之相角應為同相
41. 如圖(十七)所示之波形產生電路,正常工作條件下vo 1輸出之電壓波形為何? (A) 方波(B) 弦波 (C) 三角波 (D) TTL脈波
48. 如圖(十八)所示之OP電路,應為何種電路? (A) 反相放大器電路 (B) 非反相放大器電路 (C) 電壓隨耦器 (D) 樞密特電路