所屬科目:技檢◆工業配線-乙級
1.保管個人防護具,下列敘述何者錯誤?(A)通風良好場所(B)保持乾淨(C)保持有效性能(D)隨意擺放,方便取用。
2.感應電動機運轉時之轉速,普通較其同步轉速為(A)快(B)相同(C)大1.5倍(D)慢。
3.依CNS標準,高壓配電盤控制電路之耐壓試驗,其試驗電壓為(A)2E+1000V(B)2000V(C)1000V(D)1500V。
4.下列何者非善良管理人之應有作為?(A)拒收廠商回扣(B)保守營業上應秘密事項(C)未依公司規定與廠商私下接洽(D)秉公處理職務。
5.高壓電纜被覆遮蔽銅帶或同心中性線之主要目的為(A)加強電纜扯斷強度(B)保護電纜不為外物所傷(C)增加耐受壓力(D)保護絕緣體外緣之零電位。
6.如下圖符號代表(A)單極雙投開關(B)單極單投開關(C)雙極單投開關(D)雙極雙投開關。
7.使用20/5A比流器及5A電流表,測定電熱器之負載電流,下列何者不適用?(A)單相220V,2KW(B)三相220V,2KW(C)三相110V,3KW(D)單相110V,3KW。
8.正反器元件符號中所標註的CLK端為(A)歸零訊號端(B)訊號輸出端(C)訊號輸入端(D)觸發訊號端。
9.如左圖所示之符號在儀表上表示(A)靜電型(B)可動線圈比率計型(C)感應型(D)可動線圈型。
10.下列何者為AND閘之真值表?(A)(B)(C)(D)。
11.配電電壓提高一倍時,則線路之功率損失為原來的(A)1/2倍(B)2倍(C)1/4倍(D)4倍。
12.一般高壓三相三線式非接地系統之過電流保護最少應使用多少個過電流電驛?(A)一個(B)三個(C)四個(D)二個。
13.廠商某甲承攬公共工程,工程進行期間,經常招待監工及驗收之公務員喝花酒或送高級名錶,下列敘述何者正確?(A)某甲與相關公務員均觸犯貪污治罪條例(B)只要工程沒有問題,某甲與相關公務員就沒有犯罪(C)公務員若沒有收錢,就沒有罪(D)因為不是送錢,所以都沒有犯罪。
14.口對口人工呼吸每分鐘施行速度約(A)5~8次(B)20~30次(C)30~35次(D)16~18次。
15.同步電動機之英文符號為(A)MG(B)SM(C)OPM(D)IM。
16.有關PLC工作方式,下列敘述何者正確?(A)PLC不是採用迴圈(LOOP)掃描的方式,即每一輸出狀態變化在一個掃瞄週期內,逐次完成(B)PLC是採用迴圈(LOOP)掃描的方式,即每一輸出狀態變化在一個掃描週期後,一次改變(C)PLC不是採用迴圈(LOOP)掃描的方式,每一輸出狀態變化在一個掃描週期後,一次改變(D)PLC是採用迴圈(LOOP)掃描的方式,即每一輸出狀態變化在一個掃瞄週期內,逐次完成。
17.額定220V,50Hz之交流電磁接觸器線圈,若連接於220V,60Hz之電源,則其激磁電流約較50Hz之電流值(A)減少20%(B)增加44%(C)增加20%(D)減少36%。
18.如下圖所示為(A)附保護套之變流互感器(B)零相電壓互感器(C)零相變流互感器(D)電壓電流兩用互感器。
19.功率因數表測得電動機空載時功因在0.3以下,滿載時約為功因0.8左右,功因之差異原因為(A)電動機空載時之電流大部份為激磁電流故功因低(B)電動機絕緣不良所致(C)線路未加電容器致空載時功因低(D)電動機已老化現象應予更新。
20.為測定開閉控制器具主接點之接觸電阻,無法用(A)壓降法測定(B)變比電橋來測定(C)三用電表來測定(D)惠斯敦電橋測定。
21.規劃書寫可程式控制器的軟體程式,目前主流上採用下列何種周邊設備?(A)LED程式書寫器(B)LCD程式書寫器(C)一般個人電腦(D)專用CRT程式書寫器。
22.交連PE電纜周溫適用範圍為攝氏(A)0℃~55℃(B)-10℃~55℃(C)0℃~25℃(D)-5℃~40℃。
23.下列何者不是一般PLC系統常見的通信介面?(A)RS485(B)RS232C(C)RS123(D)RS422。
24.高壓電纜具有內、外半導體其目的為(A)增加電纜張力(B)保護絕緣體及導線(C)加強絕緣性能(D)均化絕緣體內之電場分佈。
25.儀表面板上附有符號表示(A)可動線圈型(B)整流型(C)電流力計型(D)靜電型。
26.斷路器(CB)主要功能為啟斷(A)額定電流(B)過載電壓(C)短路電流(D)激磁電流。
27.因業務上往來之廠商係自己親友時,應如何處理?(A)依公司制度秉公處理不徇私(B)告知公司應保密之營運內情予該親友(C)可不經公司同意給予較優惠之價格(D)可安心收受該親友業務上之回扣。
28.瓦時計之代表符號為(A)(B)(C)(D)。
29.設施接地工程,若使用二個以上之接地電極時,其兩極之間最小距離不得低於(A)2m(B)1.8m(C)2.5m(D)1.5m。
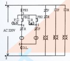
30.如下圖所示(b),(g)之接點作用在
(A)保持(B)停止(C)啟動(D)連鎖。
31.穿拉電纜應採用下列何者以減少摩擦?(A)肥皂水(B)拉夾(C)拉眼(D)潤滑劑。
32.依據JEM標準自動控制裝置中,數字代號為「27」,是表示(A)過電流電驛(B)欠相電驛(C)過電壓電驛(D)不足電壓電驛。
33.Y型接線線電壓為220V,則其相電壓為(A)380V(B)127V(C)190V(D)220V。
34.電動機轉差率之公式為(A)(B)(C)(D)。
35.三相四極之鼠籠型感應電動機,通常其啟動電流約為全載電流之(A)3~4倍(B)8~10倍(C)5~6倍(D)1.5~2倍。
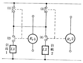
36.若使用150/5A貫通匝數1匝之比流器配合0~50/5A電流表時,比流器所需貫通之匝數為(A)2匝(B)4匝(C)1匝(D)3匝。
37.如下圖所示電器連鎖(Interlock)電路之一例,若Ry1,Ry2電驛錯誤而兩者同時動作,則
(A)負載2通電,負載1不通電(B)負載1通電,負載2不通電(C)負載1及負載2皆通電(D)負載1及負載2皆不通電。
38.以下對於「例假」之敘述,何者有誤?(A)每7日應休息1日(B)須給假,不必給工資(C)工資照給(D)出勤時,工資加倍及補休。