所屬科目:汽車專業知識
259 以下敘述何者有誤? (A) 免鑰匙操作的鑰匙脫離監控系統。 (B) 防止鑰匙鎖在車內系統。 (C) 引擎開關開啟提醒系統 (D) 防止車門半開系統
261 上圖何者為冷凝器、何者為蒸發器? (A) A為冷凝器、B為蒸發器。 (B) B為冷凝器、E為蒸發器。 (C) C為冷凝器、D為蒸發器。 (D) D為冷凝器、A為蒸發器。 (E) E為冷凝器、C為蒸發器。
262 請問引擎蓋周圍的高度與車身不搭配,可以以下何種方式調整?(A)(B)(C)
263 以下有關剎車踏板自由間隙檢查,何者有誤?(A) 引擎為運轉狀態。 (B) 踏板自由間隙低於規定範圍會發生煞車拖曳。 (C) 踏板自由間隙超過規定範圍,無法完全執行緊急煞車。 (D) 自由間隙超出規定,檢查踏板與U形鉤插銷之間的間隙,U形鉤插銷與煞車增壓器作動桿之間的間隙,煞車踏板的高度,以及煞車燈開關的安裝位置。
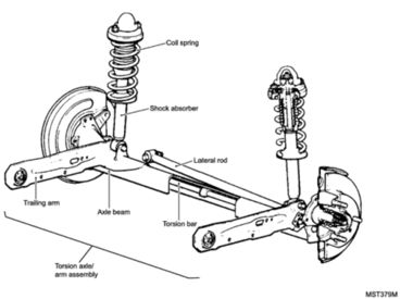
266 下圖何者敘述錯誤? (A) 麥花臣支柱式 (B)雙A臂式 (C) 拖曳臂式 (D) 圈狀彈簧式
267 下列敘述何者有誤?(A) A→引擎。 (B) B→離合器。 (C) C→變速箱。 (D) D→驅動軸。 (E) E→差速器。
268 下列有關自動變速箱油(ATF)檢查何者有誤? (A) 駕駛車輛直到ATF溫度達到正常的工作溫度(70 - 80°C)。 (B) 車輛停在平坦地面並拉起手煞車和用腳踩緊煞車。 (C) 排檔桿排入所有檔位(P、R、N、D、2、L)以讓ATF完全充入扭力轉換器和液壓迴路中。 (D) 將排檔桿排入“P”檔位置。 (E) 將油尺周圍擦拭乾淨,再拉出油尺來檢查ATF油位。
269 下列敘述何者有誤? (A) FF為前置引擎前輪驅動。 (B) FR為前置引擎後輪驅動。 (C) 左圖為RR (D) RR為後置引擎後輪驅動。 (E) MR為中置引擎後輪驅動。
271 下圖齒輪比為多少? (A) 2、(B) 3、(C) 4、(D) 5、(E) 6。
272 下列敘述何者有誤?((A) 如果高度小於規定的範圍,離合器踏板的行程不足會造成分離困難。 (B) 如果高度超出規定範圍,離合器踏板很容易踩下。 離合器踏板自由間係檢查 (C) 如果自由間隙小於規定的範圍,離合器踏板間隙不足而造成離合器異常打滑。 (D) 如果自由間隙超出該範圍,離合器無法正確的分離。
273 下列圖示為何種引擎? (A) 直列4缸。 (B) V型。 (C) 水平對置式。 (D) 水平安裝式。
275 下圖何者為壓縮行程(A)(B)(C)(D)
276 下列何者為長行程引擎?(A)(B)(C)
279 下列敘述何者錯誤?(A)(B)(C)(D)(E)
280 左圖為引擎性能曲線圖,請問何者為輸出扭力? (A) A (B) B (C) C
284 下列何者有誤? (A) 游標卡尺 (B) 分釐卡 (C) 胎壓錶 (D) 汽缸量規
285 下列何者有誤? (A) 扭力板手 (B) 胎紋深度檢測器 (C) 千分錶 (D) 厚薄規
288 以下敘述何者有誤? (A) 左圖為碟式剎車。 (B) 碟式煞車的缺點是由於摩擦零件靠近煞車鼓而散熱不易。 (C) 碟式煞車的碟片直接暴露於空氣中,可以從碟盤良好的散熱。 (D) 碟式煞車因旋轉的碟片離心力作用將水甩開,所以可以抵抗水或泥漿。
290 參考SR車主使用手冊,下列說明何者錯誤? (A) 剎車油液面過低。 (B) 剎車系統發生故障 (C) 在手剎車拉起的情況下行駛 (D) 引擎機油循環系統故障
291 參考SR車主使用手冊,圖示為何種系統OFF開關? (A) ASC、(B) ABS、(C) TCL、(D) FCM。