所屬科目:技檢◆工業配線-乙級
7. 如下圖所示,兩個按鈕開關 PB1、PB2 控制指示燈SL亮熄,「押下」表示按鈕開關押下,「放 開」表示按鈕開關放開,則(A)PB1 放開、PB2 押下時,SL 熄(B)PB1 押下、PB2 押下時,SL 亮(C) PB1 放開、PB2 放開時,SL 熄(D)PB1 押下、PB2 放開時,SL 亮。
21. 如左圖所示,下列何者為 Y 的輸出?(A)0(B)1(C)A(D) 。
26. 如下圖所示之電橋,其保持平衡(即 G 無電流流通)之條件為(A)R1 R2 =R3 R4(B)R1 /R2 =R4 /R3(C)R1 + R3 =R2 +R4(D)R1 R4 =R2 R3。
28. 如下圖所示之符號表示(A)比流器(B)零相比流器(C)接地變壓器(D)比壓器。
29. 如左圖所示,相當於下列何種閘?(A)OR(B)NAND(C)NOR(D)AND。
42. 如左圖所示之符號,是表示(A)串聯保險絲之開關(B)表示串聯積熱電驛之開關(C)電 磁接觸器(D)串聯電磁性跳脫之開關。
43. 如下圖所示,兩個按鈕開關 PB1、PB2 控制指示燈 SL,「押下」表示按鈕開關押下,「放開」 表示按鈕開關放開,則(A)PB1 押下、PB2 放開時,SL 熄(B)PB1 放開、PB2 放開時,SL 熄(C)PB1 放開、PB2 押下時,SL 亮(D)PB1 押下、PB2 押下時,SL 亮。
44. 開關符號「 」,其動作狀態為(A)OFF-ON-OFF(B)ON-OFF-ON(C)ON-OFF-OFF(D)ON- ON-OFF。
55. 如下圖所示,氣壓回路所使用之閥為(A)程式閥(B)釋壓閥(C)流量控制閥(D)調壓閥。
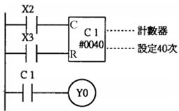
58. 如下圖所示,當輸入端 X2ON40 秒,則輸出 Y0(A)OFF(B)不定(C)ON(D)閃爍。
62. 下列符號哪些為正確?(A)功率因數計 (B)功率因數計 (C)差動電驛 (D)差動電驛 。
71. 下列符號哪些為正確? (A)光電容器 (B)光電晶體 (C)單接合電晶體(UJT) (D)單接合電晶體(UJT) 。
72. 氣壓迴路中,下列哪些氣壓馬達符號是將氣壓能轉變為旋轉機械能? (A) (B) (C) (D) 。
76. 氣壓迴路中,下列圖中哪些為 4 口 3 位方向控制閥? (A) (B) (C) (D) 。
78. 如下圖所示,若以二單相交流瓦特表法量測三相交流功率時,下列敘述哪些正確?(A)當二瓦特 表一正、一負,但值不相等時(W1≠-W2 ),PF<0.5(B)當二瓦特表均為正值,但並不相等時(W1≠W 2 ),PF>0.5(C)當 W1 =-W2 其值為一正一負時,此時功率因數 PF=0(D)當 W1 =W2 且均為正值時,此 時功率因數 PF=1。
80. 如下圖所示,當 a、b 兩端之外加電壓為 190 伏特時,下列敘述哪些正確?(A) I 1 之電流值為 5 安培(B) I 2 之電流值為10 安培(C)a、b 兩端間之電阻為 20 歐姆(D)流經 3 歐姆電阻之電流為 10安培。