所屬科目:初等/五等/佐級◆電子學大意
5 圖示之電路,雙極性電晶體 β = 250 ,基-射極導通電壓 VBE = 0.7 V ,則其集-射極電壓 VCE 約為何? (A) 5.52 V (B) 6.52 V (C) 7.52 V (D) 8.52 V
6 有一雙極性接面電晶體的電路符號如圖所示,當在順向主動區操作時,下列何者正確? (A)主要的射極電流為射極流向基極的擴散電子流,主要的基極電流為復合電流 (B)主要的射極電流為射極流向基極的擴散電子流,主要的基極電流為基極流向射極的擴散電子流 (C)主要的射極電流為射極流向基極的擴散電洞流,主要的基極電流為復合電流 (D)主要的射極電流為射極流向基極的擴散電洞流,主要的基極電流為基極流向射極的擴散電子流
8 如圖所示場效電晶體電路, VP = -3 V , IDSS = 18 mA , VGS = -2 V ,直流工作電壓 VDS 為何? (A)2V (B)4V (C)6V (D)8V
9 如圖所示,電晶體 Q1和 Q2的臨界電壓(threshold voltage)分別為 Vt1 和 Vt2,若 Vt2 變大且 Vt1 保持 不變。 v I = VDD 時,則 v0 將如何變化? (A)增大 (B)降低 (C)不變 (D)等於 VDD
11 如圖所示電路,若運算放大器開路電壓增益 A 為有限值,則 R i = vi / ii 為何? (A) Rf /(1+A) (B) Rf (C) - Rf (D) Rf /(1+1/A)
13 如圖所示電路,輸入電壓 Vi 為直流時, V0 / Vi 為何? (A) - R2/R1 (B)0 (C) 1+ R2/R1 (D)無窮大
14 如圖所示電路,若不考慮稽納二極體(Zener Diode)的電阻、且 VZ = 5 V ,則稽納二極體的消耗功率為何? (A) 350 mW (B) 375 mW (C) 400 mW (D) 425 mW
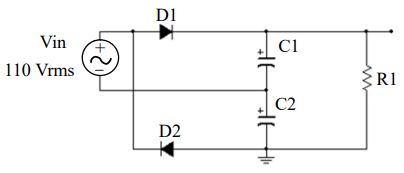
15 如圖所示電路,假設二極體導通電壓為 0.7 V,輸入電壓 Vin 為正弦波,頻率為 60 Hz,峰值電壓為 110 V,電容輸入式整流濾波器之漣波因數(Ripple Factor)約為何? (A) 2.27% (B) 4.54% (C) 1.27% (D) 1.12%
17 圖為全波兩倍倍壓電路,二極體視為理想,當輸入 Vin 進入下半負週期時,二極體(D1)之逆向峰值電壓(PIV)約為何? (A) 120 V (B) 170 V (C) 311 V (D) 85 V
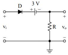
19 如圖為一截波電路, Vin = 30sin(ωt)V ,二極體導通時電壓為 0.7 V,下列何者為其輸出波形? (A) (B) (C) (D)
20 如圖所示電路,若可忽略二極體 D 的導通電壓,且輸入電壓 vi = 7sin(377t)V , R = 20 Ω ,下列敘述何者正確? (A)輸出電壓 vo 的最大值為 7 V (B)輸出電壓 vo 的最大值為 3 V (C)輸出電壓 vo 的最小值為 - 7 V (D)輸出電壓 vo 的最小值為 0 V
21 如電路圖,下列敘述何者錯誤? (A) RC 時間常數無窮大時,可作為上箝位電路 (B) RC 時間常數無窮大時,Vdc 大小會影響到電容 C 的兩端電壓差 (C) RC 時間常數小於輸入波形之週期時,電容 C 的漣波電壓振幅不隨時間常數改變 (D) RC 時間常數小於輸入波形之週期時,電容 C 的跨壓 DC 值會隨時間常數改變
23 有一如圖之 BJT 放大器,若 BJT 之 VCE = 1 V ,則有關對其輸出迴路特性之敘述,下列何者錯誤? (A)其電晶體輸出特性( IC -VCE )的直流負載線電流端截點為 IC = 5 mA (B)其電晶體輸出特性( IC -VCE )的直流負載線電壓端截點為 VCE = 1 V (C)其 C-E 迴路之靜態電流為 ICQ = 4.5 mA (D)此 BJT 應該是操作於主動區(active region)
24 圖示電路中場效電晶體之 Vt = 1 V 、 μn Cox (W/L) = 100 mA/V2 ,若電晶體在飽和區工作,則電阻 RD 的 最大值為何? (A) 6 kΩ (B) 5 kΩ (C) 4 kΩ (D) 3 kΩ
25 圖示電路,下列何電阻提供直流偏壓的負回授? (A) RE (B) RC (C) RB1 (D) RB2
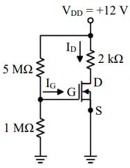
26 如圖所示電路,已知空乏型 MOSFET 的 IDSS = 1 mA 、 VGS(TH) = -4 V ,若閘極電流 IG 可忽略不計,汲 極電流與汲-源極電壓( ID , VDS )值為何? (A)(1.5 mA,9 V) (B)(2.25 mA,7.5 V) (C)(3 mA,6 V) (D)(3.5 mA,5 V)
30 圖中放大器電路中 , vsig 的直流成分為零 , 電晶體 的 β = 99 、 VA = ∞ 、 VEB = 0.7 V , 熱電壓 VT = 0.025 V ,放大器電壓增益 vo / vsig 的最接近值為何? (A) 0.75 (B) 0.85 (C) 0.95 (D) 0.99
31 圖中放大器電路中 , vsig 的直流成分為零 , 電晶體的 β = 99 、 VA = ∞ 、 VEB = 0.7 V , 熱電壓 VT = 0.025 V ,放大器輸出電阻 Rout 的最接近值為何? (A) 100 Ω (B) 150 Ω (C) 200 Ω (D) 300 Ω
33 已知 Q1 之 β1 = 100 , rπ1 = 2.34 kΩ , Q2 之 β2 = 100 , rπ2 = 2.06 kΩ ,則該電路之電壓增益約為何? (A) - 8290 (B) - 3899 (C) 3899 (D) 8290
34 如圖, Q1 的β1= 50 , Q2 的 β2 = 100 ,兩個電晶體的VBE = 0.7 V 且 ro 都不計,熱電壓(thermal voltage) VT 都是 25 mV;若輸出接一電阻 RL = 1 kΩ ,求電壓增益 vo /vB2 約為何? (A) 1.005 V/V (B) 0.850 V/V (C) 0.900 V/V (D) 0.995 V/V
35 圖示變壓器耦合串級放大器中, N1 : N2 = 2 :1、 N3 : N4 = 5 :1, A v1 = 100 、 A v2 = 50 、 Av3 = 20 , 此電路之總電壓增益為何? (A) 60 dB (B) 80 dB (C) 100 dB (D) 120 dB
37 如下圖所示,下列敘述何者錯誤? (A)此為韋恩電橋振盪電路 (B)可以應用於產生弦波訊號 (C)可以藉由 R 和 C 的組合調整輸出訊號的頻率 (D)可以藉由 R1 和 R2 的組合調整輸出訊號的振幅
38 如圖為電晶體單穩態多諧振盪器,觸發信號由Q1的基極注入。在未觸發前,電容器C1上的電壓 Eo約為下列何者? (A) VCC (B) VCC - VB2 (C) VCC - VRC1 - VB2 (D) VCC - VRB - VC1
39 圖示為一施加負偏壓之反相施密特觸發器,OPA 之輸出飽和電壓為±10V,若其遲滯電壓(hysteresis voltage) VH 為 4 V,則該電路之 R1 電阻值為何? (A) 5 kΩ (B) 10 kΩ (C) 20 kΩ (D) 80 kΩ