所屬科目:初等/五等/佐級◆電子學大意
6雙極性接面電晶體,基極和射極的順向導通電壓 VBE = 0.7 V,基極和集極的順向導通電壓 VBC = 0.5 V, 各極提供的電壓如圖示,下列何者是在逆向主動區模式?(A) VC = 4.8 V,VB = 3.2 V,VE = 1.6 V (B) VC = 3.0 V,VB = 3.5 V,VE = 5.2 V (C) VC = 3.8 V,VB = 5.5 V,VE = 3.6 V (D) VC = 5.3 V,VB = 3.4 V,VE = 4.8 V
11如圖所示之電路,R1=1 kΩ 且 R2=4 kΩ,電源電壓 vs(t)=VScos(2000t) V。運算放大器的輸出電壓限制 於±15V,輸出電流限制於±20 mA。若負載電阻 RL=10 kΩ,輸出電壓波形尚未出現裁切(clipping) 時的最大輸入電壓 VS 為何?
(A) 2.5 V(B)3V (C) 3.5 V (D)4V
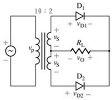
14如圖所示電路,變壓器一次側輸入電壓 VP 之峰值為 120 V,其線圈比為 10:2,負載電阻 RL 為 5Ω, 均方根(root mean square)負載電流約為何? (A) 3.1 A (B) 2.4 A(C) 1.7 A(D) 1.52 A
17如圖電路,圖中所示波形為輸入電壓,假設二極體的切入電壓為 0.7 V,負載電阻 RL 兩端的最小輸出電壓為何? (A)-0.7 V (B)-2.5 V(C)-5 V (D) 0.7 V
18如圖所示電路,假設可忽略稽納二極體的順向導通電壓,Vi = 5sin(377t)V、R = 200 Ω,輸出電壓 Vo 的最小值為何? (A)-3 V (B)-4 V (C)-7 V(D)-9 V
19如圖所示電路,假設二極體導通電壓為 0.7 V,每個二極體的峰值順向電流約為何? (A) 13.6 mA (B) 13.3 mA(C) 0.32 mA (D) 0 mA
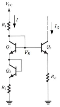
21有一如圖之 BJT 電路,若 β→∞,VCC = 10 V,VBE1 =VBE2=VBE3 = 0.7 V,R1 = R2 = 8.6 kΩ,RE = 10 kΩ, 則 IO 應為何? (A) 0.1 mA (B) 0.2 mA(C) 0.5 mA(D) 1 mA
22圖示電路,若 VCC = 9 V、RC = 2 kΩ、RB = 100 kΩ,電晶體之 β= 100,VBE = 0.7 V,今若電晶體工作 在主動區(active region)與飽和區(saturation region)之交界;VCE(sat)=0.2 V,則電壓 VBB 約為何? (A) 3.6 V(B) 4.2 V (C) 5.1 V (D) 6.5 V
23使用一增強型 PMOS 電晶體設計如圖的電路,此電晶體之 VTH= -1 V,μpCOX(W/L)=2 mA/V2,其 VGS電壓為何? (A)-1.5 V(B)-2 V (C)-2.5 V (D)-3 V
24圖示 MOS 場效電晶體電路,電晶體之 Vt = 1 V、μnCox(W/L)= 2 mA/V2,欲電晶體在飽和區工作, 電阻 RD 的最大值約為何? (A) 10 kΩ (B) 16 kΩ (C) 20 kΩ (D) 24 kΩ
27圖中放大器電路中電晶體的 β=99、VA=100 V,熱電壓 VT = 0.025 V,放大器增益 vo/vi 的最接近值為何? (A) 96(B) 106 (C) 116 (D) 126
32如圖所示,偏壓電流 IQ=4mA,電晶體 Q1 基極端的等效電阻 RB=25 kΩ。已知電晶體 Q1 之 β1=10, rπ1=170 kΩ;Q2 之 β2=50,rπ2=18 kΩ;Q3 之 β3=50,rπ3=330 Ω。求輸出阻抗 Ro 約為何? (A) 0.75 Ω (B) 7.5 Ω(C) 75 Ω (D) 750 Ω
35圖示為一多諧振盪電路,若電路振盪頻率等於 fo = 12 kHz,則對應之 RB1 = RB2 = R 電阻值約為何? (A) 4.17 kΩ (B) 6 kΩ (C) 8.33 kΩ (D) 12 kΩ
36圖示為一施加負偏壓之反相施密特觸發器,運算放大器之輸出飽和電壓為 ±20 V,若其上臨界電壓 (threshold voltage)VTH 為 16 V ,則該電路之 R2 電阻值為何? (A) 5 kΩ(B) 10 kΩ (C) 20 kΩ (D) 50 kΩ
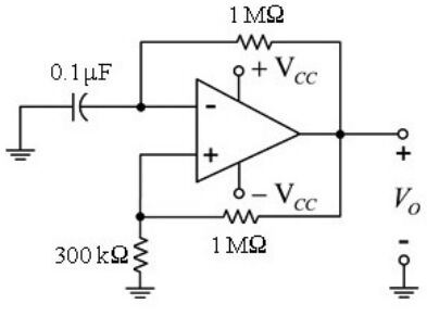
37圖示為一 OPA 方波產生電路,其振盪週期約為何? (A) 47 ms(B) 52.5 ms (C) 94 ms(D) 407 ms
39有一如圖之BJT 電路,若電路各節點電壓及電阻值如標示,則該 BJT 之 β 值應為何? (A) 74 (B) 84 (C) 94(D) 104
40假設二極體導通電壓為 0.7 V,如圖所示電路,若要設計輸出峰值電壓為 12.3 V,則圖中電池 V為何值? (A)3V (B)-3 V(C) 2.6 V(D)-2.6 V