所屬科目:初等/五等/佐級◆電子學大意
1 兩電壓 v1(t) = 8 cos(20πt+13°)及 v2(t) = 4sin(20πt+45°)則兩電壓的相位差為多少度?(A) 58 度 (B) 45 度 (C) 32 度 (D) 13 度
2 pn 接面二極體,p 型和 n 型雙邊的摻雜濃度皆為 1016 cm-3,該接面空乏層厚度為 0.2 μm,接面的面積為 5 μm✖5 μm,儲存於 pn 接面某一邊的空乏層電荷為多少? (A) 4×10-15 庫倫 (B) 8×10-15 庫倫 (C) 12×10-15 庫倫 (D) 16×10-15 庫倫
3 有關矽半導體材料之敘述,下列何者正確?(A)具有五個價電子的雜質加入純矽半導體稱為受體元素 (B) P 型半導體的少數載子是電洞 (C) N 型半導體的多數載子是電洞 (D)純矽的電子濃度等同於電洞濃度
4 PNP 雙極性接面電晶體的順向主動區模式和逆向主動區模式二者相較,在順向主動區模式時,下列何者正確? (A)射極和基極接面之間的空乏區範圍較寬,集極和基極接面之間的空乏區範圍也較寬 (B)射極和基極接面之間的空乏區範圍較寬,集極和基極接面之間的空乏區範圍較窄 (C)射極和基極接面之間的空乏區範圍較窄,集極和基極接面之間的空乏區範圍較寬 (D)射極和基極接面之間的空乏區範圍較窄,集極和基極接面之間的空乏區範圍也較窄
5 有關雙極性接面電晶體偏壓電路之敘述,下列何者正確?(A)當電晶體未飽和時,β 值會隨工作溫度上升而變小 (B)具射極電阻的分壓式偏壓電路,工作點 IC 易隨 β 值變動 (C)集極回授式偏壓電路的基極電阻具正回授特性 (D)射極回授式偏壓電路的射極電阻具負回授特性
6 雙極性接面電晶體如圖所示,在主動區操作,β 值為 100,有關電流之敘述,下列何者正確?(A)電流包括電子流和電洞流,主要電流從射極流向集極 (B)電流包括電子流和電洞流,主要電流從集極流向射極 (C)電流僅電子流,主要電流從射極流向集極 (D)電流僅電子流,主要電流從集極流向射極
7 如圖,放大器與放大器串接之耦合電容器 C 與後級放大器的輸入電阻 Ri 一起作用會形成何種電路響應? (A)低通電路響應 (B)帶通電路響應 (C)高通電路響應 (D)全通電路響應
8 以增強型 N 通道 MOSFET 作為開關之敘述,下列何者錯誤?(A)夾止飽和區作為開關 ON 的主要特性區域 (B)截止區作為開關 OFF 的主要特性區域 (C)以閘極電壓 VGS 控制開關 ON 和 OFF (D)閘極電壓值 VGS 會影響汲極和源極間等效電阻值 RDS 的大小
9 一晶片含有 106 個 CMOS 邏輯閘,每個邏輯閘負載電容為 40 fF。該晶片電源為 3.3 V,頻率為 500 MHz,該晶片最大總功率散逸為何? (A) 0.2178 W (B) 2.178 W (C) 21.78 W (D) 217.8 W
10 下列何種方式無法用於運算放大器放大倍數的控制?(A)負回授 (B)正回授 (C)電流回授 (D)電壓回授
11 如圖所示,互轉阻值(Transresistance)定義為 Rm=vo/ii。若運算放大器 A 為無限大,則 Rm 為何? (A)0 (B) Rf (C)-Rf (D)無限大
12 有關積體電路製造廠所使用之矽晶圓,其基材為下列何者?(A)矽砂 (B)冶金級的矽 (C)單晶矽 (D)多晶矽
13 一半波整流電路若其輸出的電壓有效值為 30 V,其峰值電壓(Vp)為何?(A) 15 V (B) 21.2 V (C) 42.4 V (D) 60 V
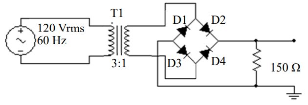
14 圖為全波橋式整流器,二極體的切入電壓為 0.7 V,輸入為 120 Vrms 之正弦波,當 D2、D3 導通時,D1 和 D4 受到的逆向峰值電壓(PIV)約為何? (A) 27.58 V (B) 39.3 V (C) 119.3 V (D) 55.86 V
15 如圖所示稽納二極體(Zener Diode)電路,若稽納電壓 VZ = 11 V 及稽納內電阻為 0 Ω,則稽納二極體所消耗的最大功率約為何(RL=∞)? (A) 1.45 W (B) 2.65 W (C) 5.45 W (D) 8.15 W
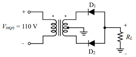
16 如圖所示電路,輸入弦波電壓峰值為 110 V,變壓器線圈匝數比為 10:1,假設二極體導通電壓為 0.7 V, 負載電阻 RL 電壓的峰值為何? (A) 4.8 V (B)-4.8 V (C) 10.3 V (D)-10.3 V
17 倍壓電路的輸出電壓,取自下列何種元件的跨壓?(A)電感 (B)電阻 (C)電容 (D)二極體
18 假設理想稽納二極體(Zener Diode)參數如下:VZ = 18 V、IZK = 1 mA、IZM = 45 mA,rZ = 0 Ω,如圖中的稽納二極體仍然可以穩壓工作的前提下,負載的最大電流值為何? (A) 20 mA (B) 19 mA (C) 5 mA (D) 0 mA
19 如圖所示電路,圖中的正弦波為輸入電壓,若二極體的切入電壓為 0.7 V,則其最大輸出電壓為何? (A)0V (B) 0.7 V (C) 5.55 V (D) 6.35 V
20 如圖所示電路及輸入波形,假設二極體的切入電壓為 0.7 V,則輸出電壓的上限為何? (A)-0.7 V (B)0V (C) 0.7 V (D) 10 V
21 如圖所示之電路,結果得到輸出端 VO 為 0 V,可能發生的問題為何?(A) D1 開路 (B) C1 開路 (C) C1 短路 (D) R1 開路
22 如圖所示電路,D1 為理想二極體,若脈波 Vi 的工作週期(duty cycle)為 50%且其最大值為 4 V、最小值為 0 V,則 Vo 的平均值為何? (A)3V (B) 2.5 V (C)2V (D) 1.5 V
23 有關放大器電路,下列敘述何者與工作點選擇的目的無關?(A)可調整放大器增益 (B)可調整輸入電阻 (C)可調整輸出訊號失真程度 (D)可調整輸入訊號頻率
24 某電路中的 NPN 雙極性接面電晶體(BJT),經實驗量測其基極之電壓為 2 V,射極的電壓為 1.4 V,集極電壓為 1.6 V,此電晶體在下列何工作區? (A)主動區(Active Region) (B)飽和區(Saturation Region) (C)截止區(Cutoff Region) (D)逆向主動區(Reverse Active Region)
25 有一如圖之 BJT 電路,若 VBE = 0.7 V,RB = 100 kΩ,β= 99,則 VC 應為何?RB VC (A) 1.32 V (B) 2.72 V (C) 3.05 V (D) 3.86 V
26 圖為一個電容式全波整流電路再接一個 RC 濾波電路,針對 R2 和 C2 形成的 RC 濾波電路之敘述, 下列何者正確?(A)為高通濾波電路 (B)增益大於 1 (C)加入此 RC 濾波電路,Vb 的漣波電壓小於 Va 的漣波電壓 (D) R2 和 C2 形成的 RC 濾波電路的轉折頻率為 70 Hz
27 圖中放大器電路 VCC=5 V、RB1=30 kΩ、RB2=20 kΩ、RC=RE=1.2 kΩ,電晶體參數為:VBE=0.7 V、β=119,放大器電路消耗的功率約為何? (A) 4.5 mW (B) 5 mW (C) 5.5 mW (D) 6 mW
28 有關 BJT 的爾利效應(Early effect)之敘述,下列何者正確?(A)爾利電壓(Early voltage)可直接在 BJT 的 C-E 端點量測取得 (B)考慮爾利效應時,BJT 的輸出電阻值(output resistance)為無窮大 (C)爾利效應是 VCE 增加時,則 BJT 的有效 B 極寬度增加 (D) BJT 在 CE 組態時,若 VCE 增加時,則 BJT 的 C 極電流會增加
29 一雙極性接面電晶體具有以下參數:fT=800 MHz、Cμ=2 pF、Cπ=6 pF,其轉導 gm 的最接近值為何?(A) 20 mA/V (B) 40 mA/V (C) 60 mA/V (D) 80 mA/V
30 有關共集極(Common Collector)組態相較於共基極、共射極組態之特性,下列敘述何者正確?(A)輸入電阻 Ri 最高 (B)輸出電阻 Ro 最高 (C)電壓增益 AV 最高 (D)電流增益 AI 最低
31 圖中放大器電路中電晶體的 VTH= -1 V,μpCox(W/L)=2 mA/V2 ,放大器的輸入電阻 Rin 為何? (A) 2 kΩ (B) 3.6 MΩ (C) 9 MΩ (D)∞ Ω
32 圖中放大器電路中電晶體的 VTH= 1 V,VA=∞ V,μnCox(W/L)=2 mA/V2,放大器的輸出電阻 Rout 為何? (A) 0.5 kΩ (B) 1 kΩ (C) 5 kΩ (D) 10 kΩ
33 運算放大器並非元件,實際上為積體電路,其內部電路依輸入到輸出可分成三大部分。因運算放大器輸入阻抗很大,其輸入端應為下列何者? (A)推挽(push-pull)放大器 (B)差動放大器 (C)電壓放大器 (D)電感
34 如圖所示 R1=335 kΩ,R2=125 kΩ,RC=2.2 kΩ,RE=1 kΩ。已知電晶體 Q1 之 β1=100,rπ1 =200 kΩ;電 晶體 Q2 之 β2=100,rπ2 =2 kΩ。求此電路之電壓增益 Vo/Vi 約為何? (A)-55.82 (B)-5.82 (C) 5.82 (D) 55.82
35 NPN 雙極性接面電晶體,在主動區操作,集極電流為 1.96 mA,α 值為 0.98,基極電流為何?(A) 0.02 mA (B) 0.04 mA (C) 0.06 mA (D) 0.08 mA
36 如圖所示電路,為何種型態之正弦波產生電路?(A)韋恩電橋振盪電路 (B) RC 相移振盪電路 (C)考畢子振盪電路 (D)哈特萊振盪電路
37 如圖所示之振盪電路,其電路型態為下列何者?(A)韋恩電橋振盪電路 (B)無穩態多諧振盪電路 (C)雙穩態多諧振盪電路 (D)單穩態多諧振盪電路
38 在電晶體開關電路中,若論其切換時間,則下列何者正確?(A)同尺寸下,N-MOSFET 比 P-MOSFET 切換時間較長 (B)同尺寸下,NPN 比 PNP 雙極性接面電晶體切換時間較短 (C)同尺寸下,C-MOSFET 與 P-MOSFET 切換時間相同 (D)同尺寸下,C-MOSFET 比 N-MOSFET 切換時間較長
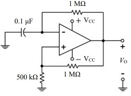
39 圖示為一無穩態多諧振盪電路,電路中運算放大器之輸出飽和電壓為±12 V,則其正回授迴路之下臨界電壓(voltage of lower threshold)VTL 值為何? (A)-4 V (B)-6 V (C)-8 V (D)-12 V
40 圖示電路,若電晶體的 μnCox(W/L)= 20 mA/V2 ,RD = 10 kΩ,I = 0.1 mA,則輸入阻抗 Rin 約為何?(A) 50 Ω (B) 100 Ω (C) 250 Ω (D) 500 Ω