阿摩線上測驗
登入
首頁
>
初等/五等/佐級◆電子學大意
>
115年 - 115 初等考試_電子工程:電子學大意#136710
> 試題詳解
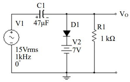
21 如圖所示之電路,結果得到輸出端 V
O
為 0 V,可能發生的問題為何?
(A) D1 開路
(B) C1 開路
(C) C1 短路
(D) R1 開路
答案:
登入後查看
統計:
A(2), B(1), C(1), D(0), E(0) #3792474
私人筆記 (共 1 筆)
Alice
2026/01/13
私人筆記#7731358
未解鎖
解題解析:輸出端 VO 為 0 V 的...
(共 309 字,隱藏中)
前往觀看
2
0
相關試題
1 兩電壓 v1(t) = 8 cos(20πt+13°)及 v2(t) = 4sin(20πt+45°)則兩電壓的相位差為多少度?(A) 58 度 (B) 45 度 (C) 32 度 (D) 13 度
#3792454
2 pn 接面二極體,p 型和 n 型雙邊的摻雜濃度皆為 1016 cm-3,該接面空乏層厚度為 0.2 μm,接面的面積為 5 μm✖5 μm,儲存於 pn 接面某一邊的空乏層電荷為多少? (A) 4×10-15 庫倫 (B) 8×10-15 庫倫 (C) 12×10-15 庫倫 (D) 16×10-15 庫倫
#3792455
3 有關矽半導體材料之敘述,下列何者正確?(A)具有五個價電子的雜質加入純矽半導體稱為受體元素 (B) P 型半導體的少數載子是電洞 (C) N 型半導體的多數載子是電洞 (D)純矽的電子濃度等同於電洞濃度
#3792456
4 PNP 雙極性接面電晶體的順向主動區模式和逆向主動區模式二者相較,在順向主動區模式時,下列何者正確? (A)射極和基極接面之間的空乏區範圍較寬,集極和基極接面之間的空乏區範圍也較寬 (B)射極和基極接面之間的空乏區範圍較寬,集極和基極接面之間的空乏區範圍較窄 (C)射極和基極接面之間的空乏區範圍較窄,集極和基極接面之間的空乏區範圍較寬 (D)射極和基極接面之間的空乏區範圍較窄,集極和基極接面之間的空乏區範圍也較窄
#3792457
5 有關雙極性接面電晶體偏壓電路之敘述,下列何者正確?(A)當電晶體未飽和時,β 值會隨工作溫度上升而變小 (B)具射極電阻的分壓式偏壓電路,工作點 IC 易隨 β 值變動 (C)集極回授式偏壓電路的基極電阻具正回授特性 (D)射極回授式偏壓電路的射極電阻具負回授特性
#3792458
6 雙極性接面電晶體如圖所示,在主動區操作,β 值為 100,有關電流之敘述,下列何者正確?(A)電流包括電子流和電洞流,主要電流從射極流向集極 (B)電流包括電子流和電洞流,主要電流從集極流向射極 (C)電流僅電子流,主要電流從射極流向集極 (D)電流僅電子流,主要電流從集極流向射極
#3792459
7 如圖,放大器與放大器串接之耦合電容器 C 與後級放大器的輸入電阻 Ri 一起作用會形成何種電路響應? (A)低通電路響應 (B)帶通電路響應 (C)高通電路響應 (D)全通電路響應
#3792460
8 以增強型 N 通道 MOSFET 作為開關之敘述,下列何者錯誤?(A)夾止飽和區作為開關 ON 的主要特性區域 (B)截止區作為開關 OFF 的主要特性區域 (C)以閘極電壓 VGS 控制開關 ON 和 OFF (D)閘極電壓值 VGS 會影響汲極和源極間等效電阻值 RDS 的大小
#3792461
9 一晶片含有 106 個 CMOS 邏輯閘,每個邏輯閘負載電容為 40 fF。該晶片電源為 3.3 V,頻率為 500 MHz,該晶片最大總功率散逸為何? (A) 0.2178 W (B) 2.178 W (C) 21.78 W (D) 217.8 W
#3792462
10 下列何種方式無法用於運算放大器放大倍數的控制?(A)負回授 (B)正回授 (C)電流回授 (D)電壓回授
#3792463
相關試卷
115年 - 115 初等考試_電子工程:電子學大意#136710
2026 年 · #136710
114年 - 114 初等考試_電子工程:電子學大意#124880
2025 年 · #124880
113年 - 113 初等考試_電子工程:電子學大意#118527
2024 年 · #118527
112年 - 112 地方政府特種考試_五等_電子工程:電子學大意#118362
2023 年 · #118362
112年 - 112 鐵路、國家安全情報特種考試_佐級、五等_電子工程、電子組:電子學大意#114944
2023 年 · #114944
112年 - 112 身心障礙特種考試_五等_電子工程:電子學大意#113943
2023 年 · #113943
112年 - 112 初等考試_電子工程:電子學大意#112891
2023 年 · #112891
111年 - 111 地方政府特種考試_五等_電子工程:電子學大意#112600
2022 年 · #112600
111年 - 111 鐵路特種考試_佐級_電子工程:電子學大意#108515
2022 年 · #108515
111年 - 111 初等考試_電子工程:電子學大意#105667
2022 年 · #105667