所屬科目:初等/五等/佐級◆電子學大意
7 圖示之電路,雙極性電晶體 β=100,基-射極導通電壓 VBE =0.7 V,集-射極電壓 VCE 約為何? (A) 3.72 V (B) 6.72 V (C) 9.72 V (D) 12.72 V
11 如圖之運算放大器電路,R1 與 C 串聯。Vi 為直流時,V0 /Vi 為何? (A) -R2 /R1 (B)0 (C) 1+R2 /R1 (D) -R2 /C
13 如圖所示電路,若兩個二極體的切入電壓均為 0.7 V,當 V1 =9 V 及 V2 =0 V,則 ID1 約為何? (A) 0.25 mA (B) 0.5 mA (C) 0.75 mA (D) 1 mA
14 假設二極體導通電壓為 0.7 V,如圖所示電路,欲使輸出正半波峰值電壓為 7 V,Z1 之稽納(Zener) 電壓應為何? (A) 6.3 V (B) 7.7 V (C) 13 V (D) 19.3 V
15 橋式整流提供一穩定電壓如圖,Vi=250sin(ωt) V,ω 為角頻率,二極體導通電壓為 0.7 V,稽納二極體的崩潰電壓為 6 V,流過 150 Ω 電阻的電流為何? (A) 50 mA (B) 40 mA (C) 83 mA (D) 233 mA
16 如圖所示電路,假設二極體導通電壓為 0.7 V,輸入電壓 Vin 為正弦波,頻率為 60 Hz,峰值電壓為 110 V,負載 RL 的平均功率約為何? (A) 0.21 W (B) 0.24 W (C) 0.28 W (D) 0.42 W
17 下圖實驗電路中,測量 Vo 端波形時發現漣波因數太大,下列何者可有效降低漣波因數? (A)降低電容 C 值 (B)將二極體反接 (C)降低電阻 RL 值 (D)增加 Vi 的頻率
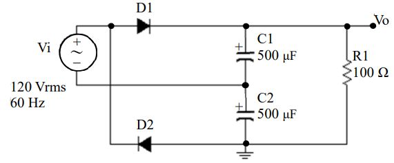
18 圖為倍壓器電路,輸入端電壓訊號的頻率為 60 Hz,則輸出端的漣波頻率為何? (A) 120 Hz (B) 60 Hz (C) 180 Hz (D) 90 Hz
19 如圖所示電路及輸入波形,若二極體的切入電壓為 0.7 V,二極體的峰值順向電流約為何? (A) 73 mA (B) 80 mA (C) 83 mA (D) 90 mA
20 圖為橋式整流電路,輸入信號為 80 Vrms 之正弦波,二極體視為理想,輸出波形之平均值約為何? (A) 71.94 V (B) 35.97 V (C) 50.88 V (D) 113.12 V
22 圖為二極體箝位器,輸出波形的頻率為何? (A) 60 Hz (B) 120 Hz (C) 30 Hz (D) 180 Hz
23 如圖所示之電路,若 NPN 電晶體 β=100、VBE =0.7 V,下列敘述何者正確? (A) IE =4.8 mA (B) IB =0.2 mA (C) VCE =3.2 V (D) VCE =0.2 V
24 有一如圖之 BJT 放大器,若 VBE =0.7 V,則有關對其輸入迴路特性之敘述,下列何者錯誤? (A)其電晶體的輸入特性(IB-VBE)的直流負載線電流端截點為 IB =20 μA (B)其電晶體的輸入特性(IB-VBE)的直流負載線電壓端截點為 VBE =4.7 V (C)其 B-E 迴路之靜態基極電流為 IBQ =20 μA (D)其 B-E 之靜態電壓為 VBEQ =0.7 V
25 對於圖中的偏壓電路,RC =20 kΩ、RB =800 kΩ、VCC =10.7 V、VBE =0.7 V、IB =5 μA,其 β 最接近值為何?
(A) 50 (B) 60 (C) 80 (D) 100
26 如下圖所示之 N 通道增強型 MOSFET 電路,已知 ID =20 mA,則 VGS 約為何? (A)3V (B)2V (C) -2 V (D) -3 V
30 如圖所示之 RC 耦合串級放大器中,兩個電晶體之 β=49、VBE =0.7 V,VCC =10.7 V、RB1 =RB2 =150 kΩ、 RC1 =2 kΩ、RC2 =RE1=RE2 =1 kΩ,試求電路中 IB1 電流值為何? (A) 0.04 mA (B) 0.05 mA (C) 0.067 mA (D) 0.1 mA
31 如圖,Q1 的 β1 =50,Q2 的 β2 =100,兩個電晶體的 VBE =0.7 V 且 ro 都不計;求(IB1 及 VB2)? (A)(2 μA 及 1.5 V) (B)(2 μA 及 0.8 V) (C)(1 μA 及 1.5 V) (D)(1 μA 及 0.8 V) -1
38 如圖為單穩態多諧振盪器,觸發信號由 Vi 注入。由 Vi 注入在 R3 上的觸發電壓需要多大才能使 IC 轉 態而產生脈波? (A) Vcc (B) Vcc/2 (C) Vcc R1 /(R1 +R2) (D) Vcc R2 /(R1 +R2)
39 圖示為一加偏壓之反相施密特觸發器,電路中運算放大器之輸出飽和電壓為 ±12 V,則其上臨界電壓 (voltage of upper threshold)VTH 為何? (A)0V (B)2V (C)4V (D)8V
40 下圖中 RA 為 1/4 W、13 kΩ 的碳膜電阻器,外觀上以色碼「棕橙橙」表示其大小。而 RB 上表示其大 小的色碼為「紫綠紅」,並且陶瓷電容器 C 外觀上打印有 102 之字樣。此電路輸出方波的責任週期 (Duty cycle)約為何? (A) 43.1% (B) 54.2% (C) 65.3% (D) 73.2%