所屬科目:泉勝◆基本電學(上冊)
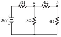
1.如下圖所示,求 AB 兩端點之電阻值為多少?(台中捷運 111)(A)2KΩ (B)4kΩ (C)6kΩ (D)8kΩ
2.求出下圖電流 I 為?(台中捷運 111) (A)12A (B)–12A (C)2A (D)–2A
3.求出下圖電流 I 為?(台中捷運 111) (A)1A (B)–1A (C)6A (D)–6A
4.求下圖電流源之電流大小 ? (台中捷運 111) (A)4A (B)6A (C)8A (D)12A
5.一額定為 100V/500W 之均勻電熱線,平均剪成 5 段後再並聯接於 12V 的 電源,則其總消耗功率為下列何者?(鐵路特考 111) (A)60W (B)120W (C)150W (D)180W
6.一 6 伏特電池接上一電阻器 A 後,產生 2 安培電流,若另外以一電阻器 B 與電阻器 A 串聯,則電流變為 0.5 安培,此時電阻器 B 之電阻值為何?(鐵 路特考 111) (A)3Ω (B)6Ω (C)9Ω (D)12Ω
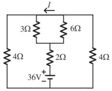
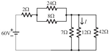
7.如圖所示,求電流 I 為何?(鐵路特考 111) (A)3 安培 (B)–3 安培 (C)6 安培 (D)–6 安培
8.如圖所示電路,則單一個 18 歐姆(Ω)電阻之消耗功率為多少瓦特?(鐵路特考 111)(A)18 (B)21 (C)24 (D)28
9. 如圖所示,直流網路為電壓源,開關(S)打開時,Vab = 24V ;開關閉合時, 電流 I 為 4 安培( A )。若將 a、c 短路,則電流 I 變為多少安培?(鐵路特考111)(A)3 (B)6 (C)8 (D)12
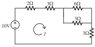
10.如圖所示之電路,求 6Ω 電阻所消耗的功率為何?(鐵路特考 111) (A)1/3W (B)2/3W (C)1W (D)2W
11. 如圖所示之電路,R1 = 2Ω,R2 = 3Ω,R3 = 4Ω,求 a-b 兩端點的電壓差 Vab 為何?(鐵路特考 111) (A)15V (B)17V (C)37V (D)0V
12. 如下圖電路,RAB為多少歐姆 (Ω) ?(台北捷運 112)(A)4Ω (B)8Ω (C)12Ω (D)16Ω
13. 如圖所示電潞,其中的電流 I 為何?(台北捷運 112) (A)10A (B)20A (C)30A (D)40A
14. 如圖所示,流經 2Ω 電阻之電流為何?(台北捷運 112)(A)3.95A (B)6.35A (C)13.5A (D)25.4A
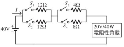
15. 如圖所示,那些開關閉合後可使電阻性負載達到額定功率 40 瓦特 (W)? (台北捷運 112) (A) S1、S2、S3 (B)S1、S2、S4 (C)S2、S3、S4 (D)S1、S3、S4
16. 如圖所示,則電流 I 為多少安培 ( A ) ?(台北捷運 112) (A)2.5A (B)3.25A (C)1.5A (D)1.67A
17. 如圖所示,則 a、b 兩點之電壓為何 ? (台北捷運 112) (A)3V (B)6V(C)12V (D)18V
18. 兩電阻值相等的電阻器,將其並聯後,連接到一理想電流源的兩端,已知 此二電阻共吸收 10 瓦特之功率。如將此二電阻改為串聯後再連接到同一理想 電流源的兩端,則此二電阻將共吸收多少瓦特之功率?(台北捷運 112) (A)2.5W (B)5W (C)10W (D)40W
19. 如圖電路,S 打開時 Vab= 24V、S 閉合時,I = 4A。則當 a、c 短路時,I 為 多少安培 ( A ) ?(台北捷運 112) (A)2A (B)3A(C)4A (D)6A
20. 兩電燈泡 B1與 B2 之規格如下圖所示,若該二燈泡之材質相同,則串聯 時,下列敘述何者正確?(台北捷運 112) (A)B1較亮,流經B1的電流為 2.4A (B)B2較亮,流經B2的電流為 0.2A (C)B1較亮,流經B1的電流為 2.4A (D)B2較亮,流經B2的電流為 0.2A