所屬科目:泉勝◆基本電學(上冊)
1.串聯電路各元件的電壓降之和,等於所有元件之電壓升總和,此為克希荷夫電壓定律。(A)O(B)X
2.串聯總電阻等於所有串聯電阻之和:RT= R1+R2+R3⋯ +RN。(A)O(B)X
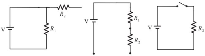
3.串聯的所有元件電壓都相同。(X,電流都相同)(A)O(B)X
4.兩個電阻串聯,電阻值越大,其端電壓越大,此即為電壓分配定則。(A)O(B)X
5.串聯時,元件位置互換,電流也相同。(A)O(B)X
6.串聯時,任一元件斷路,則所有元件都沒有電流。(A)O(B)X
7.並聯電路各元件的電壓降都相同。(A)O(B)X
8.並聯總電阻等於所有並聯電阻倒數之和再倒數:RT=1/(1/R1+1/R2+1/R3⋯ +1/RN) 。(A)O(B)X
9.並聯的所有元件流入的電流等於流出的電流之和 IT= I1 + I2 + I3⋯ + IN。(A)O(B)X
10.電阻並聯時,電阻值越大,流過的電流越大,此為電流分配定則。(X, 電流越小)(A)O(B)X
11.並聯時,任一元件斷路,其它元件都可正常運作,家用電器都是並聯連接,所以任意電器故障,其它電器都是正常運作。(A)O(B)X
12.下圖的 loop1 稱為網目。(A)O(B)X
13.下圖的 loop3,因為包含 loop1,所以不是網目。(A)O(B)X
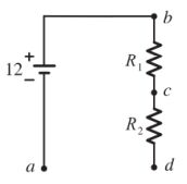
14.下圖的 R2,都沒有電流。(A)O(B)X
15.下圖的 R1,都沒有電流。(A)O(B)X
16.下圖的電腦機殼有接地,若電源線被老鼠咬破,而接觸機殼,當人類碰觸機殼時,也不會觸電。(A)O(B)X
17.電腦買來時,都有接地線,若您將接地線拆掉,若電源線被老鼠咬破,而接觸機殼,當人類碰觸機殼時,也不會觸電。(A)O(B)X
18.下圖的 Vba 、Vca、 Vda 都相同,都是 12V。(A)O(B)X
19.下圖的 Vba 、Vca 都相同,都是 4V。(A)O(B)X
20.下圖的 Vcd 、Vbc、Ved 都相同,都是 12V。(A)O(B)X
21.下圖 3Ω 電阻沒有電流。(A)O(B)X
22.下圖 1Ω 電阻沒有電流。(A)O(B)X