所屬科目:泉勝◆基本電學(上冊)
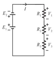
1.下圖的 E1+E2=V1+V2+V3,此稱為克希荷夫電壓定律。(A)O(B)X
2.下圖的 E1+E2=V1+V2+V3。(A)O(B)X
3.下圖的 I1、I2、I3 都相同。(A)O(B)X
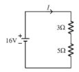
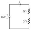
1.電路如圖,請計算總電阻RT?(A)2Ω(B)4Ω(C)6Ω(D)12Ω
2.電路如圖,請計算總I?(A)1A(B)2A(C)3A(D)4A
3.電路如圖,請計算 V1?(A)1V(B)2V(C)3V(D)4V
4.電路如圖,請計算 R2的功率P?(A)8W(B)12W(C)13W(D)14W
5.電路如圖,請計算總電阻RT?
(A)2Ω(B)4Ω(C)6Ω(D)8Ω
6.電路如圖,請計算總I?(A)1A(B)2A(C)3A(D)4A
7.電路如圖,請計算 3Ω 電阻的壓降?(A)1V(B)2V(C)3V(D)6V
8.電路如圖,請計算 3Ω 電阻的功率 P?
(A)8W(B)12W(C)13W(D)14W
9.電路如圖,請計算總功率 P?(A)8W(B)12W(C)20W(D)22W
10.電路如圖,已知6Ω電阻分壓是12V,請問R1 = 4Ω的V1 是多少?(A)1V(B)2V(C)6V(D)8V
11.電路如圖,已知6Ω電阻分壓是12V,請問E是多少?(A)1V(B)12V(C)16V(D)20V
12.電路如圖,若R3 = 6Ω,求R1 =?(A)2Ω(B)14Ω(C)16Ω(D)18Ω
13.電路如圖,若R3 = 6Ω,求I =?(A)1A(B)2A(C)3A(D)4A
14.電路如圖,若R3 = 6Ω,求RT = ?(A)20Ω(B)30Ω(C)32Ω(D)36Ω
15.如圖所示電路,若E 及R1 為固定值,且當R2=2Ω時,V2=10V;當R2=8Ω時,V2=16V。當R2=18Ω時,則V2 為何?(A)1V(B)12V(C)18V(D)20V
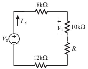
16.如圖所示電路,若電源VS 提供40mW 功率,且V1=0.25VS,則下列何者正確?(A) IS = 2mA (B) VS = 20V (C) R = 10kΩ (D) R 消耗20mW 功率
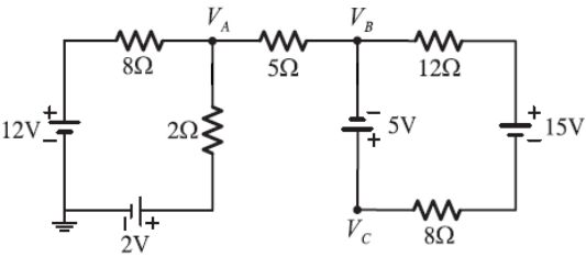
17.如圖所示,求 VC ?(台電 103)(A)1V(B)2V(C)9V(D)10V
18.若將100V/10W 與100V/40W 的燈泡串接於100V 的電源,請問總電流是多少?(A)1A(B)0.2A(C)0.08A(D)0.1A
19.若將100V/10W 與100V/40W 的燈泡串接於100V 的電源,V10W的分壓?(A)80V(B)60V(C)40V(D)10V
20.若將100V/10W 與100V/40W 的燈泡串接於100V 的電源,P10W的功率?(A)8W(B)6.4W(C)3W(D)1.6W
21.若將100V/10W 與100V/40W 的燈泡串接於100V 的電源,那一燈泡較亮?(A)10W(B)40W(C)一樣(D)不知道
22.若將 100V/10W 與 100V/40W 的燈泡串接於 100V 的電源,總功率 PT 是多少?(A)8W(B)12W(C)20W(D)6W
23.有100V/40W 的燈泡數個,現在要將這些燈泡接在200V 的電源上,請問至少串接幾個才不會燒毀?(A)8個(B)4個(C)3個(D)2個
24.有3V/6W 的燈泡數個,現在要將這些燈泡接在12V 的電源上,請問至少串接幾個才不會燒毀?(A)8個(B)10個(C)123個(D)16個
25.1Ω與4Ω的電阻串接在10V 的電源,請問V1Ω?(A)1V(B)2V(C)9V(D)10V
26.1Ω與4Ω的電阻串接在10V 的電源,請問P1Ω?(A)8W(B)12W(C)20W(D)4W
27.1Ω、2Ω與6Ω的電阻串接在9V 的電源,請問V1Ω?(A)1V(B)2V(C)9V(D)10V
28.有一電壓表內阻是1kΩ,滿刻度是0.1V,現在要測量2.5V,請問應該如何設計?(A)串聯20kΩ(B)串聯24kΩ(C)串聯32kΩ(D)併聯36kΩ
29.有一電壓表內阻是1kΩ,滿刻度是0.1V,現在要測量50V,請問應該如何設計?(A)串聯200kΩ(B)串聯300kΩ(C)串聯499kΩ(D)併聯499kΩ