所屬科目:泉勝◆基本電學(上冊)
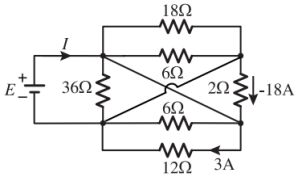
1. 如圖所示,電路中之 I 值為多少?(中油 106) (A) 8A(B) 6A(C) 1A(D) 0A
2.將三個額定功率分別為 10W、50W、100W 的 10Ω 的負載電阻串聯在一起, 則串聯後所能承受的最大額定功率為多少?(中油 105) (A) 10W (B) 30W (C) 60W (D) 160W
3.額定 110V、100W 和 220V、100W 的兩個電燈泡,串接在 110V 的電源上, 則此兩個電燈泡消耗之總功率為多少?(中油 105) (A) 1.25W (B) 20W (C) 50W (D) 100W
4.有一電池電動勢為 12.5V,內部電阻為 0.5Ω,若接一負載 2Ω,求負載之端 電壓的為多少?(中油 105) (A) 8.74V (B) 10V (C) 9.11V (D) 11V
5.滿刻度 10mA 之電流計,其內阻為分流器電阻之 249 倍,則該電流計能測 定之最大電流為多少?(中油 105) (A) 0.4A (B) 250mA (C) 2.5A (D) 10.25mA
6. 有一電流源,其電流值為 3A,內阻為 4Ω,請問轉換為等效電壓源後,其 電壓值為多少?(中油 105) (A) 0.75V (B) 5V (C) 9V (D) 12V
7. 如圖所示之電路,試計算轉換後之等效電流源 IT = ?(中油 107) (A) –4A(B) –2A(C) 2A(D) 4A
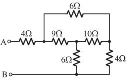
8. 試求圖中 A、B 兩端點間的等效電阻。(中油 107) (A) 10Ω(B) 20Ω(C) 25Ω(D) 36Ω
9. 如圖所示之電路,8V 電池之電功率為?(中油 107) (A) 消耗 4W (B) 供應 4W (C) 供應 8W (D) 消耗 8W
10. 電壓表可以藉由_____電阻來擴大量測範圍,電流表可以藉由_____電阻來 擴大量測範圍。(中油 107) (A) 串聯、串聯 (B) 串聯、並聯 (C) 並聯、並聯 (D) 並聯、串聯
11. 將 4 個 16 歐姆電阻並聯接於 12V 之電壓,下列何者錯誤?(中油 107) (A) 總電阻小於 16Ω (B) 總消耗功率為 36W (C) 總阻值為 4Ω (D) 各分支電流為 3A
12. 有一電壓表,內阻為 2.5kΩ,滿刻度電流為 2mA:欲改接成可測量 20V 電 壓則須串接上電阻多少 kΩ?(中油 107) (A) 2.5 (B) 5 (C) 7.5 (D) 6
13. 三個電阻分別為 20Ω、80Ω、240Ω,若將三個電阻並聯後接上電壓為 60 伏 特的電源,則線路電流為:(中油 109) (A) 2 安培 (B) 3 安培 (C) 4 安培 (D) 5 安培
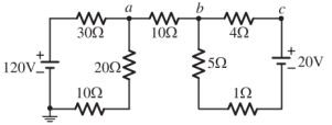
14. 如圖所示,b 點之電位為多少 V ?(中油 109) (A) 0V(B) 12V(C) 20V(D) 60V
15. 三個電阻分別為 3Ω、10Ω、2Ω,若將三個電阻串聯後接上電壓為 30 伏特 的電源,則線路電流為:(中油 109) (A) 1 安培 (B) 2 安培 (C) 5 安培 (D) 15 安培
16. 如圖求 Rab 值為多少?(中油 109) (A) 6Ω (B) 8Ω (C) 10Ω (D) 12Ω
17. 如圖所示電路,求 Req 為多少?(統測 109)(A)(B)(C)(D)
18.如圖所示之電路,當開關 SW 打開 (off) 時之 a、b 兩端電壓 Vab(off) 與 SW 閉合 (on) 時之 a、b 兩端電壓 Vab(on) 之關係為何?(統測 108)(A) Vab(off)=12Vab(on) (B) Vab(off)=4.5Vab(on) (C) Vab(off)=Vab(on) (D) Vab(off)=0.5Vab(on)
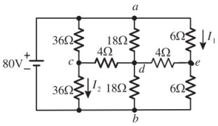
19.如圖所示之電路,則 E 和 I 之值各為何?(統測 108) (A) 36V,54A (B) 36V,36A (C) 54V,54A (D) 54V,36A
20.如圖所示之電路,則 I1 與 I2 之關係為何?(統測 108) (A) I1 = 12I2 (B) I1 = 6I2 (C) I1 = 3I2 (D) I1 = I2
21.求 A、B 端的等效電阻為何(如圖)?(身心障礙 112) (A)10Ω (B)20Ω (C)30Ω (D)40Ω
22.如圖所示,電流源兩端的電壓 V 為多少伏特?(身心障礙 112) (A) 0.03 伏特 (B) 0.3 伏特 (C) 0.06 伏特 (D) 0.6 伏特
23.將內阻 10kΩ、150V 之直流伏特計與另一台內阻 10kΩ、200V 之直流伏特 計串聯,則可量測之最高電壓為多少 V ?(自來水 111) (A)150 (B)200 (C)300 (D)350