所屬科目:泉勝◆基本電學(上冊)
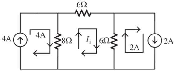
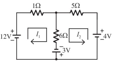
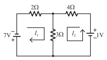
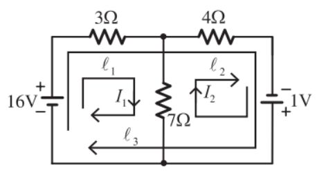
1.電路如圖,使用迴路電流法,求 I1=?
(A)1A(B)2A(C)3A(D)6A
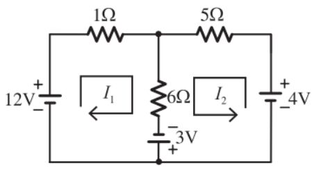
2.電路如圖,使用迴路電流法,求 I2=? (A)1A(B)2A(C)3A(D)6A
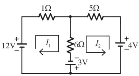
3.電路如圖,求 I7Ω。(A)1A 向下(B)1A 向上(C)2A 向下(D)4A 向下
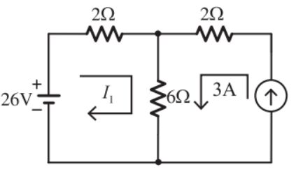
4.電路如圖,使用迴路電流法,求 I1=?(A)1A(B)2A(C)3A(D)6A
5.電路如圖,使用迴路電流法,求 I2=? (A)-1A(B)2A(C)3A(D)6A
6.電路如圖,求 I6Ω。(A)1A 向下(B)1A 向上(C)2A 向下(D)4A 向下
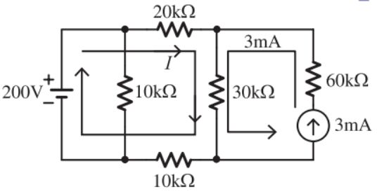
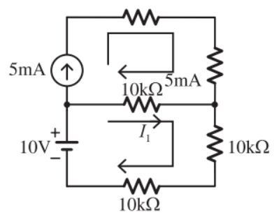
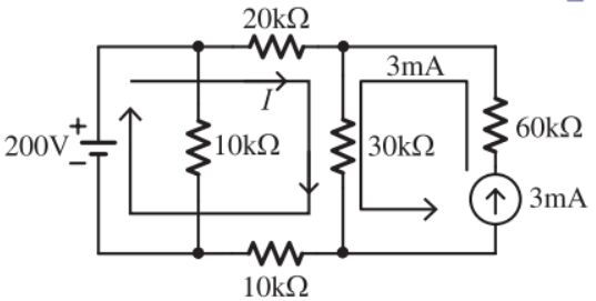
7.電路如圖,使用迴路電流法,求 I?(A)0A(B)1.8mA(C)2mA(D)4mA
8.電路如圖,使用迴路電流法,求 I30kΩ?(A)0A(B)1.2mA(C)1.8mA(D)4.8mA
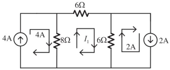
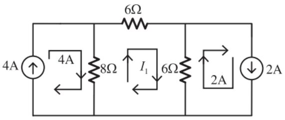
9.電路如圖,使用迴路電流法,求 I1=?(A)1A(B)-2A(C)3A(D)6A
10.電路如圖,使用迴路電流法,求 I2=?(A)1A(B)2A(C)3A(D)6A
11.電路如圖,求 I3Ω。(A)1A 向下(B)1A 向上(C)2A 向下(D)4A 向下
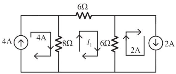
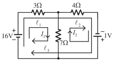
12.電路如圖,使用迴路電流法,求 I1?(A)1A(B)1.8A(C)2A(D)4A
13.電路如圖,求 I6Ω?(A)1A(B)1.8A(C)2A(D)4A
14.電路如圖,使用迴路電流法,求 I1?(A)1A(B)2A(C)2.2A(D)4A
15.電路如圖,使用迴路電流法,已知 I1=2.2A,請問 I8Ω=?(A)0.2A 向下(B)1.8A 向下(C)2.2A 向下(D)4A 向上
16.電路如圖,使用迴路電流法,已知 I1=2.2A,請問右邊 I6Ω=?(A)0.2A 向下(B)1.8A 向下(C)2.2A 向下(D)4A 向上
17.電路如圖,使用迴路電流法,已知 I1=2.2A,請問上面 I6Ω=?(A)0.2A 向下(B)1.8A 向下(C)2.2A 向右(D)2.2A 向左
18.電路如圖,使用迴路電流法,求 I1?(A)1mA(B)2mA(C)2.2mA(D)4mA
19.電路如圖,求 I?(統測 111)(A)0A(B)2mA(C)3mA(D)4mA