所屬科目:泉勝◆基本電學(上冊)
1.多個電源時,可以考慮使用重疊定理。(A)O(B)X
2.使用重疊定理,被忽略的電流源,先斷路。(A)O(B)X
3.使用重疊定理,被忽略的電壓源,先斷路。(A)O(B)X
1.電路如圖,使用重疊定理,僅考慮 9V 電源時,I6Ω=?(A)1A(B)2A(C)3A(D)6A
2.電路如圖,使用重疊定理,僅考慮 3A 電源時,I6Ω=?(A)1A(B)2A(C)3A(D)6A
3.電路如圖,求 I?(A)1A(B)2A(C)3A(D)6A B
4.電路如圖,求 Va?(A)12V(B)15V(C)16V(D)17V
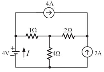
5.電路如圖,使用重疊定理,僅考慮 1A 電源時,I=?(A)1/3A(B)4/3A(C)3A(D)6A
6.電路如圖,使用重疊定理,僅考慮 2A 電源時,I=?
(A)1/3A(B)4/3A(C)3A(D)6A
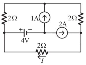
7.電路如圖,使用重疊定理,僅考慮 4V 電源時,I=?(A)0A(B)2A(C)3A(D)6A
8.電路如圖,使用重疊定理,若 3 個電源獨立運作的電流分別是 1/3A 向左、4/3A向左、0,求 I?(A)1A(B)2A(C)5/3A(D)6A
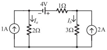
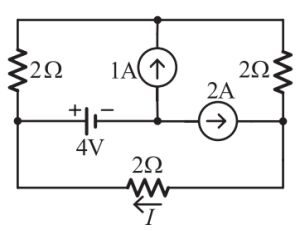
9.電路如圖,使用重疊定理,僅考慮 1A 電源時,Ia=?(A)1/3A(B)2/3A(C)1A(D)-2/3A
10.電路如圖,使用重疊定理,僅考慮 4V 電源時,Ia=?(A)1/3A(B)2/3A(C)1A(D)-2/3A
11.電路如圖,使用重疊定理,僅考慮 2A 電源時,Ia=?(A)1/3A(B)2/3A(C)1A(D)-2/3A
12.請問以下兩個電路是否等效?(A)等效(B)不等效
13.如圖所示之電路,試求節點電壓 Va 為何?(統測 105)(A)1V (B)2V (C)3V(D)6V
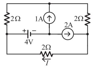
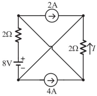
14.電路如圖,使用重疊定理,僅考慮 4V 電源時,I=?(A)4/5A(B)-4/5A(C)8/5A(D)-8/5A
15.電路如圖,使用重疊定理,僅考慮 4A 電源時,I=?(A)4/5A(B)-4/5A(C)8/5A(D)-8/5A
16.電路如圖,使用重疊定理,僅考慮 2A 電源時,I=?(A)4/5A(B)-4/5A(C)8/5A(D)-8/5A
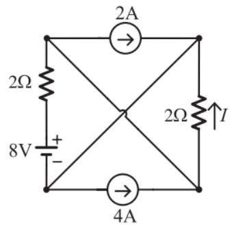
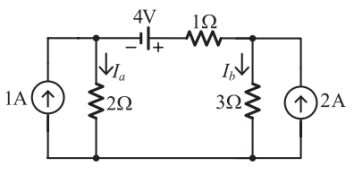
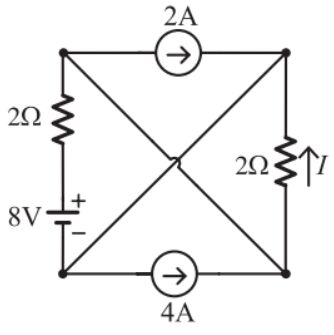
17.電路如圖,使用重疊定理,僅考慮 8V 電源時,I=?(A)2A(B)1A(C)-1A(D)-2A
18.電路如圖,使用重疊定理,僅考慮 2A 電源時,I=?(A)2A(B)1A(C)-1A(D)-2A
19.電路如圖,使用重疊定理,僅考慮 4A 電源時,I=?(A)2A(B)1A(C)-1A(D)-2A
20.電路如圖,求 I?(A)1A(B)2A(C)3A(D)6A