所屬科目:技檢◆機電整合-乙級
(A)單一或連續不同模式選擇 (B)啟動系統運轉 (C)緊急停止 (D)停止系統運轉
(A)單一或連續不同模式互切有效之運轉功能 (B)單一或連續不同模式互切無效之運轉功能 (C)單一切換有效、連續切換無效之運轉功能 (D)單一切換無效、連續切換有效之運轉功能 。
(A)單一或連續不同模式互切有效 (B)單一或連續不同模式互切無效 (C)單一切換有效、連續切換無效 (D)單一切換無效、連續切換有效
(A)FA:前法蘭型 (B)FB:後法蘭型 (C)FC:前法蘭加強型 (D)FD:後法蘭加強型
(A)CA:單山型 (B)LB:軸向腳座型 (C)FC:前法蘭加強型 (D)FD:後法蘭加強型
(A)CB:雙吊耳型 (B)FB:後法蘭型 (C)LB:軸向腳座型 (D)TB:後耳軸型
(A)CA:單山型(B)FA:前法蘭型 (C)LB:腳座型 (D)TA:前耳軸型
(A)CA:單山型 (B)FA:前法蘭型 (C)LB:腳座型 (D)TA:前耳軸型
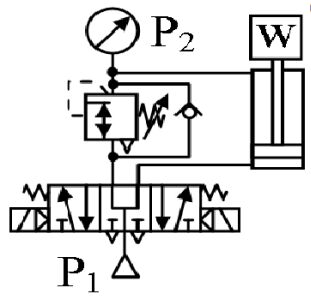
(A)釋壓 (B)變速 (C)平衡 (D)鎖固 迴路。
(A)釋壓 (B)平衡 (C)變速 (D)鎖固
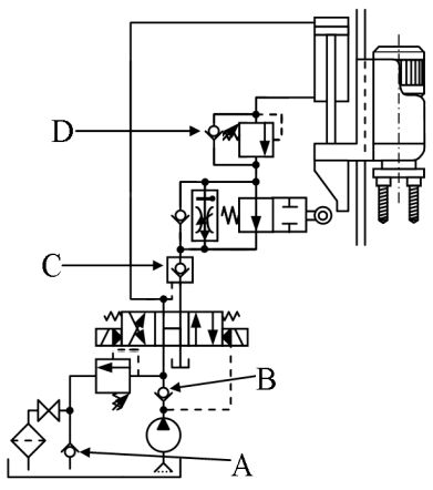
(A)(B)(C)(D)。
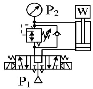
(A)鎖固 (B)釋壓 (C)變速 (D)平衡
(A) (B)(C) (D)。
(A)1.29 (B)1.65 (C)2.0 (D)2.92
(A)500 (B)1000 (C)1500 (D)2000 kgf。
(A)30 (B)40 (C)50 (D)60
(A)100 (B)125 (C)140 (D)150
(A)277 (B)292 (C)307 (D)322 。
(A)277 (B)292 (C)307 (D)322
(A)15 (B)18 (C)21(D)25
(A)15 (B)18 (C)21 (D)25
(A)0.3~0.5 (B)3.5~5 (C)8~10 (D)20~30