阿摩線上測驗
登入
首頁
>
技師◆材料力學
>
95年 - 95年專門職業及技術人員高等建築師、技師暨普通不動產經紀人、地政士結構工程技師#38295
> 申論題
題組內容
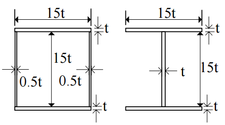
一、考慮一根長度為 L 之受扭構材,構材兩端受純扭矩 T 之作用,材料之剪力模數為 G 。今考慮圖示材料用量相同之箱形與 H 形兩種薄壁斷面,試回答下列問題。
⑴當斷面為箱形時,求構材兩端之相對扭轉角及斷面上之最大剪應力。(12 分)
相關申論題
⑵當斷面為 H形時,求構材兩端之相對扭轉角及斷面上之最大剪應力。(13 分)
#112658
⑴試求梁長中點 B 斷面(X=2m)處中性軸方程式。(12 分)
#112659
⑵試求梁長中點 B 斷面(X=2m)處之最大軸拉應力與軸壓應力σ x各為何值?分別 發生於何處(標示位置之 y、z 座標)?(8 分)
#112660
三、取一根斷面直徑d0 =200 mm 之實心鋼棒,另取一橡膠環片,其內徑d 稍微小於鋼棒 之直徑。已知橡膠環片之厚度t = 2 mm,寬度b = 20 mm。假設環片為線彈性,楊 氏模數E =4000 N/mm2 。今將該橡膠環片用手稍撐開後套入鋼棒,假設鋼棒不變形 ,試問橡膠環片之內徑d 為何值時,可以讓兩者間之接觸壓力達 3.3 N/mm2 。(15 分)
#112661
⑴試求本結構恰好達降伏狀態時之外力Py 及此時 B 點之向下位移∆y 。(答案須以 EI,L及M p表示)(15 分)
#112662
⑵試求本結構恰好達極限狀態時之外力Pu及此時 B 點之向下位移∆u。(答案須以 EI,L及M p表示);此外也請繪出此時梁之彎矩圖與二力桿之軸力圖。(25 分)
#112663
四、一水平鋼梁由一中間梁與兩側之短懸臂所組成,三者以鉸連接,且具有相同之矩形斷面,梁寬 b = 100 mm,梁深 h = 400 mm,其長度由左 至右,分別為 L1 = 800 mm,Lc = 2000 mm,L2 = 1000 mm。材料彈性 係數為 E = 200000 MPa。如果於中間梁之跨中央處施予一集中彎矩 。試繪出全梁(包括中間梁與兩側之短懸臂) M = 2 × 107 N·mm(圖 4) 之剪力圖與彎矩圖,並計算施加集中彎矩處之梁位移量與傾斜角。軸向 變形與梁自重皆可忽略。(25 分)
#557342
三、兩斷面相同之橫梁相互對向以懸臂方式固定於兩側剛性牆上(圖 3a),原長 L = 500 mm,斷面積 A = 50 mm2,在環境溫度為 T0 = 20℃的情況下, 兩梁中間隔著一個大小為δ = 0.1 mm 的間隙。左、右梁分別由材料 a 與材料 b 所製成,此二材料皆為雙線性彈塑性材料,在其應力-應變曲線中(示意如圖 3b),第一段斜率為 E1a = 200 GPa、E1b = 100 GPa,第二段斜率為 E2a = 20 GPa、E2b = 10 GPa;降伏點為σya = 200 MPa、σyb = 100 MPa;假設熱膨脹係數為常數,αa = 1.0 × 10-5 (1/℃)、αb = 1.6 × 10-5 (1/℃),試繪出溫度升高與梁內軸力之關係曲線。梁自重與端點效應可忽略不計。 (25 分)
#557341
二、一曲臂懸臂梁如圖 2 所示,其中,節點以英文字母 a、b、c、d 編號,梁則以數字 1、2、3 編號,各段梁長為 L1 = 1000 mm、L2 = 500 mm、 L3 = 250 mm,斷面為均勻實心圓,其半徑為 r = 10 mm,材料為結構鋼, 其彈性係數 E = 200000 MPa,柏松比ν = 0.25,剪力係數 G = 80000 MPa, 現於梁自由端之 x 與 y 方向施加集中力,分別為 Px = 120 N、Py = 100 N, 試繪出三段梁之自由體圖,請清楚標示其點位、受力大小與方向,力量可以單箭頭表示,力矩以圓弧箭頭或依據右手定則之雙箭頭表示皆可。 計算整個曲梁之最大法向應力σmax 與最大法向應變εmax,並指明其發生之點位。梁自重與端點接頭效應可忽略不計。(25 分)
#557340
一、等肢角鋼斷面如圖 1 所示,試求此斷面之幾何中心 GC.位置<Cx,Cy>,並 計算此斷面之面積二次慣量 Ixx、Iyy、Ixy。就一旋轉θ角度的座標而言, 其面積二次慣量 Ix'x'、Iy'y'、Ix'y'之主值以及與其對應之主軸角為何?其中, L = 0.150 m、t = 0.015 m。(25 分)
#557339
相關試卷
114年 - 114 專技高考_結構工程技師:材料力學#133661
114年 · #133661
114年 - 114 專技高考_大地工程技師(ㄧ):材料力學#127506
114年 · #127506
113年 - 113 專技高考_結構工程技師:材料力學#123908
113年 · #123908
113年 - 113 專技高考_大地工程技師(ㄧ):材料力學#120298
113年 · #120298
112年 - 112 專技高考_結構工程技師:材料力學#117648
112年 · #117648
112年 - 112 專技高考_大地工程技師(ㄧ):材料力學#114622
112年 · #114622
111年 - 111 專技高考_結構工程技師:材料力學#111960
111年 · #111960
111年 - 111 專技高考_大地工程技師(一):材料力學#108382
111年 · #108382
110年 - 110 專技高考_結構工程技師:材料力學#104219
110年 · #104219
110年 - 110 專技高考_大地工程技師(一):材料力學#101386
110年 · #101386