阿摩線上測驗
登入
首頁
>
工程力學概要
>
97年 - 97 經濟部所屬事業機構_新進職員甄試試題_輪機:工程力學#137047
> 申論題
題組內容
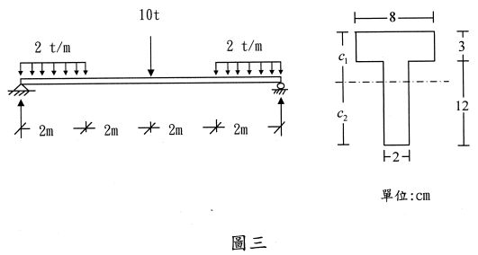
三、 如圖三樑,斷面尺寸單位為cm,力單位為t,應力單位為t/cm
2
,求
(一)樑斷面之中立軸位置cl、對中立軸之慣性矩I?
相關申論題
一、 如圖一,一質量20kg之重物C,放置於地面上,重物與地面之靜摩擦係數 = 0.25,動摩擦係數 = 0.2,AB桿長度為1.2m,問施力矩M多大時,重物C開始滑動。
#561841
(一)物塊A與B碰撞前瞬間之速度大小?
#561842
(二)物塊A與B碰撞後瞬間之速度大小?
#561843
(三)碰撞後對物塊B向下最大位移量為?
#561844
(二)樑內最大彎曲應力?
#561846
(一)一樑僅承受均佈力及集中力,其剪力圖如圖四,求樑之最大彎矩?(力單位:t)
#561847
(二)如圖五,那兩組力系互為等值力系?
#561848
(三)三塊木板尺寸相同(均為寬度b厚度t)疊置成一簡支樑,如圖六(a),假設木板間相互無摩擦,其抗彎強度為M₁,如將三塊鋼板以鐵釘釘牢,如圖六(b),使相互間不會滑動,其抗彎強度為M2,則M2為M₁之幾倍?
#561849
(一)如圖七,水流由斷面1、2匯流至斷面3,各管均為圓形管,斷面1之直徑為6cm,流速V₁=10m/sec,斷面2之直徑為4cm,流速V2=15m/sec,斷面3之直徑為10cm,求斷面3之流速V3?
#561850
(二)如圖八,某一輸水管出口處(B端)之直徑10cm,以0.1CMS(=m³/sec)之流量噴出,若A斷面前端以一部抽水機加壓,A斷面處之直徑為20cm,與B端之高差為5m,求經抽水機加壓後,A斷面處之壓力PA?
#561851
相關試卷
113年 - 112 臺灣菸酒股份有限公司_從業職員及從業評價職位人員甄試_從業職員_機械(中區):工程力學#137422
113年 · #137422
113年 - 113 臺灣菸酒股份有限公司_從業職員及從業評價職位人員甄試_從業職員_機械(南二區):工程力學#137381
113年 · #137381
112年 - 112 地方政府特種考試_四等_建築工程:工程力學概要#118375
112年 · #118375
112年 - 112 原住民族特種考試_四等_土木工程:工程力學概要#116538
112年 · #116538
112年 - 112 普通考試_土木工程、建築工程:工程力學概要#115704
112年 · #115704
112年 - 112 鐵路特種考試_員級_建築工程:工程力學概要#114936
112年 · #114936
112年 - 112 身心障礙特種考試_四等_土木工程:工程力學概要#113902
112年 · #113902
111年 - 111 地方政府特種考試_四等_建築工程:工程力學概要#112370
111年 · #112370
111年 - 111 原住民族特種考試_四等_土木工程:工程力學概要#110673
111年 · #110673
111年 - 111 普通考試_土木工程、建築工程:工程力學概要#109649
111年 · #109649