阿摩線上測驗
登入
首頁
>
工程力學(含靜力學、動力學與材料力學)
>
100年 - 100 鐵路特種考試_高員三級_機械工程:工程力學(包括靜力學、動力學與材料力學)#27222
> 申論題
題組內容
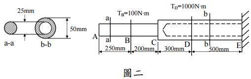
二、圖二所示為一傳動軸,其E端焊接於不動的機體,A端為自由。傳動軸剪力模數( shear modulus) G = 80GPa,施加於B處的軸向轉動扭矩(torque)T
B
=100N‧m,施 加於D處方向相同之軸向轉動扭矩T
D
= 1000N‧m。求(30 分)
⑴在A端的扭轉角度(φ
A
)。
相關申論題
⑴請判斷那幾支桿件為零力桿件(zero-force member)?
#47593
⑵請以計算證明其受力為零。
#47594
⑶在實際應用中,這些零力桿件既然不承受力量,是否可從桁架中移除,以節省材 料?請說明理由。
#47595
⑵繪出以扭矩為縱軸,軸向長度為橫軸,由傳動軸 A 至 E 各段之扭矩圖(the torque diagram)
#47597
⑶繪出以扭轉角度為縱軸,軸向長度為橫軸,由傳動軸 A 至 E 各段之扭轉角圖 (angle-of-twist diagram)。
#47598
三、力 F 作用在一剛體上,產生一微分位移 dr,則此力對剛體之作功定義為 dW = F‧dr 其中‧為向量的內積運算(the dot product)。 請條列並舉例說明力 F 在何種情況下對剛體不作功。(20 分)
#47599
四、如圖所示,已知 A、B 兩物塊重量分別為 10 kg 與 50 kg,且滑輪系統的繩長度為固定。試求從靜止釋放後,當 A 物塊速度達到 0.5 m/s 時,B 物塊 之速度與 A 物塊移動之距離各為何?(假設滑輪與支承座之重量可忽略 不計、重力加速度為 10 m/s2)(25 分)
#569853
三、如圖所示,有一直徑為 20 mm,長度 L =1 m 的鋼軸,此鋼軸強度可承受 t 的扭矩,其中 tB 為150 N • m/m ,試求其最大扭轉剪應力與扭轉角。(假設 鋼軸剪切模數 G 為 80 GPa)(25 分)
#569852
二、如圖所示,一有槽連桿於 O 點固定,其連桿以固定的角速度θ=4 rad/s 進行運動,使銷釘 P 沿著螺旋導軌 r = 0.5θ m 移動一距離,試求當θ=π/4 rad 時,銷釘 P 徑向與橫向的速度與加速度?(25 分)
#569851
一、如圖所示,有一簡支樑承受均變負載,試求其撓度的微分方程與最大撓度。(25 分)
#569850
相關試卷
115年 - 115 關務特種考試_三等_機械工程(選試英文):工程力學(包括靜力學、動力學與材料力學)#138918
115年 · #138918
114年 - 114 專技高考_機械工程技師:工程力學(包括靜力學、動力學與材料力學)#133710
114年 · #133710
114年 - 114 公務升官等考試_薦任_機械工程:工程力學(包括靜力學、動力學與材料力學)#133242
114年 · #133242
114年 - 114 專技高考_專利師(選試專業英文及工程力學)、專利師(選試專業日文及工程力學):工程力學#130105
114年 · #130105
114年 - 114 關務特種考試_三等_機械工程(選試英文):工程力學(包括靜力學、動力學與材料力學)#126623
114年 · #126623
113年 - 113 臺灣菸酒股份有限公司_從業評價職位人員試題_鍋爐:工程力學#132351
113年 · #132351
113年 - 113 專技高考_機械工程技師:工程力學(包括靜力學、動力學與材料力學)#123897
113年 · #123897
113年 - 113 專技高考_造船工程技師:工程力學(包括靜力學、動力學與材料力學)#123895
113年 · #123895
113年 - 113 專技高考_專利師(選試專業英文及工程力學)、專利師(選試專業日文及工程力學):工程力學#122211
113年 · #122211
113年 - 113 關務特種考試_三等_機械工程(選試英文):工程力學(包括靜力學、動力學與材料力學)#119496
113年 · #119496