阿摩線上測驗
登入
首頁
>
流體力學
>
100年 - 100 地方政府特種考試_四等_水利工程:流體力學概要#31564
> 申論題
題組內容
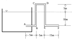
四、如圖,若自由液面高程當零,管CD高程為 5m,管AB和管EF高程都是負 10m。所有 管子都是直徑為 0.55m的圓管, 管子長度為AB=5m,BC=DE=15m,CD=5m, EF=15m。水的密度為1g/cm
3
,水的蒸氣壓力為 2300 N/m
2
,本題重力加速度請以 10m/s
2
來算,同時絕對大氣壓力等於 10m水深。回答以下兩種情況的問題:
⑵若管子中的流況為有黏性且有能量損失的流體,管子的摩擦係數為 0.03,且在 B、 C、D、E 四個轉彎口有次要損失,每處損失係數為 0.5;在 A 和 F 點有出入口損 失,每處損失係數為 1.0。
1出口 F 的流速為多少?(10 分)
相關申論題
一、兩圓球在無窮水體中落下,A 的體積為 B 的 8 倍,但 A 與 B 的重量相同。而 A 物 體的阻力係數(drag coefficient)為 B 物體的一半,請問最後的終端速度,A 與 B 的比例為何?請列出公式並據以回答,若沒有列公式,不解釋,僅回答比例,本題 無分。(10 分)
#70571
⑴ F 至少需要多大才能擋住水?(5 分)
#70572
⑵整個彎管系統ABCDEF的總受力為多少,請給合力的大小與方向。(水的密度為 1g/cm3 ,此處總受力要把板CD也算進去。)(10 分)
#70573
⑴這流場是非旋流嗎?把 vorticity 算出來並據以回答。(5 分)
#70574
⑵請證明 x 軸為一流線。(5 分)
#70575
⑶請計算這流場的加速度。(5 分)
#70576
⑴若把管子中的流況視為無黏性無能量損失的流體, 1出口 F 的流速為多少?(10 分)
#70577
2解釋何謂穴蝕,並說明 D 點會有穴蝕嗎?(10 分)
#70578
2 D 點會有穴蝕嗎?(10 分)
#70580
⑴在穩態均勻流條件下,同時假設水深遠小於渠寬,求水深與流速。(10 分)
#70581
相關試卷
115年 - 115 身心障礙特種考試_三等_水利工程:流體力學#138962
115年 · #138962
114年 - 114 地方政府公務特種考試_三等_水利工程:流體力學#134777
114年 · #134777
114年 - 114 地方政府公務特種考試_四等_水利工程:流體力學概要#134736
114年 · #134736
114年 - 114 專技高考_水利工程技師:流體力學#133675
114年 · #133675
114年 - 114 公務升官等考試_薦任_水利工程:流體力學#133259
114年 · #133259
114年 - 114 普通考試_水利工程:流體力學概要#128762
114年 · #128762
114年 - 114 高等考試_三級_水利工程:流體力學#128749
114年 · #128749
114年 - 114 身心障礙特種考試_三等_水利工程:流體力學#126638
114年 · #126638
113年 - 113 地方政府公務特種考試_三等_水利工程:流體力學#124528
113年 · #124528
113年 - 113 地方政府公務特種考試_四等_水利工程:流體力學概要#124496
113年 · #124496