阿摩線上測驗
登入
首頁
>
流體力學
>
100年 - 100 地方政府特種考試_三等_水利工程、環境工程、機械工程:流體力學#31565
> 申論題
申論題
試卷:100年 - 100 地方政府特種考試_三等_水利工程、環境工程、機械工程:流體力學#31565
科目:流體力學
年份:100年
排序:0
申論題資訊
試卷:
100年 - 100 地方政府特種考試_三等_水利工程、環境工程、機械工程:流體力學#31565
科目:
流體力學
年份:
100年
排序:
0
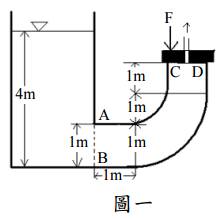
題組內容
一、如圖一,一個大水桶的水經過一個方型截面彎管連出去,截面為 1m × 1m,彎管前 後段各有 1m的直管段,中間是一段四分之一圓的彎管,管最後的出口由一塊木塊 擋住,但是木塊中央有一個直徑為
公分的孔,因此會有水柱衝出。假設木塊上 的力量夠大,可以讓木塊留在原地,也因為孔很小,因此彎管內水可以視為靜止。 重力加速度為 10m/s
2
,請問:
申論題內容
⑵整個彎管管壁ABCD的總受力為多少,請給合力的大小與方向。(水的密度為 1g/cm
3
)(10 分)