所屬科目:教甄◆物理科專業
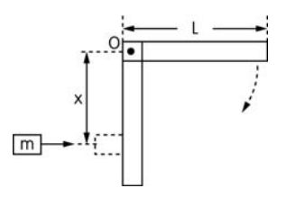
1.有一帶電小球質量為 m,用長為 L 的絕緣細線懸在水平向左的均勻電 場 中,當小球靜止時懸線與鉛直 方向夾角為 45°,如圖所示。 現把小球移至最低點A,欲使小球能繞 O 點在鉛直面作圓周運動,則在最低點 A 時小球的動能至少需 (1) mgL。
2.水平面上一質量 1 kg 之物體將一彈性常數為 100 N/m 的彈簧壓縮 d 後自靜止釋放,物體經一光滑軌道由 A → B → C → D → E 如圖,其中 BCD 為一 半徑 為 2 m 的鉛直圓周, g= 10 m/s2 。若物體至少要至 E 點,則彈簧壓縮量 d 最小為 (2) 。
3.如圖所示,在斜角 30°的斜面上一點 p, 以相同的初速度與水平成 45°分別拋出 A 與 B 兩物體, A 向斜面上拋、而 B 向斜面下拋, 不計空氣阻力,A 與 B 分別落於斜面,則: A 與 B 的飛行時間之比值為 (3) 。 (答案不得以三角函數型式表示)
4.如圖,氣球質量 m,鐵塊質量 3m,兩者以輕繩連接。 當氣球受水平風力作用時,氣球與鐵塊作水平等加速度運動, 輕繩與鉛直線夾 37°。現以剪刀將輕繩剪斷,若風力不變, 不考慮空氣阻力,求此時氣球之加速度= (4) g。 (設重力加速度為 g)
5.質量為 2kg 的物體連結在一不計質量的彈簧上, 彈簧的原長為 0.6m,彈性常數 k=32N/m, 將物體自 A 點靜止釋放,使其下落,當落至 B 點時,彈簧全長為 1.6m,如圖所示。 物體在 B 點時速度與水平的夾角θ的餘弦值 cosθ為 (5) 。 (g=10m/s2 )
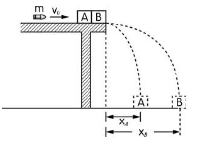
6.兩塊質量均為 2m 的木塊 A 和 B 放在光滑的桌面上,並排靠在一起,如圖所示。 一顆質量為 m 的子彈,以 v0 的水平速度從左方飛來射向 A,射穿 A 後,接著射入 B 並滯留在 B 中。子彈射穿 A 過程中,B 與 A 始終靠在一起, 測得 A、B 之落地點距桌邊的水平距離比 xA: xB=1:2, 求子彈消耗在 A、B 木塊中的力學能比為 (6) 。
12.一個質量為 m,帶有電荷-q 的小絕緣膠塊,可在水平軌道 x 軸 上運動,O 端有一與軌道垂直的固定牆,軌道處於均勻電場中, 電場強度大小為 E,方向沿+x 軸方向,如右圖所示,絕緣膠塊 以初速 v0從 x=x0的位置沿+x 軸軌道運動,運動時受到大小不變 的摩擦力 f 作用,且 f<qE。設絕緣膠塊與牆碰撞時不損失力學 能且電量保持不變。求它在停止運動前所通過的總路程為 (13) 。
13.如圖是一個直徑為 D 的圓柱體,其側面刻有螺距為 h 的螺旋形凹槽,槽內有一小球,為使小球能自由落下,必須要以多大的加速度來拉纏在圓柱體側面的繩子 (14) (重力加速度為 g)。
14.如圖所示,雲霄飛車由許多車廂組成,列車全長 L,圓型軌道半徑為 R(R 遠大於車廂高度及長 度,且 L>2πR)。試問:列車在水平軌道上應具有多大初速度,才能防止列車開上圓軌道時車廂脫離軌道? (15) (假設軌道光滑,重力加速度為 g)
15.施一力 F 將動滑輪上拉時,如圖所示,已知木塊 M 上升的加速度為 a,已知 M>m,則 動滑輪上升的加速度為_____(16)_____ (重力加速度為 g)。
16.一密度大於水、不透水的均質半球形物體以細繩懸之,使浸入水中,半球的平面 部分平行於水面,如圖所示.設半球的半徑為 R、重量為 W,細繩的延長線通過 球心 O,半球的底面距水面的高度為 h.水的密度為ρo,重力加速度為 g,則平衡時,水對半球的曲面部分的合力量值為若干? _____(17)_____。
17.一固定在地面的直立圓筒,其內壁光滑,內置一截面積為 A 的活塞.起始時,活塞 懸掛在一力常數為 K 的彈簧下端,使延伸長如圖所示.活塞下方的空氣柱高度為 L.筒內氣體)溫度為 To,其壓力等於筒外的大氣壓力 Po.現將筒內的氣體加熱,使 其體積緩緩地增大為原來的 2 倍,活塞上升壓縮彈簧.若筒內的氣體可視為理想 氣體,則筒內氣體的最後溫度為何(以已知量表示之)? _____(18)_____
(2)在這兩種情況下,彈簧的最大伸長量之比是多少? (20)
19.求掛在兩個彈簧上的均勻木塊的振動周期.兩彈簧彈力常數分別為 k1和 k2(k1>k2),穿過輕滑輪上的繩是不可伸長的, 木塊質量為 M. (21)
20.如圖所示,甲球和乙球均從同一高度處水平拋出,出發點離水平 地面的高度為 H. 兩球的水平初速分別為 v1 和 v2 ( v1 > v2 ),甲球拋出後剛好能越過 位於 x p 處的垂直欄杆的頂端,並落於地面上的 R 點,R 點與 O 點 的距離為 R。乙球拋出後落於地面,與地面作彈性碰撞,反彈後也剛好越過欄杆頂,並落在同一點 R.試求欄杆的位置xp = (22) 。(以 R 表示,答案中不可有 h)
21.如圖所示,一質量為 m=20 公斤的 T 型鋼製零件, 架在兩個完全相同的平行長直滾軸上. 滾軸半徑為 r=0.25(m),兩滾軸在同一水平面內, 繞各自的中心軸以相同的角速度ω=40 弧度/秒, 作反方向轉動。 鋼件與滾軸間的摩擦係數為μ=0.20. 為使鋼件以 vo =0.05(m/s)的速度沿滾軸作等速直線運動,需沿滾軸的長度方向施以水平作用力 F. 試求此水平作用力 F 的大小約為多少牛頓? (23) (取至小數點後一位)。 (設重力加速度 g=10m/s2 )
22.如圖所示,長的細繩一端綁一質量為 m 的小球, 某人手持繩的另一端在水平地面上繞定點 O 作等速圓周運動 ,手所繞的圓周半徑為 r,角 速度為 ω,已知細繩始終與該圓周相切,試求小球與水平地面之間的摩擦係數 μ= (24) 。 (設重力加速度 g)
23.一根長為 L,質量為 M 的均質棒,可繞通過其一端的水平光滑軸自由轉動,假設棒由水平位置自由落下,當它轉到豎 直位置時,正好與由另一邊水平飛來質量為 m 的小物體相 碰(碰撞點與轉軸 O 相距 x),碰撞後兩者均停下來,若軸不受側向力的作用,棒的相對於轉軸 O 的轉動慣量為 ML2 ,則小物體的入射速度量值為 (25) 。(重力加速度 g)