所屬科目:技檢◆汽車修護-甲級
1. 如圖所示為 4 前進檔自動變速箱,若直接離合器與後離合器 ON,OD 制動帶未作用,第二制動帶作用束緊,則輸出軸在下列何種狀態?
(A)前進減速 (B)前進直接傳動 (C)倒車 (D)前進超速傳動。
2. 關於電瓶下列敘述何者正確? (A)電瓶電容量負載測試時電壓應在 9.6V 以上表示電瓶良好 (B)兩個 電容量不同的電瓶充電時以使用串聯充電較多 (C)以電瓶電動勢的大小來判斷電瓶充放電的程度(D)溫度高時量出電水比重比標準溫度時的比重高。
3. 屋頂隔熱可有效降低空調用電,下列何項措施較不適當? (A)屋頂儲水隔熱 (B)鋪設隔熱磚 (C)屋頂綠化 (D)於適當位置設置太陽能板發電同時加以隔熱。
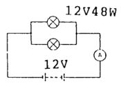
4. 12V 的電瓶一個與 12V48W 的燈泡兩個如下圖之接線,問燈泡一個的電阻為多少?
(A)6Ω (B)3Ω(C)1.5Ω (D)1Ω。
5. 通常 A/T 車輛之車速增加時,調壓閥油壓(Governor pressure)是 (A)變低 (B)不變 (C)OD 檔不變 (D)變高 因此車輛靜止間無法檢查。
6. 起動馬達的電樞軸如發生彎曲,在作負荷試驗時,會有什麼情況? (A)轉速慢,扭力和電流皆大(B)轉速和扭力大、電流小 (C)轉速慢和扭力小、電流大 (D)轉速快、扭力和電流皆大。
7. 事業招人承攬時,其承攬人就承攬部分負雇主之責任,原事業單位就職業災害補償部分之責任為 何? (A)仍應與承攬人負連帶責任 (B)視職業災害原因判定是否補償 (C)依工程性質決定責任 (D)依承攬契約決定責任。
8. 差速器盆形齒輪(Ring gear)磨擦接觸面落在跟部(Heel end)如何修正較正確? (A)調整盆形齒輪接近角尺齒輪 (B)調整盆形輪遠離角尺齒輪(Pinion) (C)角尺齒輪下方加墊片 (D)盆形齒輪換新。
9. 有關 MT 車液壓式離合器系統之敘述,下列何者正確? (A)離合器踏板-離合器總泵-液壓油-釋 放撥叉-分泵-推桿-釋放軸承 (B)離合器踏板-離合器總泵-分泵-推桿-液壓油-釋放撥叉- 釋放軸承 (C)離合器踏板-離合器總泵-液壓油-分泵-推桿-釋放撥叉-釋放軸承 (D)離合器踏 板-分泵-推桿-液壓油-離合器總泵-釋放撥叉-釋放軸承。
10. 起動馬達雙線圈式電磁開關中,只要點火開關一直在起動位置,一直有電流通過以吸住鐵蕊,不 使其退出,使馬達繼續搖轉引擎的電磁開關線圈是 (A)Pull-in coil (B)Field coil (C)Hold-in coil (D)Ignition coil。
11. 下列何者「不是」全球暖化帶來的影響? (A)熱浪 (B)地震 (C)洪水 (D)旱災。
12. 汽車工場在設計時,電線最大負載電流 20A,問最多能供應 220V 的馬達幾匹馬力? (A)約 3.9hp (B)約 4.9hp (C)約 5.9hp (D)約 6.9hp。
13. 有一液體扭力變換器,當輸入與輸出的轉速分別為 1500rpm 及 1300rpm 時,輸入與輸出軸的扭矩 各為 65kg-m 及 70kg-m,則此變換器的傳動效率為多少%? (A)95 (B)97 (C)90 (D)93。
14. 汽車修理廠為業務須要備置預備引擎,得向公路監理機關申領預備引擎使用證 (A)該引擎不一定是 新品,但必須經公路監理機關檢驗合格 (B)該引擎必須是新品,具新品證明則可 (C)該引擎必須是 新品,並須經公路監理機關檢驗合格 (D)該引擎不一定是新品,只要完整則可。
15. 機車為空氣污染物之主要排放來源之一,下列何者可降低空氣污染物之排放量:A.將四行程機車 全面汰換成二行程機車;B.推廣電動機車;C.降低汽油中之硫含量? (A)ABC 皆正確 (B)僅 AB (C) 僅 AC (D)僅 BC。
16. 如果排氣門早開 48°,V 型 6 缸四行程引擎之動力總重疊度數為 (A)48° (B)72° (C)50° (D)45°。
17. 根據性別平等工作法,下列何者非屬職場性騷擾? (A)公司員工執行職務時,遭到同事以「女人就 是沒大腦」性別歧視用語加以辱罵,該員工感覺其人格尊嚴受損 (B)公司員工執行職務時,客戶對 其講黃色笑話,該員工感覺被冒犯 (C)雇主對求職者要求交往,作為僱用與否之交換條件 (D)公司 員工下班後搭乘捷運,在捷運上遭到其他乘客偷拍。
18. 交流發電機加裝兩個中性點整流粒是為了 (A)在低轉速時,增加輸出電流 (B)在高轉速時,增加輸 出電流 (C)在低轉速時,增加輸出電壓 (D)在高轉速時,增加輸出電壓。
19. 配備有恆溫空調系統的車輛,其外界溫度感知器(Outside Temperature Sensor)大多裝在下列何者 附近? (A)壓縮機 (B)蒸發器 (C)儀錶板上 (D)冷凝器。
20. 汽油引擎於接近理論混合比操作時,其有關排氣排放濃度之敘述,下列何者正確? (A)NOx 偏高 (B)HC 偏高 (C)CO 偏高 (D)NOx 偏低。
21. 我國汽機車移動污染源空氣污染防制費的徵收機制為何? (A)隨水費徵收 (B)購車時徵收 (C)依牌照 徵收 (D)隨油品銷售徵收。
22. 依環境教育法,環境教育之戶外學習應選擇何地點辦理? (A)海洋世界 (B)森林遊樂區 (C)遊樂園 (D) 環境教育設施或場所。
23. 一般而言,水中溶氧量隨水溫之上升而呈下列哪一種趨勢? (A)增加 (B)不一定 (C)減少 (D)不變。
24. 有流產病史之孕婦,宜避免相關作業,下列何者為非? (A)避免重體力勞動的職務 (B)避免砷或鉛 的暴露 (C)避免提舉 3 公斤重物的職務 (D)避免每班站立 7 小時以上之作業。
25. 下列何者是以步進馬達方式控制? (A)電動窗 (B)恆溫空調機混合門 (C)電動後視鏡 (D)雨刷馬達。
26. 使用膜片式離合器機構之車輛,下列那一種情況較不可能產生離合器片打滑? (A)離合器釋放軸承 有雜音 (B)離合器沾上油污 (C)離合器壓板膜片彈簧彈力不足 (D)離合器壓板翹曲。
27. 引擎冷卻系統中,節溫器閥設計在引擎出水口端(汽缸蓋上)或水泵進水口端前方(汽缸體上)差異 之敘述,下列何者不正確? (A)出水口端之節溫器閥的初開溫度較高 (B)引擎暖機中,出水口端之 節溫器的旁通水流經節溫器流回至水泵 (C)引擎暖機中,進水口端之節溫器的旁通水流未經節溫 器,直接流回至水泵,故其節溫器閥的初開溫度低 (D)出水或進水口端之節溫器的初開溫度均高。
28. VE 型柴油噴射泵,當柱塞之洩放孔自控制套筒露出時產生 (A)均壓行程 (B)噴射結束行程 (C)進油 行程 (D)噴射開始行程。
29. 減輕皮膚燒傷程度之最重要步驟為何? (A)立即刺破水泡 (B)立即在燒傷處塗抹油脂 (C)在燒傷處塗 抹麵粉 (D)儘速用清水沖洗。
30. 某甲於公司擔任業務經理時,未依規定經董事會同意,私自與自己親友之公司訂定生意合約,會 觸犯下列何種罪刑? (A)侵占罪 (B)貪污罪 (C)詐欺罪 (D)背信罪。
31. 真空補助煞車系統,簡易檢查氣密之方法是將引擎發動後踩住煞車,煞然後引擎熄火,踏板行程 維持不變達 (A)60 秒 (B)10 秒 (C)5 秒 (D)30 秒。
32. 如圖所示的點火系統電路中,電阻 R1 的功能為
(A)保護白金組 (B)保護電晶體 Tr1 (C)使 Tr1 電晶體 的射極、基極構成逆向偏壓 (D)使 Tr1 電晶體的射極、基極構成順向偏壓。
33. 使用真空錶測試引擎進氣岐管真空時,下列何者不能測知 (A)進氣岐管是否漏氣 (B)那一缸活塞環 磨損 (C)氣門正時是否正確 (D)排氣系統是否堵塞。
34. 燃油電動泵內電刷與整流子間易引起火花而不會發生危險,其主要原因為缺少 (A)氫氣 (B)氯氣 (C) 氧氣 (D)氮氣。
35. 排氣量為 1500cc 的四缸四行程引擎,當指示平均有效壓力為 10kgf/cm2,機械效率 80%,則於3200rpm 時之制動馬力為多少 PS (A)41.66 (B)43.66 (C)40.66 (D)42.66。
36. 有關恆溫空調系統中,陽光感知器的特性敘述,下列何者正確? (A)空氣混合控制板與暖氣閥會在 溫暖的季節中關閉 (B)在空調操作中,當陽光的強度增加時,鼓風機風扇速度會增加 (C)壓縮機的 速度會在外部溫度高時增加 (D)空調會在夜間或行駛於黑暗的地方時自動關閉(即隧道或停車場)。
37. 檢查煞車踏板之踩緊高度(Depressed height),正確作法 (A)引擎熄火、踏力規定值 (B)引擎發動、 踏力規定值 (C)引擎發動、踏力無限值 (D)引擎熄火、輕踩踏板。
38. 下列有關工作場所安全衛生之敘述何者有誤? (A)事業單位應備置足夠的零食自動販賣機 (B)對於 勞工從事其身體或衣著有被污染之虞之特殊作業時,應備置該勞工洗眼、洗澡、漱口、更衣、洗 濯等設備 (C)勞工應定期接受健康檢查 (D)事業單位應備置足夠急救藥品及器材。
39. VE 型柴油噴射泵,撥動下列何者可改變柱塞的有效行程? (A)正時器 (B)齒桿 (C)控制套筒 (D)調速 套筒。
40. 檢查噴油嘴滴油時,將噴油嘴裝於噴油嘴試驗器上,扳動試驗器搖桿使油壓錶指針上升至 (A)與噴 射壓力相等 (B)比規定高 20kg/cm2 (C)比規定低 20kg/cm2 (D)100kg/cm2。
41. 常見輪胎邊緣(Bead)紅色記號與鋼圈(Rim)白色記號對準,目的在於調整 (A)徑向均一性 (B)橫向均 一性 (C)動平衡 (D)靜平衡。
42. 汽車修理業者在道路上停放承修車輛,執法人員應令業者將車輛移置適當場所而業者不予移置者 (A)得由執法人員為之,並收取移置費 (B)可協商在一定時間內改善 (C)得告之執法人員保證 1 小時 內移置則可 (D)執法人員應協助移置。
43. 冷卻系統中之水箱阻塞不通時應如何處裡? (A)高壓空氣沖洗 (B)蘇打水或高壓槍沖洗 (C)肥皂水沖 洗 (D)硫酸沖洗。
44. 根據性別平等工作法,下列何者非屬職場性別歧視? (A)雇主考量男性賺錢養家之社會期待,提供 男性高於女性之薪資 (B)雇主事先與員工約定倘其有懷孕之情事,必須離職 (C)雇主考量女性以家 庭為重之社會期待,裁員時優先資遣女性 (D)有未滿 2 歲子女之男性員工,也可申請每日六十分鐘 的哺乳時間。
45. 測試功能正常的起動馬達如圖所示,當開關 ON 時、是
(A)電磁開關吸入線圈作動將起動馬達小齒 輪推出 (B)電磁開關吸入線圈及吸住線圈作動將起動馬達小齒輪拉回 (C)電磁開關吸住線圈作動將 起動馬達小齒輪推出 (D)起動馬達電樞運轉。
46. 冷卻水溫度感知器是屬於何種型式 (A)電壓產生型 (B)正係數熱敏電阻型 (C)數位型 (D)負係數熱敏電 阻型。
47. 液壓動力輔助轉向機,下列敘述何者正確? (A)設定油泵吐出量,低速時較大 (B)油壓泵使用煞車 油 (C)高速行駛操作力與手動轉向機相同 (D)最高油泵壓力 20kg/cm2。
48. 汽車之冷卻系統在更換冷卻水後 (A)有副水箱者需放空氣 (B)不必放空氣 (C)無副水箱者需放空氣 (D) 引擎或水管高於水箱者需放空氣。
49. 汽車冷氣出風口溫度忽高、忽低,其可能故障原因為 (A)冷氣系統中有水份 (B)膨脹閥調整不當 (C) 冷媒量不足 (D)壓縮機電磁離合器故障。
50. 有關 OBDⅡ故障碼(DTC)P0133 之敘述,下列何者正確? (A)是 SAE 之 DTC (B)是製造廠特定之 DTC (C)是車身之 DTC (D)是底盤之 DTC。
51. 有關循跡控制系統(TCS)之敘述,技師甲說:汽車在加速瞬間若驅動輪將打滑,可將噴射時間延 長,以防止車輪打滑;技師乙說:汽車在加速瞬間若驅動輪將打滑,可將變速箱降低一個檔位, 以防止車輪打滑,下列何者正確? (A)技師甲對,技師乙錯 (B)技師甲及技師乙均對 (C)技師甲及技 師乙均錯 (D)技師甲錯,技師乙對。
52. 下列有關 Traction Control System 的敘述何者正確 (A)能防止在結冰路面上急加速時驅動輪驅動力 不足 (B)能增加在積雪路面上急加速時驅動輪驅動力 (C)儀錶板 TCS 指示燈持續一直亮著時表示警 告駕駛者該系統故障 (D)能防止左右驅動輪在摩擦係數相差很大路面上產生單側打滑。
53. 按照現行法律規定,侵害他人營業秘密,其法律責任為: (A)刑事責任與民事損害賠償責任皆不須 負擔 (B)僅需負民事損害賠償責任 (C)刑事責任與民事損害賠償責任皆須負擔 (D)僅需負刑事責任。
54. 引擎熄火後水箱內的水氣凝結期間,壓力式水箱蓋內各控制活門的動作為 (A)壓力活門、真空活門 都關閉 (B)壓力活門開、真空活門關 (C)壓力活門關、真空活門開 (D)壓力活門、真空活門都打開。
55. 在檢修附有煞車輔助增壓器之煞車系統時,在引擎發動時踩踏住煞車踏板,然後將引擎熄火,下 列檢修動作之判斷敘述何者操作正確?技師甲說:如果可以維持 30 秒以上表示真空管單向閥未 打開故障;技師乙說:該試驗稱為增壓器之無負載氣密試驗, (A)技師甲、乙皆非 (B)技師乙對 (C) 技師甲、乙皆對 (D)技師甲對。
56. 某技師檢修電系時在電錶上讀取到一組數位方波,而脈波的 ON-OFF 時間分別是 20ms/30ms,則 其 duty cycle ratio 為多少? (A)40% (B)20% (C)10% (D)50%。
57. 若真空輔助煞車的大氣與真空兩面壓力差為 0.6kgf/cm2 時,膜片直徑為 15cm,則作用於膜片之 作用力為 (A)270kgf (B)9kgf (C)106kgf (D)135kgf。
58. 電鍋剩飯持續保溫至隔天再食用,或剩飯先放冰箱冷藏,隔天用微波爐加熱,就加熱及節能觀點 來評比,下列何者是對的? (A)優先選電鍋保溫方式,因為馬上就可以吃 (B)兩者一樣 (C)持續保溫 較省電 (D)微波爐再加熱比較省電又方便。
59. 有關可變氣門正時的敘述,下列何者錯誤? (A)水溫低時,應增加氣門重疊角度,以增加進氣並減 少活塞上行阻力 (B)引擎低速時,應減少氣門重疊角度以確保引擎穩定度 (C)起動時應減少氣門重 疊角度以減少進氣側排氣回流 (D)引擎高速時,應延後進氣門關閉以改善容積效率。
60. 照明控制可以達到節能與省電費的好處,下列何種方法最適合一般住宅社區兼顧節能、經濟性與 實際照明需求? (A)加裝 DALI 全自動控制系統 (B)晚上關閉所有公共區域的照明 (C)走廊與地下停 車場選用紅外線感應控制電燈 (D)全面調低照明需求。
61. 如圖所示進行汽缸壓縮壓力檢修之檢測數據,後續再進行第二次濕汽缸壓縮壓力檢測其數據也幾 乎相同,針對壓力偏低缸故障原因的敘述何者錯誤?
(A)排汽門燒毀 (B)進汽門座燒毀 (C)汽缸床墊 燒毀 (D)活塞環斷裂。
62. 對顧客抱怨所持的心態,下列敘述何者正確? (A)了解後迅速採取行動進行處理,避免小怨積大 (B)顧客提出的要求,應該先傾聽了解並先致意 (C)對無理的顧客要求,不予理會 (D)視抱怨為改善 的動力。
63. 實施汽缸漏氣試驗時,可以檢測下列何種故障? (A)活塞環磨損 (B)進氣門與座密閉不良 (C)汽缸床 墊洩漏 (D)進氣門桿與導管間隙過大。
64. 如圖所示,當鎖緊及放鬆引擎進氣歧管時,其操作順序何者錯誤? (A)放鬆 (B)鎖緊 (C)鎖緊 (D)放鬆 。
65. 如圖所示,係一 儲存式觸媒( storage catalyst)之柴油引擎排氣後處理系統,有關該系統之敘述下列何者正確﹖
(A)觸媒儲存材料為 BaCO3 (B)NOx 儲存式觸媒具強烈吸附 NO2 之特性 (C)當 NOx sensor 偵測排氣之 NO2 含量高時,會藉由 Broadband lambda oxygen sensor 改變排氣之 λ 值 (D)燃料硫含量不會影響系統效能。
66. 如圖所示,參考電壓為 5 V,下列何種狀況下,所測得的 ECT 感知器訊號電壓為 0 V?
(A)電路斷路 (B)ECT 感知器短路 (C)ECM 內部電路短路 (D)電路間短路。
67. 道路交通安全規則之附則,汽車方向燈相關規定,下列敘述何者正確? (A)閃爍次數每分鐘在 60 次以上,80 次以下 (B)方向燈鄰近淡黃色頭燈者限用橙色 (C)燈色應為橙色或黃色 (D)左右兩燈具應 對稱裝設。
68. 某車型的引擎轉速為 2000rpm,自排變速箱在直接傳動的情形下,角尺齒輪為 24 齒,盆形齒輪為96 齒,右前輪轉速為 800rpm,下列敘述何者錯誤? (A)左前輪轉速為 200 rpm (B)最終齒輪比為4:1 (C)角尺齒輪轉速為 1000rpm (D)目前此車為右轉彎。
69. 如圖所示之斷裂式軸承蓋(cracked cap)連桿之設計,下列何者不是其設計之目的
(A)軸承蓋與連桿 更佳之材料強度 (B)軸承蓋與連桿更佳之結合強度 (C)軸承蓋與連桿更佳之製造彈性 (D)軸承蓋與連 桿更佳之對正組裝。
70. 如圖所示有關 TPS 之敘述,下列何者錯誤?
(A)感測節氣門位置及加減速操作狀況,將其訊號送 給電腦做為電腦控制引擎點火正時、噴油嘴噴油量 (B)TPS 斷路時引擎無法發動 (C)油門全開時, VTA 與 E2 之間的電壓為 2.0V 以下 (D)VC 與 E2 的電壓為 3.0V。
71. 如圖所示為複合式動力車輛(HEV)之敘述,下列何者正確?
(A)為串聯式複合動力系統 (B)引擎直接 帶動發電機以進行高效發電 (C)馬達的負載較大,體積、重量較重 (D)為串並聯複合式動力系統。
72. 如圖所示為起動電路圖,當檢測時發現 V1=10.5V,V2=10.8V,V3=0V,下列敘述何者錯誤?
(A) 電源到啟動馬達 B 端線路斷路 (B)起動馬達磁場線圈斷路 (C)電瓶電容量不足 (D)電源與點火開關間 線路電阻過大。
73. 如圖所示車輛之控制單元電路,開關透過端子 1 輸入電源訊號後,控制單元會透過端子 2 供應電 源使燈點亮,有關此電路故障之判斷,下列何者正確?
(A)開關輸出端與控制單元端子 1 間斷路, 燈會亮起 (B)燈泡搭鐵端與車身短路,保險絲燒斷燈泡不亮 (C)端子 2 至燈泡電源端短路或斷路, 燈泡不作用 (D)保險絲端與開關電源端短路,會使保險絲燒斷。
74. 為提升顧客滿意度防止顧客流失,若您為服務廠廠長,請問要注意下列哪項指標? (A)廠每日營業 額是否達成目標 (B)顧客滿意度指標 (C)每台車的消費金額高低是否合理 (D)定期保養的回廠率。
75. 某引擎轉速為 1440rpm,檔位在 5 檔(齒輪比為 0.8:1),驅動小齒輪為 32 齒,環齒輪為 144 齒, 左後軸轉速 314rpm,下列敘述何者正確? (A)車輛現在正在右轉彎 (B)變速箱輸出轉數為 1800 rpm (C)車輛現在正在左轉彎 (D)右後軸轉速 486rpm。
76. 有關 100 kPa 壓力之單位轉換,下列何者正確? (A)100 kg/cm2 (B)1 bar (C)1 MPa (D)14.5 psi。
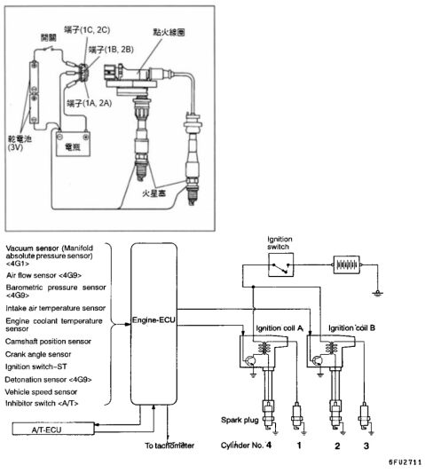
77. 如圖所示,係依修護手冊說明,安裝乾電池、開關及其他相關元件線路,其檢測目的之敘述,下 列何者正確?
(A)可以協助判斷 ECU 相關元件及線路至點火線圈側故障 (B)可以檢測高壓線電阻 (C) 可以檢測火星塞跳火電壓 (D)可以協助判斷點火線圈總成側故障。
78. 有關起動馬達測試操作之敘述,下列何者正確 ﹖
(A)如圖(a)所示,先將電磁開關 M 端導線拆下, 以接線將電瓶(+)端與 ST 端連接,再以接線將電瓶(-)端分別與 M 端及車身連接,進行吸入測 試 (B)如圖(b)所示,測試操作下,在正常狀態時驅動小齒輪會向內退回 (C)如圖(a)所示,測試操作 下,在正常狀態時驅動小齒輪不會向外推出 (D)於圖(a)所示,測試操作下,將電磁開關 M 端與電 瓶(-)端連接之接線分離,如圖(b)所示,進行吸住測試。
79. 汽油噴射引擎在減速時,其燃料切斷作用模式與下列何者有關? (A)點火時間 (B)冷卻水溫 (C)引擎 轉速 (D)節氣門位置。
80. 有關煞車性能之敘述,何者正確? (A)汽車行駛中若車輪被鎖定,易造成輪胎磨損 (B)汽車行駛中 若前輪被鎖定,將失去方向控制性 (C)汽車行駛中若後輪被鎖定,易產生甩尾現象 (D)煞車鼓之摩 擦力矩較車輪之摩擦力矩為大時,其煞車效果最佳。