所屬科目:技檢◆機電整合-乙級
1. 如下圖為伺服馬達驅動滑台機構圖,減速比 i=5、螺桿導程 L=8 ㎜、伺服馬達分解能 =131072 pulse/rev、電子齒輪比 ,若欲每輸出 1 pulse 滑台要有 2μm 移動量,則電子齒輪比為
(A)(B)(C)(D) 。
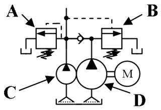
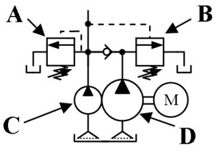
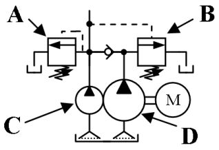
2. 如下圖有一組油壓系統供應泵浦,如小泵浦輸出流量 4、大泵浦輸出流量 24 、溢流閥 設定壓力 100kgf/cm2、卸載閥設定壓力 20kgf/cm2,用來驅動一支鑽孔油壓缸(ψ63×30×200)使其 有一半行程為快速移動、另一半慢速移動,則油壓缸慢速移動的流量為
(A)24 (B)32 (C)4 (D)28 /min。
3. 如將三相感應電動機之任意兩電源線對調,則此馬達的 (A)轉向相反 (B)轉向不變 (C)轉速增快 (D)轉 速減慢。
4. 有一減速比 e=1/5 之齒輪組帶動一支螺距 p=5mm 之雙線導螺桿,當輸入齒輪轉速 n1=200rpm 時,導螺桿之螺帽移動速度為多少 mm/min? (A)200 (B)100 (C)400 (D)300。
5. 已在職之勞工,首次從事特別危害健康作業,應實施下列何種檢查? (A)一般體格檢查 (B)一般體 格檢查及特殊健康檢查 (C)特殊健康檢查 (D)特殊體格檢查。
6. 若有一熱敏電阻的電阻與溫度關係為 RT=50+5T,其中 RT 為熱敏電阻的電阻值(單位 Ω),T 為溫度(單位℃)。下圖中,若 Vo 電壓為 3 伏特,此時溫度應為
(A)50℃ (B)30℃ (C)40℃ (D)20℃。
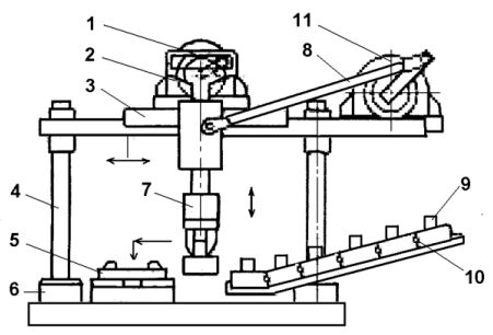
7. 如下圖為一取放裝置。若迴轉驅動器 11 與連桿 8 所組成曲柄機構單元推動滑塊 3 的移行距離設計不良,不會導致
(A)夾爪 7 無法正確將工件 9 放入承托板 5 (B)夾爪 7 無法正確將工件 9 從進給導 槽 10 取出 (C)工件 9 無法在進給導槽 10 進料 (D)夾爪 7 會與工件 10 產生碰撞。
8. 某規範明定地政機關進用女性測量助理名額,不得超過該機關測量助理名額總數二分之一,根據 消除對婦女一切形式歧視公約(CEDAW),下列何者正確? (A)土地測量經常在戶外工作,基於保 護女性所作的限制,不屬性別歧視 (B)此項二分之一規定是為促進男女比例平衡 (C)此限制是為確 保機關業務順暢推動,並未歧視女性 (D)限制女性測量助理人數比例,屬於直接歧視。
9. 利用三用電表測量正在轉動的馬達驅動電流安培數時,切至電流檔,紅黑探針應與馬達之電線 (A) 串聯 (B)並聯 (C)視交流或直流馬達而定 (D)串聯並聯均可。
10. 下列對於噪音管制法之規定,何者敘述錯誤? (A)噪音指超過管制標準之聲音 (B)人民得向主管機關檢舉使用中機動車輛噪音妨害安寧情形 (C)環保局得視噪音狀況劃定公告噪音管制區 (D)使用經校正合格之噪音計皆可執行噪音管制法規定之檢驗測定。
11. 如下圖有一組油壓系統供應泵浦,如小泵浦輸出流量 4 /min、大泵浦輸出流量 24 /min、溢流閥 設定壓力 100kgf/cm2、卸載閥設定壓力 20kgf/cm2,用來驅動一支鑽孔油壓缸(ψ63×30×200)使其 有一半行程為快速移動、另一半慢速移動,則油壓缸快速移動的流量為
(A)24 (B)4 (C)28 (D)32 /min。
12. 有一單桿雙動氣壓缸在摩擦係數為 0.2 的水平面移動 50 kgf 的物體,移動的距離為 200 mm,移動時間為 1 秒,1 分鐘做 15 次循環,工作壓力為 6 kgf/cm2。若以 20﹪與 80﹪的移動時間做等加速度與等速度(如下圖所示),則等速度為
(A)111.1 (B)22.2 (C)23.5 (D)78.4 cm/sec。
13. 下列各氣壓迴路圖,何者可得左圖之訊號 (A)(B)(C)(D) 。
14. 下列何者不是設置反貪腐專責機構須具備的必要條件? (A)賦予該機構的工作人員有權力可隨時逮 捕貪污嫌疑人 (B)賦予該機構必要的獨立性 (C)使該機構的工作人員行使職權不會受到不當干預 (D) 提供該機構必要的資源、專職工作人員及必要培訓。
15. 根據性別平等工作法規範職場性騷擾範疇,下列何者錯誤? (A)上班執行職務時,任何人以性要 求、具有性意味或性別歧視之言詞或行為,造成敵意性、脅迫性或冒犯性之工作環境 (B)雇主對受 僱者或求職者為明示或暗示之性要求、具有性意味或性別歧視之言詞或行為 (C)對僱用、求職或執 行職務關係受自己指揮、監督之人,利用權勢或機會為性騷擾 (D)與朋友聚餐後回家時,被陌生人 以盯梢、守候、尾隨跟蹤。
16. 下列傳動機件在運動時何者噪音最小? (A)鏈條 (B)連桿機構 (C)齒規皮帶 (D)齒輪。
17. 依職業安全衛生設施規則規定,下列何者非屬使用合梯,應符合之規定? (A)梯腳與地面之角度應 在 80 度以上 (B)有安全之防滑梯面 (C)合梯材質不得有顯著之損傷、腐蝕等 (D)合梯應具有堅固之 構造。
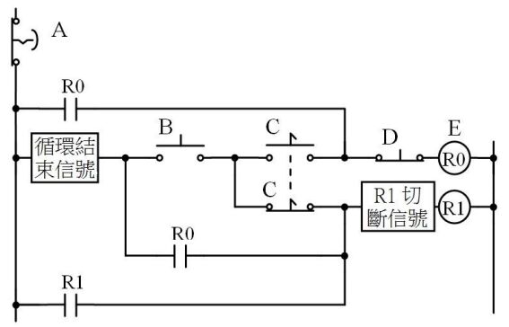
18. 如下圖電氣控制迴路,元件 C 作為系統
(A)緊急停止 (B)啟動運轉 (C)單一或連續不同模式選擇 (D)停 止運轉 之功能操作用。
19. 下列每一個圖之左邊為主動件,右邊為從動件。何者為旋轉運動轉成搖擺運動? (A)(B)(C)(D) 。
20. 閉迴路控制系統中,機械位移系統的阻尼因素一般在 (A)0.6~0.8 (B)0.3~0.6 (C)1.0 以上 (D)0.1~0.3。
21. 某公司希望能進行節能減碳,為地球盡點心力,以下何種作為並不恰當? (A)實行能源管理 (B)盤 查所有能源使用設備 (C)為考慮經營成本,汰換設備時採買最便宜的機種 (D)將採購規定列入以下 文字:「汰換設備時首先考慮能源效率 1 級或具有節能標章之產品」。
22. 可將旋轉中之兩軸,隨意使之結合或分離的是 (A)萬向接頭 (B)離合器 (C)聯軸器 (D)緩衝器。
23. 下列有關直流伺服馬達之敘述何者不正確? (A)定子是由永久磁鐵組成 (B)轉子是線圈繞組 (C)需換 向碳刷 (D)不需維護。
24. 製圖時,關於尺寸線之敘述何者不正確? (A)為求慎重,重要尺寸可在不同視圖重複標註 (B)尺寸 線距離視圖之外部輪廓線約為數字高度的二倍 (C)尺寸標註應自視圖外由小至大,較長尺寸線在較 短尺寸線外 (D)尺寸標註應盡量集中於前視圖。
25. 有關近接開關的描述,下列何者錯誤? (A)檢測物由遠方緩慢靠近,當近接開關產生動作時,從開 關前端面至檢測物的距離稱為檢測距離 (B)一般近接開關檢測物件設定的距離,係以檢測距離之70~80%為設定原則 (C)開關動作後檢測物緩慢遠離開關,當開關復歸時,從開關前端面至檢測物 的距離稱為復歸距離 (D)一般近接開關的檢測距離較復歸距離為長。
26. 外食自備餐具是落實綠色消費的哪一項表現? (A)重複使用 (B)降低成本 (C)環保選購 (D)回收再生。
27. 石綿最可能引起下列何種疾病? (A)間皮細胞瘤 (B)巴金森氏症 (C)白指症 (D)心臟病。
28. 重要機件鎖緊時需有適當的緊度,宜使用 (A)管鉗扳手 (B)活動扳手 (C)固定扳手 (D)扭矩扳手。
29. RS-232C 的有效通訊距離為______公尺以內。 (A)50 (B)150 (C)200 (D)15
30. 細懸浮微粒除了來自於污染源直接排放外,亦可能經由下列哪一種反應產生? (A)光化 學反應 (B)光合作用 (C)酸鹼中和 (D)厭氧作用。
31. 蓄壓器功用何者正確? (A)可減少系統的用油量 (B)可提高系統的操作壓力 (C)可延長每循環之工作 時間 (D)可補充油泵瞬間的吐出量之不足。
32. 下列何者不屬於一完整機器手臂(robot)系統的硬體架構之一? (A)動力供給設備 (B)致動器 (C)控制 器 (D)程式編輯軟體。
33. 依勞動基準法規定,雇主應置備勞工工資清冊並應保存幾年? (A)2 年 (B)5 年 (C)1 年 (D)10 年。
34. 家人洗澡時,一個接一個連續洗,也是一種有效的省水方式嗎? (A)否,這跟省水沒什麼關係,不 用這麼麻煩 (B)否,因為等熱水時流出的水量不多 (C)有可能省水也可能不省水,無法定論 (D)是, 因為可以節省等待熱水流出之前所先流失的冷水。
35. 下列何種元件的維護對油壓系統中元件壽命影響最大? (A)方向閥 (B)止回閥 (C)蓄壓器 (D)過濾器。
36. 斷電延遲型計時器,其動作方式為 (A)延時動作,延時復歸 (B)瞬時動作,瞬時復歸 (C)瞬時動作, 延時復歸 (D)延時動作,瞬時復歸。
37. 下列元件在正負壓力下,皆可正常操作者為 (A)(B)(C)(D) 。
38. 運算放大器如下圖所示,則輸出 vo=
39. 調整兩軸之同心度要獲得最佳狀況,使用何者量測較為合適? (A)塊規 (B)槓桿式量表 (C)游標卡尺 (D)分厘卡。
40. 下列何者燈泡的發光效率最高? (A)鹵素燈泡 (B)白熾燈泡 (C)LED 燈泡 (D)省電燈泡。
41. 一理想的電壓源,其內阻應為 (A)無窮大 (B)與負載大小成反比 (C)隨負載而定 (D)趨近零。
42. 下列何者不是使用螺紋的功能? (A)調整 (B)連接 (C)測量 (D)緩衝。
43. 電動機銘牌上所註明之電流係指 (A)超載電流 (B)滿載電流 (C)無載電流 (D)半載電流。
44. 下圖為______迴路。
(A)釋壓 (B)鎖固 (C)變速 (D)平衡
45. 液壓缸活塞面積 A 為 40cm2,作用在活塞桿上之軸向負荷 F 為 1200kgf,進油量 Q=12 L/min,則 活塞之前進速度為 (A)400 (B)500 (C)600 (D)300 cm/min。
46. 三相交流感應電動機使用 Y-△起動法,其主要目的為 (A)降低起動電流 (B)增加輸出功率 (C)提高起 動轉矩 (D)提高運轉效率。
47. 下列何者不是使用聯軸器的功能? (A)調整兩軸心中心線有限角度的偏差 (B)在兩軸間傳遞運動或 動力 (C)減少軸的傳動摩擦阻力 (D)調整兩軸心中心線不同心的微量偏差。
48. 下列關於三用電表之使用敘述何者不正確? (A)量測到之交流電壓值,為交流電壓之峰值 (B)負載 效應使量測得到之電壓值較實際值之電壓值低 (C)量測交流電壓值時,不必考慮正負極性 (D)量測 直流電流值時,需與待測電路成串聯連接。
49. 全球暖化潛勢(Global Warming Potential, GWP)是衡量溫室氣體對全球暖化的影響,其中是以何 者為比較基準? (A)SF 6 (B)N2O (C)CH4 (D)CO2。
50. 感應電動機之轉矩與 (A)電壓平方成反比 (B)電壓平方成正比 (C)電壓成反比 (D)電壓成正比。
51. 人機畫面若要 Bit 型開關為按鈕型(按下為 0 放開為 0),其功能勾選 (A)瞬間 (B)Bit Reset (C)Bit Set (D)Bit 反轉。
52. 如下圖有一組油壓系統供應泵浦,如小泵浦輸出流量 4 /min、大泵浦輸出流量 24 /min、溢流閥 設定壓力 100kgf/cm2、卸載閥設定壓力 20kgf/cm2,用來驅動一支鑽孔油壓缸(ψ63×30×200)使其 有一半行程為快速移動、另一半慢速移動,則油壓缸快速移動的速度為
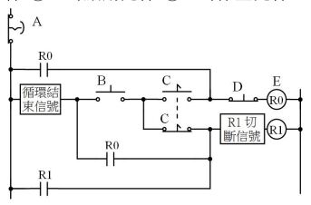
______m/min。
(A)8.99 (B)8.54 (C)1.28 (D)1.22
53. 空壓機第一次起動時,應注意 (A)起動電流、電壓 (B)旋轉速度 (C)轉動方向 (D)壓力變化。
54. 如下圖有一組油壓系統供應泵浦,如小泵浦輸出流量 4 /min、大泵浦輸出流量 24 /min、溢流閥設定壓力 100kgf/cm2、卸載閥設定壓力 20kgf/cm2,用來驅動一支鑽孔油壓缸(ψ63×30×200)使其 有一半行程為快速移動、另一半慢速移動,若油壓缸機械效率:0.92、容積效率:0.95、電動機驅動全效率:0.85,則驅動系統泵浦之電動機的最大功率需為______kw。
(A)1.08 (B)0.66 (C)0.92 (D)0.77
55. 小江是職場上的新鮮人,剛進公司不久,他應該具備怎樣的態度? (A)上班、下班,管好自己便可 (B)努力做好自己職掌的業務,樂於工作,與同事之間有良好的互動,相互協助 (C)只要做好人脈關 係,這樣以後就好辦事 (D)仔細觀察公司生態,加入某些小團體,以做為後盾。
56. 電路中使用電感與電容器穩壓時,應將 (A)電感及電容均與負載串聯 (B)電感及電容均與負載並聯 (C)電感與負載串聯,電容與負載並聯 (D)電感與負載並聯,電容與負載串聯。
57. 我國固定污染源空氣污染防制費以何種方式徵收? (A)依排放污染物之種類及數量徵收 (B)隨使用 原料徵收 (C)依營業額徵收 (D)按工廠面積徵收。
58. 如下圖的機構可以使工作滑台左右往復運動,方框*2 所指向的機構為
(A)緩衝器 (B)聯軸器 (C)離合 器 (D)導螺桿。
59. 人機畫面若要 Bit 型開關為按鈕型(按下為 1 放開為 0),其功能勾選 (A)Bit 反轉 (B)Bit Reset (C)瞬 間 (D)Bit Set。
60. 如下圖有一步進馬達驅動之導螺桿(導程為 10mm)式工作平台,其中馬達輸出軸與導螺桿間配 有一減速齒輪組。如工作平台之位移解析度為 0.002mm,步進馬達之步進角度為 1.8 度,則此減 速齒輪組之減速比應為
(A)1/12.5 (B)1/6 (C)1/9 (D)1/25。
61. 如下圖所示,各閥件之名稱敘述哪些正確?
(A)B 為啟動鈕 (B)C 為停止鈕 (C)E 為連續循環保持閥 (D)A 為緊急停止鈕。
62. 機台主軸馬達通常是以數條V形皮帶驅動主軸時,若其中一條斷裂,下列哪些項目不是應有的處 置方式? (A)除了更換該斷裂之皮帶外,至少再更換另一條 (B)該斷裂之皮帶換新即可 (C)該斷裂之 皮帶,可以重新接好再使用 (D)應全部更換新皮帶。
63. 下列三用電錶的使用敘述哪些正確? (A)測量電燈泡時,若電阻無限大,則表示此一燈泡瓦特數很 高 (B)使用 DCmA 檔位,電表應與負載並聯 (C)使用電阻檔量測正常繼電器的 B 接點,當繼電器線 圈未激磁時,電阻值應該是接近 0 歐姆 (D)測量交直流電壓,若不知待測電壓大小時,須從較大範 圍檔測量起。
64. 伺服馬達驅動之平台定位控制通常會加裝之感測器為 (A)光學尺 (B)減速機 (C)加速器 (D)旋轉編碼 器。
65. 游標卡尺可直接量測的項目為 (A)長度 (B)階段 (C)角度 (D)錐度。
66. 如下圖所示,為伺服馬達驅動滑台機構圖,減速比 i=5、伺服馬達分解能 P t =131072 pulse/rev、 電子齒輪比 ,如導螺桿每轉動 10 圈,滑台移動 80mm,若欲每輸出 1 pulse 滑台要有 2μm 移動量,下列敘述哪些正確?
(A)(B)螺桿之導程 L=8 mm (C)(D)螺桿之 導程 L=5 mm。
67. 下列哪些是影響 AC 感應馬達停止時過轉量的因素? (A)慣量 (B)轉速 (C)電壓 (D)剎車力。
68. 如下圖所示,管路阻力忽略不計,在溢流閥設定壓力 50 kgf/cm2、額定流量 20 l/min 時,止回閥 A、B 開啟壓力分別為 3、2 kgf/cm2,阻尼管 C 壓降為 5 kgf/cm2,下列敘述哪些正確?
______kgf/cm2。
(A)P1 壓力 為 7 (B)P 2 壓力為 7 (C)P 1 壓力為 50 (D)P 2 壓力為 5
69. 在生產線更換氣壓缸並安裝上/下定位感測器,試機時發現氣壓缸動作相反,但 PLC 程式顯示正 常,是因下列哪些原因造成的結果? (A)氣源壓力太高 (B)電磁閥誤動作故障 (C)定位感測器接反 (D) 氣壓管接反。
70. 有關感測器之敘述,下列哪些正確? (A)電感式感測器一般用於金屬類物體感測 (B)壓力開關之符號為 (C)壓力開關是一種將電氣信號轉換為壓力的介面元件 (D)靜電容式感測器可用於 非金屬類物體感測。
71. 如下圖所示,各元件之名稱,下列敘述哪些正確?
(A)C 為運轉模式切換元件 (B)A 為緊急停止元 件 (C)D 為啟動元件 (D)B 為停止元件。
72. 有關螺旋彈簧墊圈(spring washer)與螺帽搭配使用,下列敘述哪些正確? (A)有防止螺帽鬆脫之效 (B)右螺紋用右旋 (C)有保護工作表面功效 (D)右螺紋用左旋。
73. 有一步進馬達驅動一組定位工作平台,此步進馬達之全步進角度為 1.8°,驅動器以半步進法控制 步進馬達,馬達輸出軸與導螺桿間配有一 10:1 之減速齒輪組。若導螺桿每轉動 5 圈,滑台移動20 ㎜,下列敘述哪些正確? (A)滑台以平均速 0.6m/min 移動 50 ㎜所需之脈衝頻率為 5000H (B)步 進馬達每轉所需之脈衝命令(ppr)為 400 (C)螺桿之導程 L=5 ㎜ (D)滑台定位之解析度 R=1.0μm。
74. 如下圖所示,有一步進馬達驅動一組定位工作平台,此步進馬達之全步進角度為 0.72°,馬達輸出 軸配有一減速比 i 之減速齒輪組,齒輪組之輸出軸接至導螺桿。若導螺桿每轉動 5 圈,滑台移動30mm,此滑台定位之解析度 R=2.0 μm,下列敘述哪些正確?
(A)減速比 i =6:1 (B)減速比 i =5:1 (C)螺桿之導程 L=8 mm (D)螺桿之導程 L=6 mm。
75. 下列氣壓元件可在正負壓下操作且功能正常的為 (A)(B)(C)(D) 。
76. 有一單桿雙動氣壓缸在摩擦係數為 0.15 的水平面移動 100 kgf 的物體,移動的距離為 300 mm, 移動時間為 1 秒,1 分鐘做 20 次循環,工作壓力為 6 kgf/cm2。若以 20%與 80%的移動時間做等 加速度與等速度(如下圖所示),下列敘述哪些正確?
(A)最大負載:27 kgf (B)最大負載:32 kgf (C) 行程末端的衝擊能量:63.6 kgf-cm (D)行程末端的衝擊能量:56.7 kgf-cm。
77. PLC 人機介面之特色包括 (A)多機整合困難 (B)適合開關控制不適合類比控制 (C)具觸碰式螢幕 (D)具 可程式與數值運算功能。
78. 有關 12 bit 線性 DAC 模組,其輸出電壓為 0 ~10V(0 ~4000),如欲輸出 2.5V 之電壓,下列敘述 哪些正確? (A)本模組解析度為 1.25 mV (B)數位值需給 1000 (C)本模組解析度為 2.50 mV (D)數位值需給 2000。
79. 在已完成供電與供氣檢查,準備執行程式測試前,必須先檢查下列哪些項目? (A)感測器位置 (B) 控制盤位置 (C)機構位置 (D)電磁閥位置。
80. 滾珠螺桿所帶動之機構,下列敘述哪些正確? (A)與時規皮帶帶動之機構比較,有較高的移動速度 (B)螺桿之螺距愈小,則定位精度愈高 (C)螺桿之螺距愈大,則移動速度也愈快 (D)螺桿之螺距愈 大,則帶動馬達馬力需愈大。