所屬科目:技檢◆機電整合-乙級
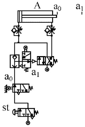
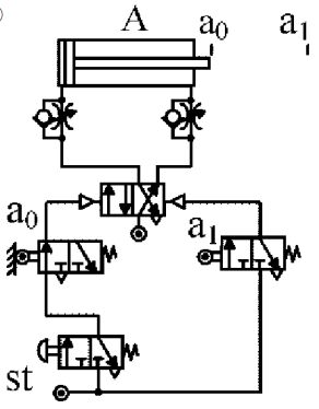
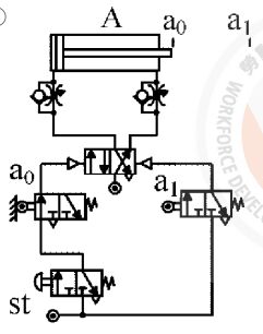
(A) (B)(C) (D)。
(A)3 (B)6 (C)9 (D)12 。
(A)5000 (B)10000 (C)15000 (D)20000 。
(A)28.5 (B)42.75 (C)57 (D)85.5
(A)26.5 (B)53 (C)79.5 (D)106
(A)3 (B)13 (C)20 (D)23
(A)3 (B)13 (C)20(D)23 。
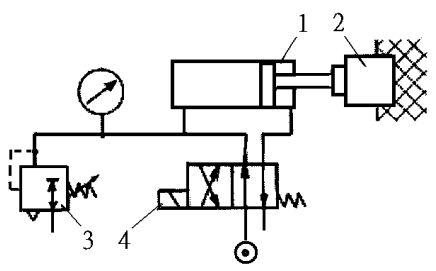
(A)供應更高的壓力 (B)供應固定的壓力 (C)供應更大的流量 (D)供應固定的流量
(A)3 bar (B)6 bar (C)小於 3 bar 且大於 0 bar (D)大於 3bar 且小於 6 bar 。