阿摩線上測驗
登入
首頁
>
初等/五等/佐級◆電子學大意
>
101年 - 101 初等考試_電子工程:電子學大意#21257
> 試題詳解
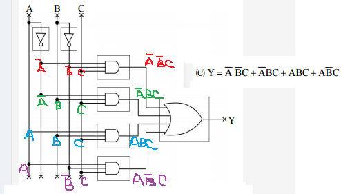
36 下列邏輯圖,若以布林代數表示(Boolean expression),其表示式為:
答案:
登入後查看
統計:
A(12), B(10), C(137), D(8), E(0) #814514
詳解 (共 1 筆)
pole~zero
B1 · 2015/12/14
#1218174
3
0
私人筆記 (共 1 筆)
Alice
2025/12/29
私人筆記#7685326
未解鎖
邏輯圖對應的布林表示式 四個 AN...
(共 132 字,隱藏中)
前往觀看
2
0
相關試題
1 矽二極體與鍺二極體在室溫的順向導通電壓分別約為: (A) 0.7 V,0.7 V (B) 0.7 V,0.2 V (C) 0.2 V,0.7 V (D) 0.2 V,0.2 V
#814479
2 逆向偏壓的pn接面,其接面電容隨逆向偏壓VR的增大而: (A)增大 (B)減小 (C)不變 (D)先增大再減小
#814480
3 下列何種二極體通常工作於逆向偏壓? (A)蕭特基(Schottky)二極體 (B)發光二極體 (C)雷射二極體 (D)變容二極體
#814481
4 輸入方波訊號v i經過圖中電路處理後(二極體是理想二極體),輸出電壓vo波形中的VX為何? (A) 1 V (B) 2 V (C) 3 V (D) 4 V
#814482
5 如圖的全波整流器電路,各二極體導通時之VD = 0.7 V。若輸入電壓vI之峰對峰為 10 V之正弦波,則 輸出電壓vO之最大值為: (A) 10 V (B) 9.3 V (C) 8.6 V (D) 7.2 V (E)一律送分
#814483
6 共射極電晶體電路在高頻時,電壓放大率Av(f)下降的原因是由於: (A)電晶體內部電容的高頻響應 (B)外接基極耦合電容的高頻響應 (C)電晶體的歐萊效應(Early Effect) (D)外接基極電阻效應
#814484
7 雙極性接面電晶體(BJT)若作小訊號放大用,則工作於: (A)截止區(Cut-off Region) (B)飽和區(Saturation Region) (C)主動區(Active Region) (D)截止區和飽和區
#814485
8 如圖所示的電路為何種邏輯閘? (A) NOR (B) OR (C) NAND (D) AND
#814486
9 假設電晶體的IB = 20 μA及IC = 2 mA,已知熱電壓(Thermal Voltage)VT = 25 mV,則中頻電晶體小 訊號模型的rπ及gm分別約為: (A) 1.25 kΩ、80 mA/V (B) 2.5 kΩ、100 mA/V (C) 3 kΩ、120 mA/V (D) 4 kΩ、150 mA/V
#814487
10 若圖中電晶體的VBE = 0.7 V,β= 100,則IE之值約為: (A) 2.52 mA (B) 1.43 mA (C) 1.05 mA (D) 0.83 mA
#814488
相關試卷
115年 - 115 初等考試_電子工程:電子學大意#136710
2026 年 · #136710
114年 - 114 初等考試_電子工程:電子學大意#124880
2025 年 · #124880
113年 - 113 初等考試_電子工程:電子學大意#118527
2024 年 · #118527
112年 - 112 地方政府特種考試_五等_電子工程:電子學大意#118362
2023 年 · #118362
112年 - 112 鐵路、國家安全情報特種考試_佐級、五等_電子工程、電子組:電子學大意#114944
2023 年 · #114944
112年 - 112 身心障礙特種考試_五等_電子工程:電子學大意#113943
2023 年 · #113943
112年 - 112 初等考試_電子工程:電子學大意#112891
2023 年 · #112891
111年 - 111 地方政府特種考試_五等_電子工程:電子學大意#112600
2022 年 · #112600
111年 - 111 鐵路特種考試_佐級_電子工程:電子學大意#108515
2022 年 · #108515
111年 - 111 初等考試_電子工程:電子學大意#105667
2022 年 · #105667