題組內容
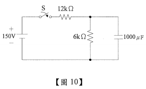
1•如下【圖10】所示,求下列各值:(往:e-1= 0.368,e-2= 0.135 ’ e-3= 0.05)

(3)t=25秒後S切斷,求放電時間常數?(2分)經過多少時間(秒)後VR之值為0? (2分)
詳解 (共 10 筆)
詳解
(1)6S
(2)30S
詳解
6秒,經過30秒後 VR=0V
詳解
50e^(-t/6)
30sec
詳解
6s
30s
詳解
(3)6(4)30
詳解
6S 30S
詳解
RC=6.25S 31.25S
詳解
6s 30s
詳解
t=6s
t=30s
詳解
6,30