所屬科目:初等/五等/佐級◆電子學大意
1 如圖所示之場效電晶體電路,則此電晶體工作在: (A) 飽和區(Saturation Region) (B)截止區(Cutoff Region) (C)三極管區(Triode Region) (D)主動區(Active Region)
4 如圖所示為理想運算放大器電路,若運算放大器的正負輸出飽和電壓為 ± 12 V,二極體導通時兩端電 壓為 0.7 V,輸入電壓 VI 為+2 V,則 VA 為若干 V? (A) -2.7 (B)1.3 (C)2.7 (D)+12
5 如圖所示一矽場效電晶體(Si FET)元件的剖面結構,各層使用不同材料,圖中僅標示某假想製程厚 度,此電晶體的臨界電壓(threshold voltage)的絕對值為 |Vth| = 0.5 V 。VD1 = 2 V,VD2 = -2 V,VD = 2 V, VE = -2 V。若 VE 由-2 V 增加到-3 V,試判斷此電晶體的臨界電壓的絕對值|Vth|如何變化? (A) |Vth| 增加(B) |Vth |減少 (C) |Vth |不受影響 (D) |Vth| 會受影響,但增加或減少由接面的功函數(work function, φf)決定
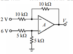
6 有一運算放大器如圖所示,已知其轉移方程式(transfer function)為 V3 =1002 × V2-998 × V1,請問其 共模電壓增益(common-mode gain)約為多少? (A)6 dB (B)12 dB (C)18 dB (D)24 dB
7 有一矽雙極性接面電晶體(Si-BJT)電路及輸入接腳 v i1、v i2 的電壓波形如圖所示,V CC = 5 V, R1 = R2 = 1 kΩ,R3 = R4 = 100 Ω,CL = 5 μF,電晶體電流增益 βQ1 = βQ2 = 100。試研判電晶體 Q1 在時 間點 0 最可能的工作模式: (A)飽和模式(Saturation mode) (B)線性模式(Linear mode) (C)主動模式(Active mode) (D)截止模式(Cut-off mode)
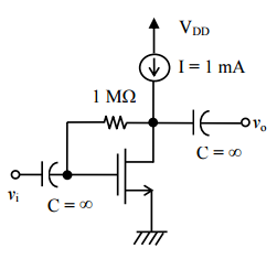
8 如圖所示為一 NMOS 構成的放大器。若 VDD = 3V,電晶體之 μnCox = 200 μA/V2,W/L = 10,Vth = 0.5 V。 試問電晶體的過驅電壓 VOV 為多少?(A)0.5 V (B)1 V (C)1.5 V (D)3 V
11 如圖所示運算放大器電路中,若電壓增益 A 為無限大且抵補電壓(offset voltage)VOS 不計,試求輸 出電壓 Vo =? (A)8 V (B)6 V (C)4 V (D)2 V
12 差動式放大器中,共模斥拒比(common-mode rejection ratio)定義為 CMRR ≡| Ad| / |Acm |,其中 Ad 為 差動增益、Acm 為共模增益,試問就差動式放大器的 CMRR 設計,下列何者正確? (A) CMRR = 0 (B)CMRR = 1 (C)CMRR << 1 (D)CMRR >> 1
13 輸入有正弦信號 vi(t) = Vmsin(ωt)伏特的理想箝位電路如圖所示,當測得電容器所跨電壓為 8 伏特且輸 出信號 vo(t)的最小值為-18 伏特時,求 Vm 與 VR 之總和電壓為多少伏特? (A)-10 V (B)10 V (C)12 V (D)26 V
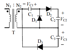
15 如圖所示的二極體-電容器倍壓電路中,變壓器與所有二極體均視為理想且變壓器之輸入為一弦波, 當電路到達穩定狀態時 VC1 = 12 伏特,有關二極體 D1~D3 承受之逆向峰值電壓 PIV1~PIV3(單位均 伏特)之敘述,何者正確? (A)PIV1 = 12 V (B)PIV2 = 24 V(C)PIV3 = 36 V (D)PIV3 = 2PIV1
16 截波電路(D 為理想二極體)中的偏壓電源 VR = 6 伏特,配合圖示之週期性輸入三角波信號決定該 二極體 D 於單一週期輸入信號中導通的百分比為多少? (A)25% (B)50% (C)60% (t) (D)75%
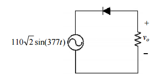
17 如圖所示之電路,假如二極體為理想,求其輸出電壓之平均值為何? (A)11.6 V (B)21.6 V (C)30.6 V (D)110 V
18 如圖所示之電路,假如二極體為理想,求其輸出電壓之平均值為何? (A)35.01 V (B)-35.01 V (C)49.52 V + (D)-49.52 V
19 如圖所示的二極體電路,二極體 D1 與 D2 為理想,此電路轉移函數(transfer funciton)中的轉折點之 輸入及輸出電壓為何? (A)-1 V 及 -1 V (B)-1 V 及 -2 V (C)-2 V 及 -1 V (D)-2 V 及 -2 V
20 如圖所示之電路包含三個串接的二極體及兩個串接電阻,若 VIN 為 10 V 且二極體的開啟電壓(turn-on voltage)為 0.8 V,求 VOUT? (A)2.4 V (B)6.2 V (C)10 V (D)12.4 V
21 如圖所示之電路中,若變壓器二次側 vs = Vm sinωt,則 iD1 之波形為何? (A) (B) (C) (D)
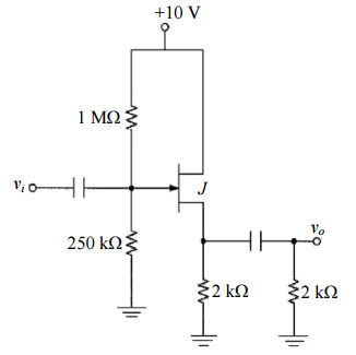
23 如圖所示之放大器電路,電晶體 J 之參數如下:IDSS = 8 mA,VP = -4 V,求此電路之小信號輸出阻抗 值為何? (A)1 kΩ (B)1/2 kΩ (C)1/3 kΩ (D)1/4 kΩ
24 如圖所示之放大器電路,電晶體 M 之參數如下:Vth = 0.4 V,μnCox = 200 μA/V2,且 λ = 0,若此放大 器電路之小信號電壓增益值為 0.85,則此電晶體 M 之 W/L 最接近下列何值? (A)267 (B)367 (C)467 (D)567
25 如圖所示之放大器電路,假設此電路之輸入阻抗為 50 Ω,輸出阻抗為 150 Ω,且 λ = 0;求此放大器 電路之小信號電壓增益值為何? (A)1 (B)3 (C)5 (D)50
26 如圖所示之放大器電路,假設電晶體 M 之參數如下:μnCoxW/L= 0.2 mA/V2,Vth = 2 V,且 λ = 0;求 此放大器電路之小信號輸入電阻 Ri 之值為何? (A)416 kΩ (B)516 kΩ (C)616 kΩ (D)716 kΩ
27 如圖所示之電路,假定 β = 100 且 VEB(on) = 0.6 V,求 VEC 之值為何? (A)2.1 V (B)2.5 V (C)2.9 (D)3.3 V
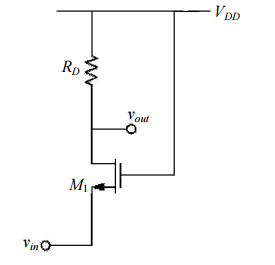
28 如圖所示之共射極放大器,其偏壓電路的主要優點為何? (A)所需偏壓電阻較小 (B)可操作於較低的電壓 (C)放大器的增益較大 (D)電晶體必定操作在主動區
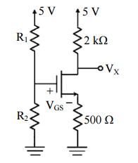
29 如圖所示電路中,若輸出端 VX 的直流電壓為 3 V,電晶體的 VGS 為 1.5 V,求 R1/R2 為何? (A)1/3 (B)2/3 (C)3/2 (D)2/5
30 如圖所示之共閘極放大器,若要使電壓增益提升為原有值的兩倍,下列敘述何者錯誤? (A)將 RL 變成兩倍 (B)將轉導 gm 變成兩倍 (C)將過驅電壓(VGS-VTH)變成 1/2 倍 (D)將 ID 變成兩倍
31 如圖所示之 BJT 電路,假設 Q1 與 Q2 特性相同,VT = 25 mV 且 β = 100,求輸出電阻 Zout? (A)2.5 Ω (B)5 Ω (C)7.5 Ω (D)10 Ω
33 如圖所示為一方波產生電路,於某個時間點測得其中電壓 Vf 值為 10 伏特,其中施加於理想 OPA 之 電壓為 ± 15 V,則電路輸出訊號的頻率約為多少? (A)1.55 kHz (B)3.25 kHz (C)6.75 kHz (D)8.25 kHz
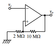
34 如圖一與圖二所示,為由 R1、R2 與理想 OPA 所構成的兩種不同施密特觸發電路,OPA 均採用相同 的操作電源電壓,R1= 2 kΩ。若兩電路之輸出電壓 vo 均為正值時,圖一與圖二之 vi 臨界電壓分別為-10 及 6 伏特,則 R2 為多少? (A)1 kΩ (B)2 kΩ(C)3 kΩ (D)4 kΩ
35 如圖所示電路為 CMOS 放大器,下列有關電容 C1 功能之敘述,何者正確? (A)旁路電容(bypass capacitor) (B)耦合電容(coupling capacitor) (C)頻率補償電容(frequency compensation capacitor) (D)濾波電容(filter capacitor)
38 如圖所示為一施密特(Schmitt)觸發器,OP AMP 輸出的上下限為 ± 12 V。若要使輸出由負轉正時, vi 應到達何值? (A)-10 V (B)-2 V (C)2 V (D)10 V
39 如圖所示電晶體放大器電路加上旁路電容 CE 後,放大器的中頻段電壓增益會有什麼變化? (A)變無窮大 (B)變小 (C)不變 (D)變大
40 如圖所示為韋恩電橋振盪器(Wien-Bridge oscillator),已知 R = 10 kΩ 和 C = 16 nF,試求振盪頻率 fo 約為多少? (A)1 kHz(B)2 kHz (C)6.25 kHz (D)12.5 kHz