阿摩線上測驗
登入
首頁
>
初等/五等/佐級◆電子學大意
> 97年 - 97 初等考試_電子工程:電子學大意#38824
97年 - 97 初等考試_電子工程:電子學大意#38824
科目:
初等/五等/佐級◆電子學大意 |
年份:
97年 |
選擇題數:
40 |
申論題數:
0
試卷資訊
所屬科目:
初等/五等/佐級◆電子學大意
選擇題 (40)
1雙極性接面電晶體共射小訊號模式使用時,若電晶體之工作點I
C
=26mA,溫度為常溫,則 互導g
m
為多少? (A)1 A/V (B)5 A/V (C)10 A/V (D)25 A/V
2SR正反器可由下列何種邏輯閘構成? (A)兩個OR閘 (B)兩個AND閘 (C)兩個NOR閘 (D)一個OR閘和一個AND閘
3.光偵測器最主要靠何種機制產生電流? (A)光激發所產生的電子電洞對 (B)光激發所產生的累增崩潰效應 (C)光激發所產生的基板效應 (D)光激發所產生的負電阻效應
4在轉阻(trans-resistance)放大器中,信號輸入與輸出的形式為何? (A)輸入電壓,輸出電壓 (B)輸入電流,輸出電流 (C)輸入電壓,輸出電流 (D)輸入電流,輸出電壓
5右圖所示電路為共射極組態小信號電晶體放大電路, 其中 R
B
= 500kΩ,R
C
= 4kΩ,β = 50 ,在溫室下 其電晶體交流輸入之近似等效阻抗值 約為 Z
i
多少(忽略電容之阻抗)?
(A)1 .15kΩ (B)1 .65kΩ (C) 2.15.kΩ (D)2.65. kΩ
6對於共射極(common emitter)放大器小信號等效電路之敘述,下列何者正確? (A)輸入端為基極(base),輸出端為集極(collector),而射極(emitter)接地 (B)輸入端為集極(collector),輸出端為基極(base),而射極(emitter)接地 (C)輸入端為射極(emitter),輸出端為基極(base),而集極(collector)接地 (D)輸入端為射極(emitter),輸出端為集極(collector),而基極(base)接地
7右圖電路具有何種濾波效果?
(A)低通濾波器 (B)高通濾波器 (C)全通濾波器 (D)帶通濾波器
8下列有關巴克豪森準則(Barkhausen Criterion)之敘述,何者錯誤? (A)在振盪頻率下,迴路增益大小為1 (B)在振盪頻率下,迴路增益之相位差為 (C)迴路增益大於1,則振盪器輸出之振幅受 (D)在振盪電路輸出必為方波
9放大器的頻寬是指增益保持在距中帶值多少分貝(dB)之內的頻率範圍? (A)10 (B)6 (C)3 (D)2
10有關石英體振盪器之敘述,下列何者錯誤? (A)其振盪之頻率,穩定且精準 (B)利用壓電效應原理,產生震盪功能 (C)其振盪之自然頻率與晶體之厚度成反比 (D)製作成本貴,不常被使用
11有一主動式濾波器電路,其移轉函數為
,則此電路屬於何種濾波 器? (A)二階低通 (B)二階高通 (C)二階帶通 (D)二階帶拒(帶止)
12要改進一個放大器的高頻響應特性,則下列何者正確? (A)應減小各電晶體之極際寄生電容 (B)應增大各電晶體之極際寄生電容 (C)應減小各外加電容的值 (D)應增大各外加電容的值
13BJT差動放大器(Differential amplifier)的電晶體加入射極電阻後會有何影響? (A)增益變大,頻寬變寬 (B)增益變大,頻寬變窄 (C)增益變小,頻寬變窄 (D)增益變小,頻寬變寬
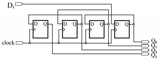
14如右圖所示之數位電路由四個D正反器 (D Flip-Flop)組成,其中Q
0
為低位元, Q
3
為高位元,則此數位電路為:
(A)具上數功能之四位元計數器 (B)具下數功能之四位元計數器 (C)具左移功能之四位元移位器 (D)具右移功能之四位元移位器
15如又圖所示之數位邏輯電路,當輸入X=1、Y=0,則輸出Q為:
(A)被設定為1 (B)被重置為0 (C)維持不變,與 (D)未確定,可能為0也可能為1
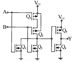
16如右圖所示之MOS電路,Q
1
、Q 及Q
5
為P通道增強型 MOSFET,Q
3
、Q
4
及Q
6
為N通道增強型MOSFET,則輸出 Y為:
17利用四位元二進制加法器做BCD碼加法運算時,若結果超過9,應做何修飾? (A)加10 (B)加6 (C)減10 (D)減6
18下列關於快閃記憶體特性之敘述,何者正確? (A)只能寫入資料,無法抹除儲存資料 (B)讀取後儲存資料即消失 (C)當電源移除後,儲存資料即消失 (D)所須操作電壓較一般邏輯電路為高
19EPROM的IC允許使用者以紫外線方式來做資料的何種方式處理? (A)儲存 (B)退火 (C)殺菌 (D)抹除
20如下左圖所示之放大器電路,其交流等效電路圖如下右圖所示,其中R為?
21如右圖所示為串接的射極隨耦器(emitter follower), 假設三個電晶體的特性完全相同,其低頻小訊號混合 參數裏的β=50,h
ie
忽略不計,則其輸入阻抗為:
(A)125 MΩ (B)2.5 MΩ (C)150 kΩ (D)1 kΩ
22雙極性面接電晶體(BJT)放大器的下列組態中,何者的電流增益最小? (A)CE組態 (B)CB組態 (C)CC組態 (D)疊接(cascode)組態
23若雙極性接面電晶體(BJT)之射極接面為順向偏壓,但集極端為開路,則該BJT工作於何 種模式? (A)截止模式(cut-off mode) (B)作用模式(active mode) (C)飽和模式(saturation mode) (D)無法判斷
24關於跟隨速率(Slew rate)和時間 及輸出V
o
的敘述,下列何者正確?(式子中d表示微分) (A)跟隨速率=最小值(
) (B)跟隨速率=最大值(
) (C)跟隨速率和時間 及輸出 V
o
無關 (D)跟隨速率可能為負值
25在信號放大電路中,若信號的振幅仍然在放大器的線性區域時,串接放大器的數目越多, 則輸出信號與雜訊之比值(signal to noise ratio): (A)變好 (B)不變 (C)變差 (D)無法決定
26下列何種材料參數為決定半導體光偵測器可使用的光波頻段? (A)半導體熱脹冷縮係數 (B)半導體能隙(band gap)寬度 (C)半導體電阻率 (D)半導體的光激發載子生命週
27如右圖所示電路,輸出電壓V
O
為:
(A)3.4V (B)6.8V (C)13.6V (D)15V
28下列有關右圖理想運算放大器電路之敘述,何者錯誤?
(A)V
o
−= 2V
i
(B) i
1
= i
2
(C)輸入電阻 R
i
是無限大(D) i
3
=3
i2
29如右圖所示電路, R
1
=R
2
=1kΩ , R
3
=R
4
=20kΩ,則 V
o
=?
(A)8V (B)-8V (C)0.4V (D)-0.4V
30右圖為一個三級串接放大電路,若各級之電壓增益分別為10、20及25,而各級之電流增益 分別為10、4及5,則系統的總分貝功率增益為?
(A)60dB (B)100dB (C)120dB (D)200dB
31下列敘述何者不是達靈頓(Darlington)放大電路的特性? (A)輸入阻抗高 (B)電流增益高 (C)漏電流高 (D)電壓增益高
32一個N-型半導體,其帶有的淨電荷為何? (A)負電荷 (B)正電荷 (C)電中性 (D)視所摻雜之雜質濃度而定
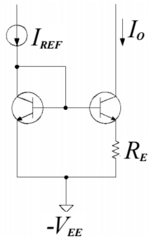
33如右圖所示之衛得勒電流源(Widlar Current Mirror),若 代表熱電壓(Thermal Voltage),則 的關係式為:
34於純矽本質半導體中摻雜下列何種元素後,可形成N-型半導體? (A)鎵(Ga) (B)銦(In) (C)砷(As) (D)硼(B)
35在N-通道金氧半場效電晶體(N-MOSFET)的小信號等效電路中,其互導 (transconductance)gm 與其閘極之寬長比(W/L)及閘極-源極電壓差VGS之關係,下列 何者正確? (A)gm 會隨(W/L)的增加而增加,並隨VGS的增加而增加 (B)gm 會隨(W/L)的增加而增加,並隨VGS的增加而減少 (C)gm 會隨(W/L)的增加而減少,並隨VGS的增加而增加 (D)gm 會隨(W/L)的增加而減少,並隨VGS的增加而減少
36右圖所示之電路中,若D
1
,D
2
均為理想二極體,則輸出電流I為何?
(A)1 mA (B)2 mA (C)3 mA (D)4 mA
37一個MOSFET完整的小信號等效電路模型如下所示,試問 C
gs
產生的原因為何?
(A)兩層隔開之導電層相互之間受電場感應堆積電荷所致 (B)pn接面於逆偏壓條件(reverse biased condition)下,pn兩層半導體在界面附近電荷 量變化所致 (C)pn接面於順偏壓條件(forward biased condition)下,導通電流在界面附近堆機電荷 所致 (D)半導體晶格內缺陷中心捕捉電荷,改變局部電荷分布所致
38若一NMOS電晶體與一PMOS電晶體具有相匹配的特性,則除了V
tn
=∣V
tp
∣外,尚需下列何 者?
(A)(W/L)n =(W/L)
p
(B)μ
n
=μ
p
(C)μ
n
(W/L)
n
=μ
p
(W/L)
p
(D)μ
n
/(W/L)
n
=μ
p
/(W/L)
39關於共閘極(Common Gate)MOSFET放大器的敘述何者錯誤? (A)電壓增益>1 (B)輸入阻抗低 (C)電流增益≈1 (D)輸出阻抗低
40考慮二極體(diode)導通時的電壓降,今於輸入端施加信號 v
i
=V
m
⋅ sin(ωt),其波形如圖 1所示,則圖2電路圖中二極體D端電壓v
D
在穩態(steady state)時最為接近的波形為:
申論題 (0)
相關試卷
115年 - 115 初等考試_電子工程:電子學大意#136710
115年 · #136710
114年 - 114 初等考試_電子工程:電子學大意#124880
114年 · #124880
113年 - 113 初等考試_電子工程:電子學大意#118527
113年 · #118527
112年 - 112 地方政府特種考試_五等_電子工程:電子學大意#118362
112年 · #118362
112年 - 112 鐵路、國家安全情報特種考試_佐級、五等_電子工程、電子組:電子學大意#114944
112年 · #114944
112年 - 112 身心障礙特種考試_五等_電子工程:電子學大意#113943
112年 · #113943
112年 - 112 初等考試_電子工程:電子學大意#112891
112年 · #112891
111年 - 111 地方政府特種考試_五等_電子工程:電子學大意#112600
111年 · #112600
111年 - 111 鐵路特種考試_佐級_電子工程:電子學大意#108515
111年 · #108515
111年 - 111 初等考試_電子工程:電子學大意#105667
111年 · #105667