阿摩線上測驗
登入
首頁
>
初等/五等/佐級◆電子學大意
> 99年 - 99 原住民族特種考試_五等_電子工程:電子學大意#46825
99年 - 99 原住民族特種考試_五等_電子工程:電子學大意#46825
科目:
初等/五等/佐級◆電子學大意 |
年份:
99年 |
選擇題數:
40 |
申論題數:
0
試卷資訊
所屬科目:
初等/五等/佐級◆電子學大意
選擇題 (40)
(1) (A)微分 輸入 (B)積分 輸出 (C)記憶 (D)放大
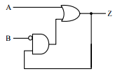
2 承上題圖中若加上 AND 閘,如下圖所示,此時 AND 閘的 B 輸入端對整個電路的輸出有何功用? (A)微分 A (B)積分 Z (C)記憶消除 (D)放大 B
3 如圖所示之串級電路,已知β
1
=β
2
=50,則此放大器的輸入阻抗(Ω)為: (A)1k (B) 50 k (C) 100 k (D) 2500 k
4 下列電路Q
1
及Q
2
操作於何種區域?(提示:ID=Kn(VGS-Vtn )2) (A)Q
1
,Q
2
皆線性區 VDD=5 V (B)Q
1
飽和區,Q
2
線性區 (C)Q
1
,Q
2
皆飽和區 (D)Q1線性區,Q2飽和區
5 承接前一題電路,其V
O
值約為: (A)1V (B)2V (C)3V (D)4V
6 對n通道金氧半場效電晶體(N-MOSFET)與p通道金氧半場效電晶體(P-MOSFET)之臨界電壓( threshold voltage)Vt的敘述,下列何者正確? (A)常閉(normally off)NMOS之V
t
>0,而常通(normally on)PMOS之V
t
<0 (B)常通NMOS之V
t
>0,而常通PMOS之V
t
<0 (C)常閉PMOS之V
t
>0,而常通PMOS之V
t
<0 (D)常閉NMOS之V
t
>0,而常通PMOS之V
t
>0
7 在矽晶接面二極體中,若增加 p 型區和 n 型區的摻雜濃度,下面那一項物理量會隨之上升? (A)空乏區厚度 (B)內建電壓(Built-in potential) (C)導通時的微分電阻 (D)崩潰電壓
8 如圖電路,設運算放大器為理想的,則電壓增益Av=VO / VI為: (A)-R
2
/ R
1
(B)+R
2
/ R
1
(C)-(R
1
+R
2
) / R1 (D)+(R
1
+R
2
) / R
1
9 理想運算放大器具有虛擬短路(Virtual short circuit)性質,主要是由於下列何種特性所造成? (A)具有零輸出阻抗 (B)具有無窮大的輸入阻抗 (C)具有無窮大的頻寬 (D)具有無窮大的開迴路電壓增益
10 在雙極性接面電晶體(BJT)直流偏壓電路下,就熱穩定特性而言,下列何者正確? (A)溫度增加,I
C
值降低,V
CE
降低 (B)溫度增加,I
C
值增加,V
CE
降低 (C)溫度增加,I
C
值降低,V
CE
增加 (D)溫度增加,I
C
值增加,V
CE
增加
11 在雙極性接面電晶體(BJT)的小信號等效電路中,其傳輸電導(transconductance)gm與其大信號直 流操作電流IC及大信號直流操作電壓VCE之關係為何? (A)g
m
會隨IC的增加而增加 (B)g
m
會隨IC的增加而減少 (C)g
m
會隨VCE的增加而增加 (D)g
m
會隨VCE的增加而減少
12 相較於傳統的電流源結構如圖 1 所示,今有一威德勒電流源(Widlar current source)如圖 2 所示,其 中兩顆BJT電晶體均工作在主動區(active region),集極電流(I
c
)與基-射極間電壓(V
BE
)呈對數函數關係,即
,其中V
T
=kT/e是熱電壓(thermal voltage),在室溫時VT約為 25 mV,I
s
為飽 和電流。下列對威德勒電流源特性與傳統電流源比較的描述何者正確?
(A) 威德勒電流源可以產生極大的電流源
IO
(B)威德勒電流源可以產生極小的電流源
IO
(C) 威德勒電流源可以產生極穩定的輸出電壓 (D)威德勒電流源可以產生極小的輸出電阻R
O
13 為減少積體電路的功率損耗,下列那種電路最省能源? (A) CMOS 電路 (B) NMOS 電路 (C) TTL 電路 (D) ECL 電路
14 一個不穩態多諧振動器(astable multivibrator)的輸出波形,一般為: (A)方波 (B)三角波 (C)脈波 (D)正弦波
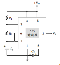
15 如圖所示為 555 計時器 IC 所組成之電路,則下列敘述何者錯誤? +
(A) 為一個非穩態振盪器 (B)振盪頻率為 (
(C) Vo輸出為方波 (D)工作週期(Duty Cycle)為
16 如圖所示的振盪器電路,其功能為何? (A) 三角波振盪器 R (B)方波振盪器 (C)鋸齒波振盪器 (D)弦波振盪器
17 在 MOSFET 電路中,對於共汲(Common drain)放大器的米勒效應(Miller effect)的敘述何者正確? (A) 共汲放大器的米勒效應大是因為其負載電阻大的關係 (B)共汲放大器的米勒效應小是因為輸出端與輸入端無寄生電容的關係 (C) 共汲放大器的米勒效應大是因為其電流增益大的關係 (D)共汲放大器的米勒效應小是因為其電壓增益小的關係
18 由一個 MOSFET 組成的共汲極(又稱源極隨偶器)電路,其小信號電壓增益為何? (A)大約為 +1 (B)大約為 -1 (C)大約為零 (D)為無窮大
19 齊納二極體(Zener diode)具備下列何種應用功能? (A)倍壓器 (B)方波產生器 (C)整流器 (D)諧振器
20 一差動放大器(Differential amplifier)之共模拒斥比CMRR=80 dB、差模增益A
d
=1000,假設此差動 放大器之差模輸入訊號V
d
=0.02 V、共模輸入訊號V
c
=10 V;則此差動放大器之輸出電壓為: (A) 10 V (B) 20 V (C) 11 V (D) 21 V
21 如圖所示電路,若其輸入電壓Vi為方波,則其輸出電壓VO之波形為: (A)三角波 C (B)脈波 (C)弦波 R (D)方波
22 多級串接放大器之級數增加時,下列何者正確? (A)頻寬越窄 (B)穩定性越佳 (C)輸入阻抗越高 (D)輸出阻抗越小
23 對共基極電路之描述,下列何者正確? (A)功率增益最高 (B)輸出阻抗最高 (C)電流增益最高 (D)輸入阻抗最高
24 對於雙極性接面電晶體(BJT)工作在飽和區時,下列有關其接面偏壓狀況之敘述何者正確? (A)集基極接面順向偏壓而且射基極接面順向偏壓 (B)集基極接面逆向偏壓而且射基極接面順向偏壓 (C)集基極接面逆向偏壓而且射基極接面逆向偏壓 (D)集基極接面順向偏壓而且射基極接面逆向偏壓
25 在正常的 npn 雙極性接面電晶體(BJT)結構中,那一層需要最薄? (A)射極 (B)基極 (C)閘極 (D)汲極
26 下述有關交換函數之敘述,何者錯誤? (A) A.1=A (B) A+1=1 (C) A⊕1=1 (D) A⊕0=A
27 如圖所示之頻率響應的放大器,則此放大器為何種濾波器? (A)低通 (B)高通 (C)帶通 (D)帶拒
28 如圖所示的振盪電路,其輸出電壓V
O
的波形為: (A) 方波 (B)梯形波 (C)正弦波 (D)三角波
29 一放大器的電流增益=20 dB,電壓增益=20 dB,其功率增益=? (A) 0 dB (B) 20 dB (C) 40 dB (D) 400 dB
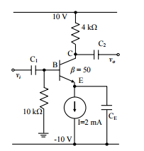
30 下圖是一個雙極性接面電晶體(BJT)放大器電路,假設C
1
、C
2
、C
E
三個電容值趨近於無窮大,則電 容C
1
在此電路內扮演的角色為何?
(A)隔離信號vi與B極之間交流振幅的差異 (B)隔離信號vi與B極之間直流準位的差異 (C)隔離信號vi與B極之間有效(均方根)電壓的差異 (D)耦合信號vi的有效(均方根)電流進入B極
31 有一增強型 n 通道的 MOSFET 元件,指定其電壓參考極性與電流參考方向如下圖所示:
今欲測量其電流-電壓特性曲線(I-V curve),則最正確的曲線圖為: (A)
(B)
(C)
(D)
32 下圖是下列那個元件的特性曲線?
(A)
(B)
(C)
(D)
33 下圖所示之電路中,若齊納二極體(Zener diode)之齊納電壓(Zener voltage)為 10 V,則流經R
load
之 輸出電流為何?
(A) 30 mA(B) 20 mA(C) 10 mA(D) 0 mA
34 (A) 22 (B) 37 (C) 45 (D) 75
35 承上題,圖 1 中之等效小信號輸入阻抗R
in
為: (A) 15 kΩ (B) 20.2 kΩ (C) 35 kΩ (D) 42.7 kΩ
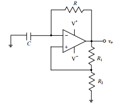
36 如圖的運算放大器電路中,通常R
3
的值為: (A)R
3
=R
1
(B)R
3
=R
2
(C)R
3
=R
1
+R
2
(D)R
3
=R
1
∥
R
2
37 迴轉率(Slew Rate)為 10 V/μs 的運算放大器,所能產生振幅峰對峰值 20 V 三角波的最大頻率為: (A) 500 kHz (B) 250 kHz (C) 150 kHz (D) 125 kHz
38 在雙極性接面電晶體(BJT)的特性曲線中,當IB電流固定時,I
C
電流隨著V
CE
電壓增加而增加的現象 B 稱為: (A)穿透效應(Punch-through Effect) (B)厄力效應(Early Effect) (C)體效應(Body Effect) (D)崩潰效應(Breakdown Effect)
39 有一個由兩級相同的帶通放大器串接而成的放大電路,單一級的高頻截止頻率為 10 kHz,低頻截止 頻率為 160 Hz,則此串接電路的總頻寬約為: (A) 6.15 kHz (B) 10.15 kHz (C) 12.15 kHz (D) 15.15 kHz
40 下列那一種放大器具有很低之輸入阻抗? (A)共集極(common collector)放大器 (B)共源極(common source)放大器 (C)共汲極(common drain)放大器 (D)共閘極(common gate)放大器
申論題 (0)
相關試卷
115年 - 115 初等考試_電子工程:電子學大意#136710
115年 · #136710
114年 - 114 初等考試_電子工程:電子學大意#124880
114年 · #124880
113年 - 113 初等考試_電子工程:電子學大意#118527
113年 · #118527
112年 - 112 地方政府特種考試_五等_電子工程:電子學大意#118362
112年 · #118362
112年 - 112 鐵路、國家安全情報特種考試_佐級、五等_電子工程、電子組:電子學大意#114944
112年 · #114944
112年 - 112 身心障礙特種考試_五等_電子工程:電子學大意#113943
112年 · #113943
112年 - 112 初等考試_電子工程:電子學大意#112891
112年 · #112891
111年 - 111 地方政府特種考試_五等_電子工程:電子學大意#112600
111年 · #112600
111年 - 111 鐵路特種考試_佐級_電子工程:電子學大意#108515
111年 · #108515
111年 - 111 初等考試_電子工程:電子學大意#105667
111年 · #105667