題組內容
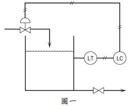
一、考慮一個如圖一所示之液位控制系統。

(三)液位控制器應選用直接作用(direct acting)還是反向作用(reverse acting)的控制器?若使用比例控制器,控制器增益(controller gain)可設定為正值或負值,應如何設定?請說明理由。(10 分)
一、考慮一個如圖一所示之液位控制系統。

(三)液位控制器應選用直接作用(direct acting)還是反向作用(reverse acting)的控制器?若使用比例控制器,控制器增益(controller gain)可設定為正值或負值,應如何設定?請說明理由。(10 分)