阿摩線上測驗
登入
首頁
>
技師◆結構設計
>
100年 - 100年專門職業及技術人員高等建築師、技師、第2次食品技師暨普通不動產經紀人、記帳士考高等_土木工程技師#27228
> 申論題
題組內容
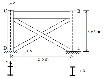
四、門型構架由柱 AB(W10×33 型鋼)、梁 BC(W14×22 型鋼)、柱 CD(W10×33 型 鋼)及兩斜撐(AC 及 BD)所組成(如下圖所示),其中 A 端及 D 端在任意方向 均為固接端:
⑵利用極限設計法(LRFD)求柱 AB 的設計抗壓強度。(13 分)
相關申論題
二、正方形獨立基腳 3m×3m,其上之方形柱斷面為 40cm×40cm。該基腳位於地表下 1.5 m 處,有效厚度為 50 cm,已知混凝土強度 f 'c=280 kgf/cm2 ,鋼筋降伏強度 fy=4200 kgf/cm2 ,試求此基腳厚度可承受之最大活載重。(假設活載重為總軸向載 重之 70%,且最大撓曲鋼筋比ρmax=0.375ρb。(25 分)
#47662
⑴如梁端彎矩強度低於設計載重需求,請提出一種可能在梁端之加勁方式增加梁強 度(考慮結構對稱性),請繪平面及立面圖表示,並說明理由。(7 分)
#47663
⑵下圖所示梁腹板採用 4 顆直徑 25 mm 之 A490 螺栓與剪力板接合,利用 LRFD 方 式計算此接合在梁剪力方向之螺栓群摩阻型強度、剪力板承壓強度、剪力板撕裂 強度及剪力板塊狀撕裂強度(以上計算含強度折減係數)。剪力板厚度及寬度為 10 mm 及 100 mm,剪力板螺栓孔採用標準開孔,鋼板摩擦係數為 0.33,鋼板材質 Fy=3.5 t/cm2 、Fu=4.5 t/cm2 ,直徑 25 mm 之 A490 螺栓最小預拉力為 29 t。(18 分)
#47664
⑴利用附表求柱 AB 在 xz 平面及 yz 平面上柱挫屈的有效長度係數 K。(12 分)
#47665
四、依極限設計法(LRFD)設計之一簡支鋼梁,其跨距為 600 cm ,採用 RH-434 × 299 × 10 ×15(mm) 熱軋型鋼(腹板為結實構件),兩端支承點皆有側向支撐,降伏應力 = 3.5 tf cm2 , = 304 cm 、 = 792 cm ,撓曲修正係數 Cb = 1.2 。試求此鋼梁強軸與弱軸之標稱撓曲強度。
#557783
三、兩端鉸接承受壓力的鋼構桿件,採用 L 130 × 130 × 9(mm) 等邊角鋼,桿件長度 325 cm ,降伏應力= 2.55 tf cm2 ,彈性模數 E = 2040 tf cm2 。試求此桿件之容許軸壓強度。
#557782
二、如圖所示為簡支梁之均勻矩形斷面,鋼筋彈性模數 = 2040000 kgf cm 2 , 混凝土彈性模數 = 250000 kgf cm 2 ,拉力鋼筋面積 = 30.4 cm 2 。此矩形斷面在混凝土未開裂之斷面慣性矩 = 630000 cm 4 、開裂彎矩 = 7 tf-m 。 梁跨度 L = 8 m , 承受靜載重 = 1.0 tf m , 活 載重 = 0.9 tf m 。 求簡支梁中點於靜載重與活載重作用時之即時撓度,及其對應活載重所引致的即時撓度 。
#557781
一、如圖所示鋼筋混凝土橫箍筋柱斷面,柱斷面承受軸壓力與單軸彎矩,柱 寬 b = 50 cm , 深 度 h = 60 cm 。 拉力 鋼筋及壓力鋼筋總面積相同為 ,鋼筋降伏強度 ,混凝土抗壓強度 。已知在 = 0.003、壓力筋應變 =0.002 的極限狀態 下,柱軸壓計算強度 203 tf 。當柱斷面承受軸壓計算強度 = 265 tf ,求 此時柱斷面所能承受之最大彎矩計算強度及強度折減係數 Φ ,已知對 應此極限狀態的中性軸 c < 31.8 cm 。
#557780
四、矩形斷面之鋼筋混凝土梁如下圖所示,寬度 b = 30 cm,深度 h = 70 cm,有效深度 d = 63 cm,d’ = 7 cm,鋼筋降伏強度 fy = 4200 kgf/cm2,混凝土抗壓強度 f'c = 280 kgf/cm2,鋼筋彈性係數 Es = 2.04×106kgf/cm2,如配置 6 根 D32 拉力鋼筋,D32 鋼筋面積 As = 8.143 cm2 與 2 根 D25 壓力鋼筋, D25 鋼筋面積 As = 5.067 cm2。計算此鋼筋混凝土梁之理論上計算彎矩強度 Mn =? 與規範上之設計彎矩強度Mdesign=?(40 分)
#551223
三、T 形斷面之鋼筋混凝土柱如下圖所示,鋼筋降伏強度 fy = 4200 kgf/cm2,混凝土抗壓強度 f'c = 280 kgf/cm2,配置 3 根 D29 拉力鋼筋,D29 鋼筋面積 As = 6.469 cm2。計算此鋼筋混凝土梁之理論上計算彎矩強度 Mn =?與規範上之設計彎矩強度 Mdesign =?(30 分)
#551222
相關試卷
114年 - 114 專技高考_土木工程技師:結構設計(包括鋼筋混凝土設計與鋼結構設計)#133709
114年 · #133709
114年 - 114 司法特種考試_三等_檢察事務官營繕工程組:結構設計(包括鋼筋混凝土設計與鋼結構設計)#129579
114年 · #129579
113年 - 113 專技高考_土木工程技師:結構設計(包括鋼筋混凝土設計與鋼結構設計)#123949
113年 · #123949
113年 - 113 司法特種考試_三等_檢察事務官營繕工程組:結構設計(包括鋼筋混凝土設計與鋼結構設計)#122119
113年 · #122119
112年 - 112 專技高考_土木工程技師:結構設計(包括鋼筋混凝土設計與鋼結構設計)#117675
112年 · #117675
112年 - 112 司法特種考試_三等_檢察事務官營繕工程組:結構設計(包括鋼筋混凝土設計與鋼結構設計)#116212
112年 · #116212
111年 - 111 專技高考_土木工程技師:結構設計(包括鋼筋混凝土設計與鋼結構設計)#111976
111年 · #111976
111年 - 111 司法特種考試_三等_檢察事務官營繕工程組:結構設計(包括鋼筋混凝土設計與鋼結構設計)#110324
111年 · #110324
110年 - 110 專技高考_土木工程技師:結構設計(包括鋼筋混凝土設計與鋼結構設計)#104169
110年 · #104169
110年 - 110 司法特種考試_三等_檢察事務官營繕工程組:結構設計(包括鋼筋混凝土設計與鋼結構設計)#103219
110年 · #103219