阿摩線上測驗
登入
首頁
>
機械力學
>
108年 - 108 鐵路員級 機械力學概要#76887
> 申論題
題組內容
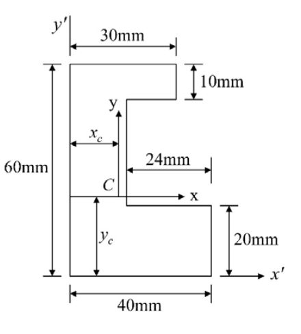
四、如圖所示組合面積由三塊矩形面積所組成,求此組合面積之:
⑴形心位置:xc 及 yc?(6 分)
相關申論題
⑴其中點之位移?
#310910
⑵此桿之角位移(與水平線之夾角)?
#310911
二、一個質點在 40 m 的高度位置,以俯角 θ 的初速度 V0 = 100 m/s,射向距 離 100 m 的牆孔,此牆孔與地面垂直成 90°,孔中心點距離地面 15 m, 且初速度向量與質點及孔中心點連線在同一座標平面內,求質點命中牆 孔中心點所需的俯角 θ(θ 以度表示到個位數之±2°內即可) 。(20 分)
#310912
⑴此刻之後,起重機消耗的功率( kW )?
#310913
⑵從靜止到舉升速度到達 1 m/s 所需的時間?
#310914
⑶在加速過程中,起重機作用於此物體之舉升力?
#310915
⑷在加速過程中,起重機所消耗的總功( kJ )?
#310916
⑵組合面積繞形心座標 x 軸的面積矩 Ix?(14 分)
#310918
⑴外徑表面上最大的剪應力(MPa)?
#310919
⑵兩端面相對之扭轉角為多少徑度?
#310920
相關試卷
114年 - 114 地方政府公務特種考試_四等_機械工程:機械力學概要#134717
114年 · #134717
114年 - 114 原住民族特種考試_四等_機械工程:機械力學概要#130944
114年 · #130944
114年 - 114 普通考試_機械工程:機械力學概要#128752
114年 · #128752
114年 - 114 身心障礙特種考試_四等_機械工程:機械力學概要#126629
114年 · #126629
114年 - 114 關務特種考試_四等_機械工程(選試英文):機械力學概要#126570
114年 · #126570
113年 - 113 地方政府公務特種考試_四等_機械工程:機械力學概要#124494
113年 · #124494
113年 - 113 原住民族特種考試_四等_機械工程:機械力學概要#122659
113年 · #122659
113年 - 113 普通考試_機械工程:機械力學概要#121222
113年 · #121222
113年 - 113 身心障礙特種考試_四等_機械工程:機械力學概要#119497
113年 · #119497
113年 - 113 關務特種考試_四等_機械工程(選試英文):機械力學概要#119451
113年 · #119451