阿摩線上測驗
登入
首頁
>
初等/五等/佐級◆電子學大意
> 98年 - 98 國家安全情報特種考試_五等_電子組:電子學大意#38822
98年 - 98 國家安全情報特種考試_五等_電子組:電子學大意#38822
科目:
初等/五等/佐級◆電子學大意 |
年份:
98年 |
選擇題數:
40 |
申論題數:
0
試卷資訊
所屬科目:
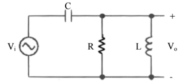
初等/五等/佐級◆電子學大意
選擇題 (40)
1 開關二極體的電壓由順向+5 V切換到逆向-5 V時,流經二極體的電流如圖所示,其中t
s
的大小與二 極體的那項因素最為密切? (A)接面電容 (B)內部電阻 (C)少數載子生命期 (D)多數載子移動率
2 如圖所示,利用電晶體、二極體及電阻組成之數位正邏輯電路為何種邏輯閘?
(A) AND 閘 (B) NAND 閘 (C) OR 閘 (D) NOR 閘
3.16Mwords(字組)×4 bits(位元)的記憶體需要多少的位址(Address)線: (A) 64 (B) 39 (C) 24 (D) 16
4 圖中無穩態多諧振盪器(Astable Multivibrator),假設R
1
=R
2
,輸出電壓為±5 V。則振盪週期為:
(A) 2 RC ln3
(B) 2 RC ln2
(C) RC ln3
(D) RC ln2
5 圖為含主動負載的差分對(Differential Pair with Active Load)。其中C
m
為Q
3
、Q
4
的寄生電容。設Q
3
的 跨導(Transconductance)為g
m3
。則Cm對此電路電壓增益的頻率響應的影響為:
(A)只產生位於g
m3
/C
m
的極點(Pole)
(B)產生位於g
m3
/C
m
的極點(Pole)和位於 2g
m3
/C
m
的零點(Zero)
(C)產生位於g
m3
/C
m
的極點(Pole)和位於g
m3
/2C
m
的零點(Zero)
(D)只產生位於 2g
m3
/C
m
的零點(Zero)
6 如圖所示運算放大器電路,若輸入電壓為V
1
=1 V、V
2
=2 V、V
3
=4 V、及V
4
=1 V,試求其輸出電 壓Vo應為多少?
(A) -4 V (B)-15 V (C) 4 V (D) 15 V
7 圖為含主動負載的差分對(Differential Pair with Active Load),輸入電壓為V
1
-V
2
。其中I=1 mA,並 且電晶體都具有相同的參數,β=100。此電路有一系統性偏移電壓(Offset Voltage),此偏移電壓 約為
(A) 0.5 mV (B) 0.25 mV (C)-0.25 mV (D)-0.5 mV
8 如圖所示之雙極性接面電晶體(BJT)放大器,已知電晶體參數α(=I
c
/I
e
)為 0.98,以及電晶體集極到 基極的交流輸出阻抗r
o
為 1 MΩ,則此放大器的電壓增益A
V
(=V
o
/V
i
)約為多少?
(A) 100 (B) 200 (C) 300 (D) 400
9 如圖示之電路,已知N通道JFET之I
DSS
=4 mA,V
GS(off)
=-4 V,若要使此電晶體工作於夾止區,且I
D
= 1 mA,求電阻R
S
及電壓V
DS
為多少?
(A)R
S
=1 kΩ與V
DS
=3 V
(B)R
S
=2 kΩ與V
DS
=10 V
(C)R
S
=3 kΩ與V
DS
=3 V
(D)R
S
=4 kΩ與V
DS
=10 V
10 圖中電晶體工作在主動區,B與E間內電阻為r
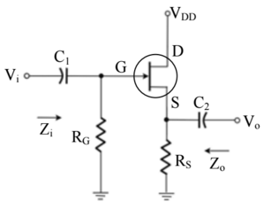
π
,C與E間內電阻為r
o
,輸入阻抗Z
i
及輸出阻抗Z
o
為何?
(A)Z
i
=R
B
+r
π
,Z
o
=R
C
(B)Z
i
=(R
B
//r
π
),Z
o
=R
C
(C)Z
i
=(R
B
//r
π
),Z
o
=(R
C
//r
o
)
(D)Z
i
=R
B
+r
π
,Z
o
=R
C
+r
o
11 有一CMOS反相器,其負載電容C
L
=2 pF,V
DD
=5 V,工作頻率 1 MHz,它在交換狀態(Switching)時 : (A)不消耗功率 (B)消耗約 5 µW (C)消耗約 25 µW (D)消耗約 50 µW
12 動態隨機存取記憶體(DRAM),是將資料存在何種元件上? (A)二極體 (B) OPA(運算放大器) (C)電容器 (D) BJT(雙極接面電晶體)
13 電路中G
1
與G
2
為反相器,則圖示數位電路為:
(A) SR 正反器(Flip Flop)
(B)反相器(Inverter)
(C)傳輸閘(Transmission Gate)
(D)閂鎖器(Latch)
14 關於圖中之動態邏輯電路,若 CK 為高準位時其輸出值正確,本電路輸出信號(Y)之布林函數為何?
15 圖為含理想放大器之開關電容式(Switched Capacitor)濾波器,若Φ
1
、Φ
2
的頻率為 100 kHz, C
1
=10 pF,濾波器的時間常數為 100 µs,則C
2
的值為:
(A) 1 nF C2 (B) 100 pF + Vin - Φ1 Φ2 C1 (C) 10 pF (D) 1 pF
16 下列何者非為方波產生器電路?
17 關於圖中電路,下列敘述何者正確?
(A)此為低通濾波器 (B)此為高通濾波器 (C)此為帶通濾波器 (D)此為帶拒濾波器
18 圖中電路,g
m
R
L
>>1,其單位增益頻率(Unit Gain Frequency)約為:
(A)(2πRC)
-1
(B)(2πgmR
L
RC)
-1
(C)gmR
L
/(2πRC)
(D)gm/(2πC)
19 如圖中電路,若運算放大器為理想,則V
o
值為何?
(A)-6 V (B)-3 V (C) 4 V (D) 6 V
20 圖為二級CMOS運算放大器。若電晶體都有相同的爾利電壓(Early Voltage,VA)為 100 V;且都設計在 相同的驅使電壓(Overdrive Voltage, VGS-VTH)為 0.2 V。此電路電壓增益A
d
=V
O
/(V
2
-V
1
)約為:
(A) 4×10
6
(B) 10
6
(C) 2.5×10
5
(D) 10
5
21 圖示理想運算放大器電路,若運算放大器的正負輸出飽和電壓為 ±12 V,輸入電壓v
I
為 1 V,則v
O
為 若干V?
(A)-12 (B) 0 (C) 1 (D)+12
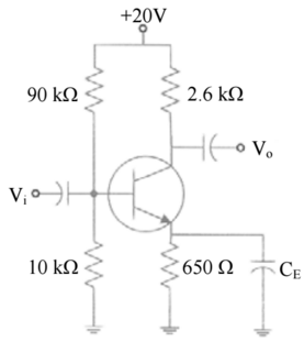
22 如圖所示之雙極性接面電晶體(BJT)放大器,已知電晶體參數β(=I
c/
I
b
)為 210,以及電晶體集極到 射極的交流輸出阻抗r
o
為 50 kΩ,若是將電容器CE移除,則此放大器的電壓增益A
V
(=V
o
/V
i
)將如何變 化?
(A)增加 (B)不變 (C)減少 (D)降為零
23 下圖 MOSFET 為 N 通道增強型,此電路工作功能為:
(A) OR 閘 (B) NOR 閘 (C) AND 閘 (D) NAND 閘
24 有一個P通道增強型MOSFET,其臨限電壓V
t
=-2 V,假使其閘極(gate)接地且源極(source)接至 +5 V,欲使此元件正好進入飽和區(saturation region),則汲極(drain)之電壓為何? (A) 7 V (B) 5 V (C) 3 V (D) 2 V
25 某差動放大器的共模增益A
CM
,差模增益A
dm
,下列何者有較佳的共模拒斥比(Common Mode Rejection Ratio)?
(A)A
CM
=0.1、A
dm
=100 (B)A
CM
=0.1、A
dm
=1000 (C)A
CM
=1、A
dm
=100 (D)A
CM
=1、A
dm
=1000
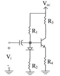
26 下圖電路中,二極體之作用為:
(A)保護電晶體 (B)防止雜訊 (C)防止電流逆流 (D)溫度補償
27 如圖所示之電路,當V
i
=20 V時,V
o
約多少伏特?
(A) 20 (B) 15 (C) 12 (D) 10
28 有關 ROM(Read Only Memory)的敘述,何者有誤? (A)為非揮發性記憶體 (B)可讀出及寫入資料 (C)只能讀出資料,無法寫入 (D)當電源關閉時,存在其中之資料不會消失
29 圖中邏輯電路輸出信號(Y)之布林函數為何?
30 圖中電路在中頻工作,r
d
為電晶體小訊號汲極端內阻,其中R、C(包含C
1
與C
2
)元件功能為:
(A)C減低漣波,r
d
、R
s
與A
v
放大率無關
(B)C阻斷直流分量,A
v
約接近 1
(C)C阻斷直流分量,A
v
與r
d
成反比
(D)C減低漣波,A
v
與R
s
成正比
31 圖(a)為一個半波整形電路,圖(b)為其轉移曲線。若運算放大器為理想,二極體D之導通電壓為 0.7 V,則 圖(b)V
o
/ V
i
的斜率約為何?
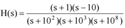
32 關於系統轉移函數
之敘述,下列何者正確? (A)低頻-3 dB頻率在 10 rad/sec (B)低頻-3 dB頻率在 10
2
rad/sec (C)高頻-3 dB頻率在 10
3
rad/sec (D)低頻-3 dB頻率在 10
3
rad/sec
33 如圖所示的電路,電晶體在飽和區工作,其中V
CE,sat
=0.2 V,V
i
=5 V,β=125,則飽和電流I
CE,sat
為 :
(A) 7.9 mA (B) 6 mA (C) 0.6 mA (D) 0 mA
34 由電阻R
1
、R
2
、R
f
和理想運算放大器組成的加權加法器(Weighted Summer),如圖所示。其中R
1
=9 kΩ,R
2
=3 kΩ,R
f
=9 kΩ。若V
O
=-3 V,V
1
=3 V,則V
2
為多少?
(A) 2 V (B) 1 V (C)-1 V (D)-2 V (E)0V
35 下圖二極體邏輯電路,其功能為:
(A)及閘(AND gate) (B)或閘(OR gate) (C)非及閘(NAND gate) (D)非或閘(NOR gate)
36 圖中電路之輸入阻抗R
I
為:
(A)R
E
(B)(1+β)R
E
(C)r
π
+(1+β)R
E
(D) 2r
π
+(1+β)R
E
37 一個N通道空乏型MOSFET,V
GS(off)
=-4 V,I
DSS
=8 mA,則當V
GS
=0 V時,I
D
為: (A) 16 mA (B) 8 mA (C) 4 mA (D) 2 mA
38 下列何者是發光二極體(LED, Light Emitting Diode)的符號?
39 二極體的起始電壓(Cut-in Voltage)會隨著溫度增高而: (A)增大 (B)不變 (C)減少 (D)先增大後減少
40 下圖達靈頓(Darlington)電晶體電路中,β
1
及β
2
分別代表Q
1
及Q
2
電晶體的電流增益參數,則達靈頓 電晶體的電流增益β
D
約為何?
(A)β
D
=(β
1
β
2
) / (β
1
+β
2
)
(B)β
D
=β
1
+β
2
(C)β
D
=β
1
β
2
(D)β
D
=β
1
/ β
2
申論題 (0)
相關試卷
115年 - 115 初等考試_電子工程:電子學大意#136710
115年 · #136710
114年 - 114 初等考試_電子工程:電子學大意#124880
114年 · #124880
113年 - 113 初等考試_電子工程:電子學大意#118527
113年 · #118527
112年 - 112 地方政府特種考試_五等_電子工程:電子學大意#118362
112年 · #118362
112年 - 112 鐵路、國家安全情報特種考試_佐級、五等_電子工程、電子組:電子學大意#114944
112年 · #114944
112年 - 112 身心障礙特種考試_五等_電子工程:電子學大意#113943
112年 · #113943
112年 - 112 初等考試_電子工程:電子學大意#112891
112年 · #112891
111年 - 111 地方政府特種考試_五等_電子工程:電子學大意#112600
111年 · #112600
111年 - 111 鐵路特種考試_佐級_電子工程:電子學大意#108515
111年 · #108515
111年 - 111 初等考試_電子工程:電子學大意#105667
111年 · #105667