阿摩線上測驗
登入
首頁
>
初等/五等/佐級◆電子學大意
> 100年 - 100 原住民族特種考試_五等_電子工程:電子學大意#45324
100年 - 100 原住民族特種考試_五等_電子工程:電子學大意#45324
科目:
初等/五等/佐級◆電子學大意 |
年份:
100年 |
選擇題數:
40 |
申論題數:
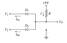
0
試卷資訊
所屬科目:
初等/五等/佐級◆電子學大意
選擇題 (40)
1 N通道增強型(Enhancement Type)MOSFET的臨界電壓Vt =3V,其閘極電壓為VG =4V,且源極接地 ,則當汲極的電壓為何,可讓此元件工作在歐姆區: (A) 0.5V (B) 1.5V (C) 2.5V (D) 3.5V
2 (A)積分電路 C (B)微分電路 RS I2 (C)震盪電路 Vi Vo (D)電壓對電流轉換電路 I1 +
3 承上題,如輸入訊號Vi為一方波時,則輸出訊號Vo應為: (A)方波 (B)鋸齒波 (C)矩形波 (D)三角波 10
4 有一系統的轉換函數為
,試問下列敘述何者正確? (A)-3dB 截止頻率為 1 rad/s (B)直流增益為 10 (C)此為一高通電路 (D)高頻時相角接近 -90
o
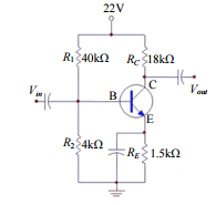
5 下圖中,已知電晶體β =250 及V
BE
=0.7V,則VCE之近似值為何? (A) 5.32V(B) 7.84V (C) 12.03V (D) 20.15V
重新載圖
6 一箝位電路如圖所示,若D為理想二極體,試問輸出電壓Vo之範圍為何? (A) 4V ≤ V
o
≤ 18V (B) − 10V ≤ V
o
≤ 4V (C) − 18V ≤ V
o
≤ −4V (D) − 4V ≤ V
o
≤ 10V
7 下列那一類功率放大器電晶體導通角度最小: (A)A類 (B) AB 類 (C)B類 (D)C類
8 編號 7805 的穩壓積體電路,一般應用於多少伏特的穩壓電路: (A)-5V (B)-12V (C) 12V (D) 5V
9 一差動放大器之共模拒斥比CMRR=1000,差模增益A
d
= 50,兩個輸入訊號分別為 150 μV及 50 μV,則 輸出電壓為下列何者? (A) 0.5005 mV (B) 5.005 mV (C) 50.05 mV (D) 500.5 mV
10 差動放大器能消除下列何種雜訊? (A)同相單端輸入雜訊 (B)同相雙端輸入雜訊 (C)反相單端輸入雜訊 (D)反相雙端輸入雜訊
11 如圖,欲使此四對一多工器執行 NAND 運算,如其輸出所示,則輸入信號(a, b, c, d)應為何種資料? (A)(0, 0, 0, 1) (B)(0, 0, 1, 1) (C)(1, 1, 0, 0) (D)(1, 1, 1, 0)
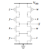
12 如圖所示之CMOS電路,輸出F與V
DD
之間為pFETs元件組態,輸出F與接地之間為nFETs元件組態, 則其輸出F為: (A)
(B)(x + y)(w + z) (C)(x + w)(y + z) (D)
13 考慮一加強型NMOS電晶體,於V
GS
= 3.3 V且 V
DS
= 2 V時量得電流 I
D
= 1.5 mA,同一製程之電晶體 若在相同操作電壓下欲得到更大之電流,可藉由下列何項方式達成? (A)選擇閘氧化層(gate oxide)厚度較厚之元件 (B)選擇通道長度(channel length)較長之元件 (C)選擇通道寬度(channel width)較大之元件 (D)使基板(substrate)偏壓由 V
SB
= 0V至V
SB
= 2V
14 如圖,此兩輸入端(two-input)之二極體(diode)邏輯電路,可執行何項運算? (A) NOT (B) AND (C) ORD) NAND
15 如圖之二極體電路,若輸入波vS為正弦波,且其週期為T,則電路之輸出波形最接近下列何者﹖
(A)
(B)
(C)
(D)
16 理想運算放大器具有虛擬短路(virtual short circuit)性質時,主要是因為那兩端之間存在回授電路所 致? (A)反相端(inverting terminal)與輸出端(output node)之間 (B)非反相端(non-inverting terminal)與輸出端(output node)之間 (C)反相端(inverting terminal)與接地(ground)之間 (D)非反相端(non-inverting terminal)與接地(ground)之間
17 在室溫下,考慮一pn接面矽半導體,p側之電子濃度為 1×10
7
cm
-3
,n側之電洞濃度為 1×10
5
cm
-3
,當 施加一逆向偏壓時,空乏區之分布應為下列何者? (A)大部分空乏區位於 n 側 (B)大部分空乏區位於 p 側 (C)n 側空乏區與 p 側空乏區一樣大 (D)p 側沒有空乏區
18 如圖為共源級放大器(common source amplifier)電路,其飽和區之電流方程式為I
Dp
= K
P
(V
SGP
– |V
TP
|)
2
, 電晶體參數為:K
P
= 1 mA/V
2
,V
TP
= -2 V,且λ= 0。若電路參數R
D
= 1 kΩ,R
L
= ∞ 且V
SDQ
= 5 V,則 此放大器之小信號電壓增益為: (A)-2 (B)-4 (C)-6 (D)-8
19 欲對一 MOSFET 放大器電路之電壓增益作頻率響應之分析,若此電路中同時含有旁路電容(bypass capacitor)及耦合電容(coupling capacitor),則此電路在分析時,對於電路中各種電容狀態之設定, 下列何項最為正確? (A)進行低頻帶(low frequency)分析時,MOSFET 電晶體內部電容短路 (B)進行中頻帶(midband frequency)分析時,旁路電容開路、耦合電容短路 (C)進行高頻帶(high frequency)分析時,旁路電容短路、耦合電容短路 (D)無論頻率高低,一律設定旁路電容開路、耦合電容短路
20 如圖電路中,其中的運算放大器為理想情況下,令V
1
=4V,V
2
=1V及V
3
=4V,求其輸出電壓Vo為: (A) 3V (B) 1.5V (C)-1V (D)-2.5V
21 如圖之電流鏡偏壓電路,若 M1,M2,M3 及 M4 為完全相同且尺寸一樣的四個加強型 MOSFET 電晶 體,下列敘述何者錯誤? (A)為使電路提供穩定電流,四個電晶體均需工作於飽和區 (saturation region) (B)i
OUT
= I
REF
(C)v
DS
(M1) = v
DS
(M3)(D)此疊接電流鏡(cascode current mirror)之架構可降低輸 M3 出電阻值
22 (A) M1-M2 組成差動放大器之輸入差動對(differential pair) (B) M3-M4 為一電流鏡 (C)最小共模輸入電壓值(minimum common-mode input voltage) 為V
-
+ V
DS4(sat)
+ V
GS1
(D)最大共模輸入電壓值(maximum common-mode input voltage) 為V
+
-V
DS1(sat)
+ V
GS1
23 承上題,若R
1
= 40 kΩ,且電晶體參數:K
n
= 0.25 mA/V
2
,V
TN
= 2 V,λ= 0。飽和區之電流方程式為 I
Dn
= K
n
(V
GSN
– V
TN
)
2
,則偏壓電流I
Q
之大小最接近那一個數值? (A) 0.1 mA (B) 0.2 mA (C) 0.3 mA (D) 0.4 mA
24 如圖為功率放大器電路,則其v
O
對v
I
之轉換特性曲線應近似為:
(A)
(B)
(C)
(D)
25 電路上應用負回授(negative feedback)之觀念,下列何者錯誤? (A)使用負回授可提升電路抗雜訊之能力 (B)負回授可降低電路之非線性效應 (C)負回授具有穩定輸出且會提高增益 (D)電壓放大器使用負回授電路時,可提高輸入電阻值
26 以下電路將金氧半場效電晶體(MOSFET)接成一個只具備兩端點(A 及 B)的元件,試問此元件可 以等效於那一種元件? (A)電感 (B)電容 (C)電阻 (D)二極體
27 有一個接面二極體,當處於開路平衡狀態時的空乏區寬度為W
1
,處於順向偏壓狀態時的空乏區寬度 為W
2
,而處於逆向偏壓狀態時的空乏區寬度為W
3
,請問W
1
、W
2
、W
3
之關係為何? (A)W
1
> W
2
> W
3
(B) W
1
= W
2
= W
3
(C) W
3
> W
1
> W
2
(D) W2 > W1 > W3
28 請問圖中電容(C
1
及C
3
)的功能分別為何? (A)C
1
及C
3
皆為旁路(bypass)電容 (B) C
1
為交流耦合(ac-coupling)電容,C
3
為旁路(bypass) 電容 (C) C
1
為旁路(bypass)電容,C
3
為交流耦合(ac-coupling) 電容 (D) C
1
為分壓電容,C
3
為交流耦合(ac-coupling)電容
29 根據圖中電晶體標示的尺寸求出I1及I2的電流值。 (A)I
1
= 1 mA,I
2
= 1.5 mA (B) I
1
= 0.2 mA,I
2
= 1.2 mA (C) I
1
= 0.5 mA,I
2
= 3 mA (D) I
1
= 1 mA,I
2
= 6 mA
30 如圖所示之電路,假設二極體導通時兩端之電壓降為 0.6V,試求輸出電壓Vo之值為何? (A) 0.8 V (B) 1.7 V (C) 7.6 V (D)4V
31 以下那一項不是理想運算放大器(OP Amplifier)的特性? (A)無窮大的開迴路增益 (B)無窮大的輸入阻抗 (C)無窮大的共模增益 (D)無窮大的頻寬
32 假設圖中放大器之所有電晶體(Q
1
, Q
2
, Q
3
)的小訊號參數分別為(g
m1
、g
m2
、g
m3
)及(r
o1
、r
o2
、r
o3
), vi為輸入電壓,V
B2
及V
B3
為偏壓電壓;電流源(I)為理想電流源,試推導圖中電路的等效輸出阻抗( R
o
)。 (A)r
o3
(B)g
m3
r
o3
r
o2
r
o1
(C)g
m3
g
m2
r
o3
r
o2
r
o1
(D)g
m3
g
m2
g
m1
r
o3
r
o2
r
o1
33 圖中的電壓放大器增益(A)為-100V/V,並且存在一個 1 MΩ的電阻(Z)跨接於此放大器的輸入與 輸出端,若利用米勒定理將此電阻(Z)等效成一個輸入電阻(Z
1
)接於放大器的輸入端及一個輸出 電阻(Z
2
)於放大器的輸出端,試計算Z1與Z2以及電壓增益(A
v
= V
o
/V
i
)的值。 (A)Z
1
=9.9 kΩ,Z
2
=0.99 MΩ,A
v
=-49.7V/V (B)Z
1
=0.99 MΩ,Z2=9.9 kΩ,Av=-49.7V/V (C)Z
1
=0.99 MΩ,Z
2
=9.9 kΩ,A
v
=-99V/V (D)Z
1
=9.9 kΩ,Z
2
=0.99 MΩ,A
v
=-99V/V
34 請問圖中的回授放大器是屬於那一種型態? (A)輸出感測電流,回授電流 (B)輸出感測電壓,回授電流 (C)輸出感測電壓,回授電壓 (D)輸出感測電流,回授電壓
35 矽(Si)本質半導體掺雜以下何種元素可以將其轉變成以自由電子為主要導電載子之半導體? (A)磷 (B)硼 (C)碳 (D)鎵
36 以下關於雙極性接面電晶體(BJT)放大器的敘述何者錯誤? (A)需操作在主動區(active)才可以有較大的增益 (B)與金氧半場效電晶體(MOSFET)放大器比較起來,增益較大但功率消耗也較大 (C)三種組態之放大器(共射極、共基極、共集極)中以共集極放大器的電壓增益最小 (D)三種組態之放大器(共射極、共基極、共集極)中以共基極放大器的輸入阻抗最大
37 假設圖中運算放大器為理想運算放大器,請計算出圖中的電路之輸出電壓為何? (A)-1.25 V (B)-1.125 V (C)-0.625 V (D)-0.5625 V
38 右列電路的邏輯函數(Y)為何? (A)
(B) Y = A( B + C ) + D (C) Y = ( A + BC ) D (D)
39 如下圖所示之電路,V
i
= 25 V,R
i
= 1 kΩ,齊納(Zener)二極體之額定功率為 144 mW,V
z
= 12 V , 欲維持穩定 12 V負載電壓,負載電阻RL 之最大值應為下列何者? (A) 8 kΩ (B) 12 kΩ (C) 15 kΩ (D) 18 kΩ
40 考慮如圖(a)之MOS反相器電路(Inverter),其中M1 之電性如圖(b),請根據電路之連接方式決定M2 之負載特性曲線(縱軸為i
D
,橫軸為v
OUT
)應為下列何者?
(A)
(B)
(C)
(D)
申論題 (0)