阿摩線上測驗
登入
首頁
>
初等/五等/佐級◆電子學大意
> 102年 - 102 原住民族特種考試_五等_電子工程:電子學大意#36969
102年 - 102 原住民族特種考試_五等_電子工程:電子學大意#36969
科目:
初等/五等/佐級◆電子學大意 |
年份:
102年 |
選擇題數:
40 |
申論題數:
0
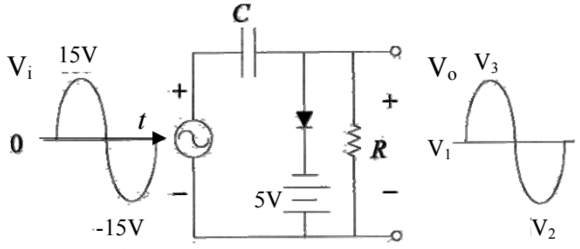
試卷資訊
所屬科目:
初等/五等/佐級◆電子學大意
選擇題 (40)
1 圖中運算放大器的量測結果顯示 V
i
= 2V,V
o
= 4V,此一運算放大器的增益為何? (A)2 (B)12 (C)102 (D)1002
2 如圖所示之理想運算放大器電路,此運算放大器之飽和(saturation)電壓為 ±10V,求在運算放大器飽和前之最大輸入電壓為何? (A)7V (B)8V (C)9V (D)10V
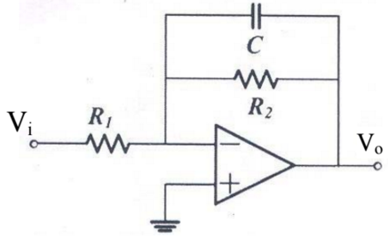
3 以下關於圖中電路的描述何者錯誤? (A)直流增益為 –R
2
/R
1
(B)–3dB 頻率為 1/(2π R
1
C) (C)具有一階的轉移函數 (D)為一低通濾波電路
4 如圖所示之電路,μ
n
C
ox
=35μA/V
2
,假定電晶體 M
L
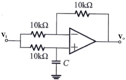
之 W/L=1 且 V
TNL
=-2V,電晶體 M
DA
與 M
DB
之 W/L=4 且 V
TND
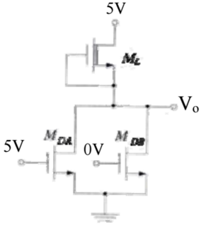
= 0.8V,忽略體效應(body effect),求此時之輸出電壓為何? (A)0.121V (B)0.321V (C)0.521V (D)0.721V
5 如圖所示之電路,
,V
TN
= 0.8V,V
TP
= -0.8V,λ=0,當 V
i
= 2V 時,求 V
o
約為何? (A)1.64V (B)2.64V (C)3.64V (D)4.64V
6 在外加工作電源情況下,欲使一空乏型 N 通道金氧半電晶體近似截流,閘極對源極應加: (A)高正電壓 (B)高負電壓 (C)零電位 (D)不一定
7 在 MOS 電晶體放大器中,以下列那一型的 MOS 電晶體最被廣泛使用? (A)增強型 NMOS (B)空乏型 NMOS (C)增強型 PMOS (D)空乏型 PMOS
8 一般矽質 PN 二極體導通時,其兩端的電位差約為多少伏特? (A)1.2 (B)1.0 (C)0.7 (D)0.2
9 整塊正(P)型半導體材料之外在整體電荷表現是呈現: (A)正電性 (B)負電性 (C)視雜質原子之原子序而定 (D)電中性
10 圖中整流電路,假設輸入電壓的變化為 V
PS
= 20V~24V,阻抗的變化為 R
L
= 100Ω~500Ω,則欲得 到穩定的輸出電壓 V
L
= 10V,合理的 R
i
應為 (A)87.5Ω (B)175Ω (C)350Ω (D)700Ω
11 圖示整流電路中,若輸入 V
i
為弦波,有關輸出 V
o
的漣波(ripple)大小,下列敘述何者正確? (A)與電容值 C 成正比 (B)與電阻值 R 成正比 (C)與 V
i
的峰值電壓成反比 (D)與 V
i
的頻率成反比
12 圖中理想二極體四倍壓電路中輸入正弦波訊號的峰值為 V
m
,二極體的峰值反向電壓是多少? (A)Vm (B)2Vm (C)3Vm (D)4Vm
13 如圖所示之電路,二極體導通之壓降為 0.7V,RC>>V
i
之週期,求電路穩態時之 V
2
為何?
(A)-4.3V (B)-14.3V (C)-24.3V (D)-34.3V
14 若 P-N 接面二極體之導通電壓為 0.7V,且導通電阻值為 0Ω,若 V
i
為 + 2V,下列敘述何者正確? (A)電阻上之電流為 3.3mA (B)V
o
為 3.7V (C)V
o
為-2.7V (D)電阻上之電流為 0
15 圖示理想運算放大器電路中,V
i
為輸入電壓及 V
o
為輸出電壓,本電路為: (A)濾波電路 (B)箝位電路 (C)截波電路 (D)峰值偵測電路
16 圖示理想二極體電路中,若輸入 V
i
為弦波,峰值電壓 5V,下列何者為 V
o
的波形?
17 欲使 PN 二極體被順向偏壓,則應將: (A)PN 短路 (B)P 加正電壓,N 加負電壓 (C)P 加負電壓,N 加正電壓 (D)PN 開路
18 圖示 BJT 放大器,若圖中電流源 I 為主動負載,今若 I 變為原有之 4 倍,則電壓增益 V
o
/V
i
: (A)變為原來的 16 倍 (B)變為原來的 4 倍 (C)變為原來的 2 倍 (D)不變
19 圖示之電路若電晶體操作於飽和區,下列何種方式可使電晶體進入主動區? (A)減少 R
B
(B)增加 R
C
(C)減少 I
b
(D)減低 C2
20 在雙極接面電晶體的共射(CE),共基(CB),共集(CC)三種組態中,何者之電壓增益小於 1? (A)CE (B)CB (C)CC (D)CE 及 CB
21 某增強型 NMOS 場效電晶體的 V
t
= 1V、μ
n
C
ox
(W/L)= 25μA/V
2
,今若其源極(Source)電壓 0.5V,閘極(Gate)電壓 2.5V,汲極(Drain)電壓 2V,則此電晶體工作在: (A)飽和區(Saturation Region) (B)截止區(Cutoff Region) (C)三極體區(Triode Region) (D)直線區(Linear Region)
22 一個增強型 N 通道 MOS 電晶體,其臨限電壓為 V
t
,當操作於飽和區時,其汲源間之電壓 V
DS
最小應為: (A)V
DS
= V
GS
(B)V
DS
=V
t
(C)V
DS
= V
GS
-V
t
(D)V
DS
= V
GS
+V
t
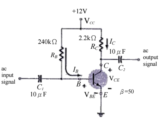
23 圖中電晶體電路集極端的直流工作點約為何? (A)I
C
=5.20mA,V
CE
=3.2V (B)I
C
=2.35mA,V
CE
=6.8V (C)I
C
=4.10mA,V
CE
=2.4V (D)I
C
=2.80mA,V
CE
=5.6V
24 如圖示為 MOS 電晶體操作於飽和模式(Saturation-mode)之 π 型小訊號等效電路,其中電晶體的輸出電阻 r
o
與汲極電流 I
D
的關係約為: (A)r
o
正比於 1/I
D
(B) r
o
正比於
(C)r
o
正比於
(D)r
o
正比於 I
D
25 如圖所示電路之 R
IN(BASE)
值約為: (A)100 kΩ (B)200 kΩ (C)300 kΩ (D)400 kΩ
26 圖中電晶體的 β=100,V
BE
=0.7V 及 V
T
=25mV,則 R
in
約為: (A)2 kΩ (B)5 kΩ (C)20 kΩ (D)100 kΩ
27 以下何者是 BJT 的單一增益頻寬(Unity-gain bandwidth)之正確描述? (A)單一增益頻寬值與(Cπ+Cμ)成正比 (B)單一增益頻寬值與輸出電阻 r
o
有關 (C)定義為當 h
fe
的絕對值隨頻率增加而減少至 1 時,所對應的頻率值 (D)單一增益頻寬值為一常數,不隨集極電流而改變
28 若電晶體操作於主動區(Forward Active Region),電流增益 β 為定值,關於小訊號模型之敘述下列何者錯誤? (A)電流 I
C
越大則轉導值(g
m
)越小 (B)Cπ>Cμ (C)電流 I
C
越大 r
o
越小 (D)電流 I
C
越大 r
π
越小
29 如圖所示之接面場效電晶體(JFET)放大器,已知工作點閘源極電壓 V
GS
為-2.2V,汲極電流 I
D
為2mA,I
DSS
為 10mA,夾止電壓(Pinch-off Voltage)V
P
為-4V,不考慮接面場效電晶體的交流輸出阻 抗 r
d
的影響,則此放大器的輸出阻抗 Z
o
約為多少? (A)560 Ω (B)1.2 kΩ (C)3.3 kΩ (D)12 kΩ
30 圖示放大器中電晶體 Q
1
與 Q
2
特性完全相同,β=100,電源流 I = 0.5mA,R
L
=10kΩ,則其電壓增益V
o
/V
i
約為: (A)0.97 (B)25 (C)50 (D)100
31 一放大器的高頻響應可用以下的轉移函數來表示,其-3dB 頻率約為多少?
(A)1×10
4
rad/s (B)4×10
4
rad/s (C)8×10
4
rad/s (D)2×10
5
rad/s
32 假設一環鈴振盪器(ring oscillator)有 5 個反相器(inverter),每一個反相器之傳遞延遲(propagation delay)為 1ns,求此環鈴振盪器之振盪頻率為何? (A)1 MHz (B)10 MHz (C)100 MHz (D)1000 MHz
33 某一 RC 主動式濾波器(Active Filter)電路圖所示,已知 U1 為理想運算放大器,試問該電路 V
o
/V
i
轉移函數(Transfer Function)的數學表示式為何?
34 如圖示之差動對電路,電晶體之 β=100,r
o
→∞,R
C
=4kΩ,I=2mA,V
CC
=-V
EE
=10V,取 V
BE(on)
=0.7V,V
CE(sat)
=0.3V,V
T
=25mV,電晶體之 g
m
值約為多大? (A)0 (B)20 mA/V (C)40 mA/V (D)60 mA/V
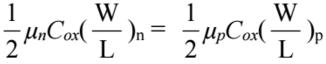
35 圖示之電路為 CMOS 運算放大器,為使電路有好的輸出直流偏移(Output DC Offset)特性,下列有關寬長比(W/L)之敘述,何者正確?
36 以下關於放大器頻率響應特性的描述,何者錯誤? (A)當操作頻率小於低 -3dB 頻率時,其增益斜率為 20dB/decade (B)當操作頻率大於高 -3dB 頻率時,其增益斜率為 -20dB/decade (C)當操作頻率為高 -3dB 頻率時,其輸出電壓為中頻輸出電壓的一半 (D)當操作頻率為高 -3dB 頻率時,其轉移函數的相位變化為-45°
37 有一放大器,其輸入與輸出端之間有一跨接電容 C1=2pF,電壓增益為 V
o
/V
i
= -100V/V。若輸入端至地之等效電容為 C2,試求 C2/C1 的比值。 (A)接近 0 (B)接近 1 (C)接近 50 (D)接近 100
38 組成某運算放大器的子電路有:①電壓放大器 ②差動放大器 ③AB 類放大器,則此運算放大器自輸入端至輸出端,其子電路的組成方式依序應為: (A)①→②→③ (B)①→③→② (C)②→①→③ (D)②→③→①
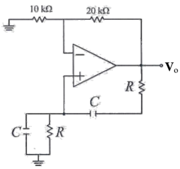
39 圖示由理想運算放大器所組成之振盪器電路,若電阻 R=1kΩ,電容 C=1μF,則振盪頻率為多少? (A)225 Hz (B)159 Hz (C)113 Hz (D)92 Hz
40 圖示中為一全通濾波器,在頻率 5×10
3
rad/s 產生 90°的相位變化,此時所需的電容值為何? (A)10 nF (B)20 nF (C)50 nF (D)100 nF
申論題 (0)
相關試卷
115年 - 115 初等考試_電子工程:電子學大意#136710
115年 · #136710
114年 - 114 初等考試_電子工程:電子學大意#124880
114年 · #124880
113年 - 113 初等考試_電子工程:電子學大意#118527
113年 · #118527
112年 - 112 地方政府特種考試_五等_電子工程:電子學大意#118362
112年 · #118362
112年 - 112 鐵路、國家安全情報特種考試_佐級、五等_電子工程、電子組:電子學大意#114944
112年 · #114944
112年 - 112 身心障礙特種考試_五等_電子工程:電子學大意#113943
112年 · #113943
112年 - 112 初等考試_電子工程:電子學大意#112891
112年 · #112891
111年 - 111 地方政府特種考試_五等_電子工程:電子學大意#112600
111年 · #112600
111年 - 111 鐵路特種考試_佐級_電子工程:電子學大意#108515
111年 · #108515
111年 - 111 初等考試_電子工程:電子學大意#105667
111年 · #105667