阿摩線上測驗
登入
首頁
>
初等/五等/佐級◆電子學大意
> 99年 - 99 身心障礙特種考試_五等_電子工程:電子學大意#47090
99年 - 99 身心障礙特種考試_五等_電子工程:電子學大意#47090
科目:
初等/五等/佐級◆電子學大意 |
年份:
99年 |
選擇題數:
40 |
申論題數:
0
試卷資訊
所屬科目:
初等/五等/佐級◆電子學大意
選擇題 (40)
1 矽晶二極體的 n 型區中常使用的摻雜元素為何? (A)磷 (B)金 (C)碳 (D)銦
2 相較於 p-n 接面二極體(junction diode),下列關於蕭特基二極體(Schottky diode)之敘述,何者正確? (A) 蕭特基二極體的製造過程較複雜 (B)蕭特基二極體所需要的面積較大 (C)蕭特基二極體無法進行整流 (D)蕭特基二極體的切換速度較快
3 在半導體中,下列那一個電流分量常可略去不計? (A)少數載子的擴散電流 (B)少數載子的漂移電流 (C)多數載子的擴散電流 (D)多數載子的漂移電流
4 下列有關 p-n 接面二極體之敘述何者正確? (A)摻雜濃度越高,空乏區寬度越大 (B)擴散電容(Diffusion Capacitance)是逆向偏壓時所注入的少數載子(minority carrier)所造成的 (C) P 型材料的空乏區中是帶正電且不可移動的離子 (D)外加逆向偏壓愈大,接面電容愈小
5 如圖的 i-v 特性曲線代表何種元件?
(A)電阻 (B)理想二極體 (C)電感 (D)電容
6 當雙極性接面電晶體(bipolar junction transistor)工作於下列何種型態(mode)時,其基極中之少數載子 (minority carrier)的數目會最多? (A)截止型態(Cut-off mode) (B)順向作用型態(Forward active mode) (C)反向作用型態(Reverse active mode) (D)飽和型態(Saturation mode)
7 一般而言,DRAM 的內部記憶胞電路基本上是由那些元件所構成? (A)一個電晶體 (B)一個電晶體及一個電容 (C)一個電晶體及一個電阻 (D)四個電晶體及兩個電阻
8 雙極性接面電晶體(bipolar junction transistor)若是工作在逆向作用區(reverse active mode),則射-基接 面(emitter-base junction)與集-基接面(collector-base junction)之偏壓狀態為何? (A)射-基接面順偏,集-基接面順偏 (B)射-基接面順偏,集-基接面逆偏 (C)射-基接面逆偏,集-基接面順偏 (D)射-基接面逆偏,集-基接面逆偏
9 今有一雙極性接面電晶體(BJT),以三用電表測試各接腳之間的導通情形,測試結果如下表所示,則試判 斷 1 號接腳為:
(A)射極(Emitter) (B)基極(Base) 不導通 (C)集極(Collector) 導通 (D)基板(Substrate)
10 如圖是一個雙極性接面電晶體(BJT)放大器電路,已知電晶體的VBE = 0.7 V、β = 50、爾利(Early)效應 電壓V
A
= 20 V,假設C
1
、C
2
、C
E
三個電容值趨近於無窮大,此時電晶體放大器的輸出電阻R
o
最接近下列何 值?
(A) 14 kΩ (B) 10 kΩ (C) 4 kΩ (D) 3 kΩ
11 如圖所示為一個二極體-電晶體邏輯閘(diode-transistor logic gate),此邏輯閘為:
(A) NAND (B) NOR (C) NOT (D) AND
12 如圖所示電路之功能為何?
(A)低通濾波器 (B)帶通濾波器 (C)高通濾波器 (D)帶拒濾波器
13 當在實現 MOSFET 的積體電路時,常常需要把其中許多 MOSFET 的源極和基板相接,此舉的目的為降低何 種效應? (A)爾利(Early)效應 (B)米勒(Miller)效應 (C)基板(Substrate or Body)效應 (D)崩潰(Breakdown)效應
14 下列有關場效應電晶體臨限電壓(threshold voltage)Vt的敘述,何者正確?
(A)n通道空乏型(depletion type)及n通道增強型(enhancement type)的V
t
都為正值
(B)n通道空乏型及n通道增強型的V
t
都為負值
(C)p通道空乏型及n通道增強型的V
t
都為負值
(D)p通道空乏型及n通道增強型的V
t
都為正值
15 如圖示電路,n 通道增強型(enhancement type)場效應電晶體工作於:
(A)截止區(cut-off region) VDD=10V (B)歐姆區(ohmic region) (C)飽和區(saturation region) 1kΩ (D)無法決定
16 對MOSFET而言,當V
GS
= 0 時,有通道存在的是: (A)增強型 PMOSFET (B)增強型 NMOSFET (C)增強型 CMOSFET (D)空乏型 NMOSFET
17 下列有關場效應電晶體放大器之敘述,何者正確? (A)共源極(common source)放大器之頻寬甚大於共閘極(common gate)放大器之頻寬 (B)共源極放大器之電壓增益甚大於共閘極放大器之電壓增益 (C)共汲極(common drain)放大器之輸出阻抗小於共源極及共閘極放大器之輸出阻抗 (D)共汲極放大器之電壓增益大於一
18 在 npn 射極隨耦器(Emitter follower)中,那一個端點接最正電壓? (A)集極(Collector) (B)源極(Source) (C)閘極(Gate) (D)基極(Base)
19 今比較兩個利用電流源產生偏壓之MOSFET放大器電路如圖 1 與圖 2 所示。其中,輸入信號由電晶體Q
1
的 閘極端饋入,偏壓V
BIAS1
、V
BIAS2
使電晶體Q
1
、Q
2
均保持在飽和區內工作。則圖 1 中電晶體Q
2
所提供的額外 作用不可能是下列何者?
(A)提高電壓增益 (B)提高輸入阻抗 (C)提高高頻響應的頻寬 (D)提高電壓增益與響應頻寬的乘積(gain-bandwidth product)
20 今有一BJT放大器電路的小信號電路如圖所示,已知r
π
= 2.6 kΩ、β = 100、忽略爾利(Early)效應。今定義 vo 開路電壓增益(open-circuit voltage gain)
。則A
vo
最接近的增益值為:
(A)-160 V/V (B)條件不足 (C) 20 V/V (D) 50 V/V
21 雙極性接面電晶體所構成的基本放大器電路組態中,輸出阻抗最低者為: (A)共射極組態 (B)共基極組態 (C)共集極組態 (D)共源極組態
22 下圖關於功率(Power)放大器電路輸出波形種類的敘述何者正確?
(A) A 類放大器 輸出電流 (B) B 類放大器 (C) AB 類放大器 (D) C 類放大器
23 在下列MOSFET放大器串接組態中,何者之輸入電阻Ri為最小? (A) CS-CS 放大器 (B) CG-CD 放大器 (C) CD-CS 放大器 (D) CS-CG 放大器
24 一個 BJT 做線性放大器使用時,需工作於: (A) 截止區(Cut-off region) (B)主動區(Active region) (C)飽和區(Saturation region) (D)夾止區(Pinch-off region)
25 下列何者不是理想運算放大器應具有的特性? (A)電壓增益無限大 (B)頻寬無限大 (C)輸出阻抗為零 (D)輸入阻抗為零
26 有一由兩電晶體所形成之達靈頓(Darlington)電路,假設兩電晶體的 β 值均為 99,則該達靈頓電路的總直 流電流增益為: (A) 10000 (B) 1990 (C) 990 (D) 198
27 一個MOSFET完整的小信號等效電路模型如下所示。請問C
db
產生的原因為何?
(A)兩層隔開之導電層相互之間受電場感應堆積電荷所致 (B) pn 接面於逆偏壓條件(reverse biased condition)下,pn 兩層半導體在界面附近電荷量變化所致 (C) pn 接面於順偏壓條件(forward biased condition)下,導通電流在界面附近堆積電荷所致 (D)半導體晶格內缺陷中心捕捉電荷,改變局部電荷分佈所致
28 在實際 BJT 功率放大電路中,皆有一個旁路電容,此電容有下列何功能? (A)提高輸入阻抗 (B)提高輸出阻抗 (C)提高電流增益 (D)提高電壓增益
29 下圖單級放大器,因R
S
並聯一電容C
S
,使得此放大器之小訊號電壓增益會隨頻率之上升而有何種變化?
(A)持平-上升-持平 (B)持平-下降-持平 (C)下降-持平-上升 (D)上升-持平-下降
30 某一放大器的輸入RC網路,R
in
= 1 kΩ,C
i
= 1 µF,則其低頻-3 dB頻率約為: (A) 159 kHz (B) 159 Hz (C) 1000 kHz (D) 1000 Hz
31 如圖所示之頻率響應的放大器,則此放大器為何種濾波器?
(A)低通 增益 (B)高通 (C)帶通 (D)帶拒 頻率
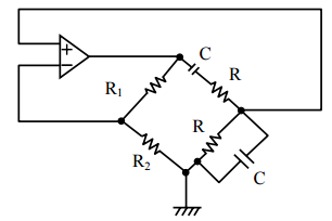
32 下圖為韋恩電橋振盪器(Wien-bridge oscillator),當電路處於振盪狀態時,其R
1
與R
2
應滿足下列何條件?
(A)R
1
= R
2
(B)R
1
≤ R
2
(C)R
1
≤ 2R
2
(D)R
1
≥ 2R
2
33 下列關於下圖動態邏輯電路之敘述,何者不正確?
(A)為一動態邏輯閘 (B)靜態電流為零 (C)Y=A+B (D)充電期,輸出為V
DD
34 用運算放大器建構之 RC 相移(Phase-Shift)振盪器,其輸出波形為: (A)方波 (B)弦波 (C)三角波 (D)鋸齒波
35 如圖所示運算放大器電路,輸入電壓V
1
= -1 V,V
2
= 3 V,電阻值R
1
= R
2
= 10 kΩ,R
3
= 10 kΩ,R
4
= 50 kΩ,則 輸出電壓V
o
為:
(A) 12 V (B)6V (C)-12 V (D)-6 V
36 邏輯閘中速度最快的為: (A)射極耦合邏輯(ECL) (B)電晶體-電晶體邏輯(TTL) (C)互補金氧半(CMOS) (D)二極體-電晶體邏輯(DTL)
37 下列何者為隨機存取記憶體? (A) ROM (B) RAM (C) PROM (D) EPROM
38 下列有關光電二極體(photodiode)的敘述,何者正確? (A)光電二極體的輸出電流正比於入射光的強度 (B)光電二極體通常是在零偏壓或順向偏壓下操作 (C)光電二極體是將電的信號轉換成光的信號 (D)光電二極體的輸出電壓正比於入射光的強度
39 手機零組件之表面聲波元件係使用下列何種材料? (A)磁性材料 (B)壓電材料 (C)光電材料 (D)鐵電材料
40 下列何者屬於非揮發性記憶體(Nonvolatile Memory): (A)動態隨機存取記憶體(DRAM) (B)靜態隨機存取記憶體(SRAM) (C)唯讀記憶體(ROM) (D)電荷耦合元件(CCD)
申論題 (0)
相關試卷
115年 - 115 初等考試_電子工程:電子學大意#136710
115年 · #136710
114年 - 114 初等考試_電子工程:電子學大意#124880
114年 · #124880
113年 - 113 初等考試_電子工程:電子學大意#118527
113年 · #118527
112年 - 112 地方政府特種考試_五等_電子工程:電子學大意#118362
112年 · #118362
112年 - 112 鐵路、國家安全情報特種考試_佐級、五等_電子工程、電子組:電子學大意#114944
112年 · #114944
112年 - 112 身心障礙特種考試_五等_電子工程:電子學大意#113943
112年 · #113943
112年 - 112 初等考試_電子工程:電子學大意#112891
112年 · #112891
111年 - 111 地方政府特種考試_五等_電子工程:電子學大意#112600
111年 · #112600
111年 - 111 鐵路特種考試_佐級_電子工程:電子學大意#108515
111年 · #108515
111年 - 111 初等考試_電子工程:電子學大意#105667
111年 · #105667