阿摩線上測驗
登入
首頁
>
高等工程力學(包括材料力學)
>
104年 - 104 公務升官等考試_簡任_土木工程、結構工程:高等工程力學研究(包括材料力學)#41891
> 申論題
題組內容
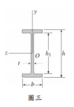
三、一寬翼型梁詳如圖三,當其受到剪力 V 作用,若截面的尺寸為 b=150 mm、t =12 mm、 h=300 mm、h
1
=270 mm 及 V=130 kN,試求:
⑷腹板承受的剪力 Vweb。 (7分) 註:忽略腹、翼接合間的導角。
相關申論題
⑴在 B 點載重 P=970 N 作用下,試求 C 點及 D 點的拉應力。 (10 分)
#130973
⑵試求桿端 B 點的向下位移δB。 (15 分)
#130974
⑴腹板的最大剪應力τmax。 (6分)
#130976
⑵腹板的最小剪應力τmin。 (6分)
#130977
⑶腹板平均剪應力τaver。 (6分)
#130978
四、如圖所示,水平懸臂梁固接於 A 點,載重作用前在中跨 C 點以未變形彈簧 K連接。於自由端 B 處施加 P=4 kN 向下集中力後,計算 B 點位移量。已知梁EI =5000 kN-m 2,L=10 m ,彈簧 K= 6 EI /L3=30 kN/m 。(25 分)
#554281
(二)若連接桿與水平的夾角標示為θ,分析最省力情況(使 F 最小)時的角度θ為何?(10 分)
#554280
(一)假設連接桿施力的角度維持與水平夾角 30°,亦即圖示角度,使圓筒恰抬高時的力量為 F,推及拉兩種方式施力所計算的 F 值分別為何?(15 分)
#554279
(二)計算 A 點下移量時,若僅考慮彎矩與扭矩之效應,分別標示為 △ M 、△T ,兩者比值為何?(15 分)
#554278
(一) C 點位置在曲型細圓桿中間,亦即圖示θ=45°,分析 C 處斷面的彎矩(M)與扭矩(T)分別為何?(10 分)
#554277
相關試卷
114年 - 114 高等考試_二級_土木工程:高等工程力學(包括材料力學)#131607
114年 · #131607
113年 - 113 高等考試_二級_土木工程:高等工程力學(包括材料力學)#123080
113年 · #123080
112年 - 112 高等考試_二級_土木工程:高等工程力學(包括材料力學)#116755
112年 · #116755
111年 - 111 高等考試_二級_土木工程:高等工程力學(包括材料力學)#111036
111年 · #111036
110年 - 110 高等考試_二級_土木工程:高等工程力學(包括材料力學)#101929
110年 · #101929
109年 - 109 高等考試_二級_土木工程:高等工程力學(包括材料力學)#91542
109年 · #91542
108年 - 108 公務升官等考試_簡任_土木工程、結構工程:高等工程力學研究(包括材料力學)#80455
108年 · #80455
108年 - 108 高等考試_二級_土木工程:高等工程力學(包括材料力學)#79531
108年 · #79531
107年 - 107 高等考試_二級_土木工程:高等工程力學(包括材料力學)#72426
107年 · #72426
106年 - 106 公務升官等考試_簡任_土木工程、結構工程:高等工程力學研究(包括材料力學)#66336
106年 · #66336