阿摩線上測驗
登入
首頁
>
初等/五等/佐級◆電子學大意
> 99年 - 99 國家安全情報特種考試_五等_電子組:電子學大意#38796
99年 - 99 國家安全情報特種考試_五等_電子組:電子學大意#38796
科目:
初等/五等/佐級◆電子學大意 |
年份:
99年 |
選擇題數:
40 |
申論題數:
0
試卷資訊
所屬科目:
初等/五等/佐級◆電子學大意
選擇題 (40)
1 如圖所示電路,若電晶體飽和之V
CE sat
=0.2 V,IR
L
<V
CC
-0.2 V,則輸出電壓υO之最負值υ
O min
為:
(A)-V
CC
+2 V (B)-V
CC
(C)-V
CC
-0.2 V (D)- I•RL
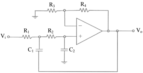
2 如圖所示電路若為帶通濾波器(Band Pass Filter),則下列那一項R
1
、R
2
、C
1
、C
2
組合之設計值錯誤?
(A)R
1
=1 kΩ,C
1
=0.01 μF,R
2
=2 kΩ,C
2
=0.1 μF
(B)R
1
=2 kΩ,C
1
=0.01 μF,R
2
=1 kΩ,C
2
=0.1 μF
(C)R
1
=1 kΩ,C
1
=0.1 μF,R
2
=2 kΩ,C
2
=0.01 μF
(D)R
1
=5 kΩ,C
1
=0.1 μF,R
2
=50 kΩ,C
2
=0.05 μF
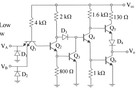
3 如圖所示,利用電晶體、二極體及電阻組成數位正邏輯電路,若V
CC
=5 V且輸入電壓V
A
=0 V且V
B
=5 V,則下列敘述何者正確?
(A) Q
2
導通、Q
3
導通、Q
4
不導通、輸出電壓V
O
=High (B)Q
2
導通、Q
3
導通、Q
4
導通、輸出電壓V
O
=High (C) Q
2
不導通、Q
3
不導通、Q
4
不導通、輸出電壓V
O
=Low
(D)Q
2
不導通、Q
3
不導通、Q
4
導通、輸出電壓V
O
=Low
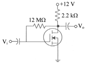
4 如圖所示電路,其中R
1
C1>R
2
C
2
,則A
V
=V
o
/V
i
的頻率響應圖是下列何者?
5 如圖所示電路,若運算放大器的正負輸出飽和電壓為±12 V、R
1
=20 kΩ、R
2
=40 kΩ,當v
I
為 1 V時, 此輸出電壓v
O
為何? (A)-2 V (B) 2 V (C) 3 V (D) 12 V 或-12 V 皆有可能
6 關於增強型金氧半場效電晶體(MOSFET)之敘述,下列何者錯誤? (A)固定汲極電流ID條件下,電晶體操作在飽和區(Saturation Region)之轉移電導值(Transconductance)gm較 操作在三極管區(Triode Region)時大 (B)固定汲極電流ID條件下,電晶體操作在飽和區(Saturation Region)時之輸出阻抗ro較操作在三極管 區(Triode Region)時小 (C) N 通道金氧半場效電晶體導通時之閘極電壓比源極電壓高 (D) P 通道金氧半場效電晶體靠電洞導電
7 如圖的電流鏡電路中,電晶體Q
1
、Q
2
具相同特性,其臨限電壓為V
t
。要使輸出電流I
o
最接近I
REF
,則 輸出電壓V
o
應: (A)V
o
=V
GS
(B)V
o
=V
t
(C)V
o
=V
GS
-V
t
(D)V
o
=V
GS
+V
t
8-3 8 如圖所示之增強(Enhancement)型金氧半場效電晶體(MOSFET)放大器,已知在工作點的轉移電 導(Transconductance)gm為 1.5 mS,閘源極臨界電壓(Threshold Voltage)V
GS(th)
為 3 V,不考慮接 面場效電晶體的交流輸出阻抗r
d
的影響,則此放大器的電壓增益A
v
(=V
o
/V
i
)約為多少? (A) 13.3(B)9.8(C) 6.5 (D) 3.3
9 一個p
+
n接面二極體,其p型側的雜質濃度N
A
,遠大於n型側的雜質濃度N
D
,則在下列四個選項中,那一 項對p
+
n接面二極體的逆向飽和電流I
S
的影響最小? (A)接面面積 (B)溫度 (C)p型區雜質濃度N
A
(D)n型區雜質濃度N
D
10 圖中電晶體β=100,V
BE(sat)
=0.8 V及V
CE(sat)
=0.2 V,若要使電晶體在飽和區工作,則最大值R
B
約為:
(A) 520 kΩ (B) 430 kΩ (C) 340 kΩ (D) 210 kΩ
11 如圖所示電路,電晶體Qn與Qp具有相同之特性,其臨限電壓V
tn
=|V
tp
|=1 V。當輸入電壓V
i
=2.5 V時, 其輸出電壓Vo為: (A) 5 V (B) 4 V (C) 2.5 V (D) 1 V
12 NAND Flash 記憶體其特性及應用,何者錯誤? (A)讀取速度比 NOR Flash 快 (B)可儲存大量資料 (C)數位相機 (D) MP3
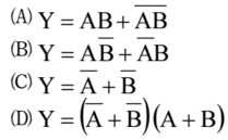
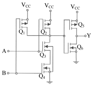
13 如圖所示之MOS電路,Q
1
、Q
2
及Q
5
為增強型P通道MOSFET,Q
3
、Q
4
及Q
6
為增強型N通道MOSFET ,則輸出Y為:
14 圖中邏輯電路之布林函數為何?
15 關於圖中濾波器,下列敘述何者錯誤?
(A)帶通(Band Pass)濾波器
(B)中心頻率為:
(C)品質因素(Quality Factor,Q)為:
(D)一階濾波器
16 圖示電路為:
(A)單穩態多諧振盪器(Monostable Multivibrator) (B)無穩態多諧振盪器(Astable Multivibrator) (C)比較器(Comparator) (D)雙穩態多諧振盪器(Bistable Multivibrator)
17 如圖所示電路,A
v
=V
o
/V
i
的頻率響應圖是下列何者?
18 若系統之轉移函數為
,下列敘述何者正確? (A)此為低通濾波器 (B)此為高通濾波器 (C)此為帶通濾波器 (D)此為帶拒濾波器
19 如圖所示運算放大器電路,若輸入電壓為V
1
=1 mV、V
2
=1 mV,試求其輸出電壓V
o
應為多少? (A)-4 mV (B) 4 mV (C)-2 mV (D) 2 mV
20 一電流放大器電路如圖所示,含理想運算放大器,以及電阻R
1
、R
2
、R
L
。令R
2
=1 kΩ,欲得到電流 增益I
L
/I
IN
=10,則R
1
電阻值為何? (A) 100 Ω (B) 900 Ω (C) 9 kΩ (D) 10 kΩ
21 如圖所示為兩級串接RC耦合放大器電路,電晶體Q
1
與Q
2
之參數為V
BE1
=V
BE2
=0.7 V,β
1
=β
2
=100,又V
cc
=20 V且R
1
=R
5
=4 kΩ,R
2
=R
6
=1 kΩ,R
3
=R
4
=R
7
=R
8
=1 kΩ,當以直流分析此電路時,圖中I
B1
及 I
E2
之電流值約為?
(A)I
B1
=0.03 mA且I
E2
=3.2 mA
(B)I
B1
=0.19 mA且I
E2
=10 mA
(C)I
B1
=0.19 mA且I
E2
=19 mA
(D)I
B1
=2.2 mA且I
E2
=10 mA
22 就差動放大器而言,下列何者為最好的共模增益? (A)-10 (B) 0 (C) 1 (D) 10
23 關於雙極性接面電晶體(BJT)操作在主動區(Forward Active Region)之敘述,下列何者錯誤? (A)轉移電導增益值與集極電流IC成正比 (B)輸出阻抗r
o
與集極電流I
C
成正比 (C)基極到射極為順偏壓 (D)基極到集極為逆偏壓
24 如圖之MOS電晶體放大器,設電晶體操作於飽和區,其輸出電阻r
o
極大,且轉移電導值
。 則此放大器之小訊號電壓增益V
o
/V
i
約為:
(A)g
m
R
D
(B)-g
m
R
D
(C)R
D
/R
S
(D)-R
D
/R
S
25 下列電路可以做為:
(A)反相電路 (B)緩衝電路 (C)濾波電路 (D)整流電路
26 圖中增強型N通道MOSFET的V
t
=1 V,且工作點為V
GS
=4 V,I
D
=2.5 mA,V
DS
=5 V,則R
D
及R
S
分 別約為:
(A) 2.5 kΩ、1.2 kΩ
(B) 2.0 kΩ、0.8 kΩ
(C) 1.6 kΩ、0.4 kΩ
(D) 1.0 kΩ、0.2 kΩ
27 當一MOS電晶體操作於飽和模式時,其轉移電導值gm與汲極電流ID的關係是(不考慮短通道效應):
(A) g
m
∝ I/1
D
(B) g
m
∝ 1/√I
D
(C) g
m
∝√I
D
(D) g
m
∝ I1
D
28 下圖電晶體電路之集極工作電流I
CQ
約為何?
(A) 10 mA (B) 8 mA (C) 2 mA (D) 1 mA
29 在雙極性接面電晶體(BJT)的小訊號模型中,輸出電阻r
o
與集極電流I
c
的關係為:(A)r
o
∝I
c
(B)r
o
∝
(C)r
o
∝√I
c
(D) r
o
與 無關 I
c
30 p
+
n二極體加逆向偏壓時,只有少量的電流存在,主要成因是: (A) n 區內的電洞電流 (B) n 區內的電子電流 (C)p
+
區內的電洞電流 (D)p
+
區內的電子電流
31 如圖所示,通過二極體D
2
的電流約為: (A) 0.5 mA (B) 1.5 mA (C) 2.5 mA (D) 3.5 mA
32 EEPROM 是可由使用者重新程式化(Programming)的 ROM(唯讀記憶體),理想的 EEPROM 可 經多少次重新程式化: (A)僅一次 (B)僅兩次 (C)僅三次 (D)無數次
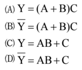
33 圖中邏輯電路輸出 Y 與輸入 A、B、C 的關係式為:
34 圖為振盪器等效電路,下列敘述何者錯誤?
(A)本電路為科爾皮茲(Colpitts)振盪器 L
(B)g
m
R≧C
2
/C
1
(C)振盪頻率為
(D)產生正弦波
35 一運算放大器的轉換率(Slew Rate)為 31.4 V/μs,輸出一正弦波,其峰至峰(Peak to Peak)振幅為 10 V。則其輸出不會產生失真的最高頻率約為:
(A) 5 MHz (B) 1 MHz (C) 500 kHz (D) 100 kHz
36 如圖所示電路,下列敘述何者錯誤?
(A)此電路為微分器電路 (B)輸出電壓
(C)當輸入電壓V
i
波形為方波,則輸出電壓 波形為三角波 V
o
(D)此電路為高通濾波器
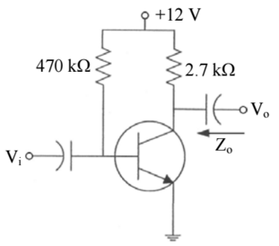
37 如圖所示之雙極性接面電晶體(BJT)放大器,已知電晶體參數β(=I
c
/I
b
)為 120,以及電晶體集極到 射極的交流輸出阻抗r
o
為 60 kΩ,則此放大器的輸出阻抗Z
o
約為多少?
(A) 2.7 kΩ (B) 60 kΩ (C) 120 kΩ (D) 470 kΩ
38 在下列何者條件下,增強型N通道MOSFET,會有通道產生並使汲極電流I
D
流通(I
D
>0)?( V
t
為臨限電壓(Threshold Voltage)) (A)V
DS
>0,V
GS
<V
t
(B)V
DS
>0,V
GS
>V
t
(C)V
DS
<0,V
GS
<V
t
(D)V
DS
<0,V
GS
>V
t
複選題
39 圖中R
B
極大,電晶體操作在主動工作區,R
E
=1 kΩ,RC B =8 kΩ,β=50,其輸入電阻約為何?(中頻 段工作)
(A) 102 kΩ (B) 50 kΩ (C) 58 kΩ (D) 8 kΩ
40 二極體接順向偏壓,且外加電壓大於內建電位(Build-in Potential)時,將: (A)形成大量的順向電流 (B)只有微量之漏電電流 (C)完全沒有電流流通 (D)崩潰
申論題 (0)
相關試卷
115年 - 115 初等考試_電子工程:電子學大意#136710
115年 · #136710
114年 - 114 初等考試_電子工程:電子學大意#124880
114年 · #124880
113年 - 113 初等考試_電子工程:電子學大意#118527
113年 · #118527
112年 - 112 地方政府特種考試_五等_電子工程:電子學大意#118362
112年 · #118362
112年 - 112 鐵路、國家安全情報特種考試_佐級、五等_電子工程、電子組:電子學大意#114944
112年 · #114944
112年 - 112 身心障礙特種考試_五等_電子工程:電子學大意#113943
112年 · #113943
112年 - 112 初等考試_電子工程:電子學大意#112891
112年 · #112891
111年 - 111 地方政府特種考試_五等_電子工程:電子學大意#112600
111年 · #112600
111年 - 111 鐵路特種考試_佐級_電子工程:電子學大意#108515
111年 · #108515
111年 - 111 初等考試_電子工程:電子學大意#105667
111年 · #105667