所屬科目:初等/五等/佐級◆電子學大意
3 下圖是一矽場效電晶體(Si FET)元件的剖面結構,各層使用不同材料,圖中僅標示某假想製程厚度, 此電晶體的臨界電壓(threshold voltage)的絕對值為|Vth| = 0.5 V。VD1 = 2 V,VD2 = -2 V,VD = 2 V, VE = -2 V。試研判此電晶體在目前的偏壓條件下通道電流(Channel current)的主要流動方向? (A)由右向左水平流動 (B)由左向右水平流動 (C)由上往下垂直流動 (D)由下往上垂直流動
10 如圖所示電路,U1 為理想運算放大器。假設二極體導通電壓 VD0 = 0.7 V。已知電阻 R1 = 1 kΩ、R2 = 2 kΩ、R3 = 1 kΩ、VCC = -5 V。當 vI = 3 V 時,下列敘述何者正確? (A)D1 導通、D2 不導通 (B)D1、D2 都導通 (C)D1、D2 都不導通 (D)D1 不導通、D2 導通
11 如圖所示電路,Ao = 105 ,求此電路之閉迴路電壓增益約為何? (A)1 (B)100 (C)1000 (D)100000
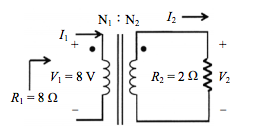
13 理想變壓器中負載電阻為 R2 = 2 Ω 如圖,測得輸入等效電阻 R1 = 8 Ω,則次級電壓(V2)、初級電流 /次級電流比(I1/I2)及線圈匝數比(N1:N2)等有關之敘述,何者正確? (A)V2 = 2 V1, I1/I2 = 2/1 (B)V2 = 16 V, N1:N2 = 1:2 (C)I1/I2 = 2/1, V2 = 4 V (D)N1:N2 = 2:1, I1/I2 = 1/2
14 橋式整流電路中,理想二極體之逆向峰值電壓(PIV)為電源峰值的多少倍? (A)3 (B)2 (C) (D)1
15 如下圖所示,若輸入電壓 Vi = 20 V 且稽納二極體的 VZ = 10 V,則輸出 Vo為: (A)20 V (B)13.3 V (C)10 V (D)8 V
16 下圖整流電路中,當變壓器一次側之輸入電壓 vi為振幅 110 V 的正弦波且 C 值很大時,則輸出電壓 Vo約為: (A)5.5 V (B)11 V (C)22 V (D)44 V
17 下圖為全波整流器。輸入信號為弦波,vs(t) = 5sin10t 伏特,各二極體 D1~D4 之導通電壓皆為 0.7 V, 導通電阻為 0 Ω。則輸出 vo(t)之最大值為何? (A)5 V (B)4.3 V (C)3.6 V (D)2.5 V
18 下圖為一整流器,若二極體之導通電壓為 0 V,導通電阻為 0 Ω,輸入信號為弦波 vi(t) = 5sin(10πt) V, 若輸出 vo漣波電壓<0.1 V,R = 100 kΩ,則電容 C 之最小值為何? (A)1 μF (B)10 μF (C)100 μF (D)1000 μF
19 下圖電路中二極體 D1 之導通電壓為 0.7 V,導通電阻為 0 Ω。電容 C 兩端之初始跨壓為 0 V,則其穩 態跨壓 vC為何? (A)6 V (B)3.3 V (C)2.7 V (D)1.3 V
20 下圖中二極體 D1 與 D2 之導通電壓為 0.7 V,導通電阻為 0 Ω,輸入信號為弦波 vi(t) = 5sin10t 伏特, R1,R2,R3 皆為 10 Ω,則電阻 R1 之最大電流值為何? (A)530 mA (B)330 mA (C)165 mA (D)115 mA
21 關於圖(a)與(b)電路之敘述,若二極體為理想,Vp1 與 Vp2 為 Vo1 與 Vo2 之峰值電壓,下列何者正 確? (A)Vp1 = 5 V,Vp2 = -5 V (B)Vp1 = 5 V,Vp2 = 5 V (C)Vp1 = -5 V,Vp2 = 5 V (D)Vp1 = -5 V,Vp2 = -5 V
23 圖中電晶體 M1 與 M2 之寬長比為(W/L)1:(W/L)2 = 4:1,臨界電壓(VT)皆為 0.8 V,若 Vol = 1 V, 則 Vo2 =? (A)0.8 V (B)0.9 V (C)1 V (D)1.2 V
24 圖中為雙載子電晶體放大器之等效模型,輸入為 vs,輸出為 vo。關於本放大器的敘述下列何者正確? (A)為共基級放大器 (B)RL越大則輸入阻抗越小 (C)RL越大則增益越大 (D) |vo/vs|>1
25 具有臨界電壓 Vth = 1.5 V 且 μnCox(W/L) = 1 mA/V2的增強型 MOSFET 放大器中,電晶體的輸出直流 電壓為 VDSQ = 5 V,直流電源 VGG約為多少? (A)2.5 V (B)3.5 V (C)5 V (D)5.5 V
26 臨界電壓 Vth = 1.5 V 的增強型 MOSFET 所構成如圖之放大器中,流經 R2 = 50 kΩ 及 1.5 kΩ 的直流偏 壓電流分別為 0.15 mA 及 4 mA,該放大器的小信號電壓增益為何? (A)-100 (B)-50 (C)-20 (D)-6
28 如圖為 MOS 電晶體操作於飽和模式(Saturation mode)之 π 型小訊號等效電路,其中參數轉導 gm與 汲極電流 ID的關係約為:(A)gm正比於 1/ID (B)gm正比於1/(C)gm正比於 (D)gm正比於 ID
30 如圖示電路,VCC = +10 V,RB1 = 200 kΩ,RB2 = 200 kΩ,RC = 5 kΩ,RE = 1 kΩ,電晶體電流放大 率 β = 100,則此電晶體工作在: (A)截止區 (B)主動區(active region) (C)飽和區(saturation region) (D)逆向主動區(reverse active region)
31 如圖所示為一波形產生電路,該電路在正常運作中並於某一瞬時間得知該電容器 C 處於放電狀態, 則在此瞬時間,下列那一敘述為正確?其中施加於理想 OPA 之電壓為 ± 12 V。 (A)vO = 12 V (B)Vf = -4 V (C)vC = 6 V (D)iR = 1.2 mA
32 三角波產生電路中各個元件的電性數值如圖中所示,並且測得其輸出頻率為 f,則下列那一種組合的 改變可使其輸出頻率為原來的 4 倍=4f?兩 OPA 可視為理想。 (A)R1增為 2 倍、R2增為 2 倍 (B)R 減半、R1減半 (C)C 減半、R2減半 (D)C 減為四分之一、R 增為 2 倍
33 由 β1 = 80 及 β2 = 100 的電晶體 Q1 及 Q2 所構成 RC 串級放大電路如圖,第 1、第 2 單級放大電路的 基極直流偏壓電流 IB1 與 IB2均為 25 μA,且測得 Ri2 = 4 kΩ,決定該串級放大電路的總電壓增益大小 約為多少?熱電壓 VT = 25 mV。 (A)64 (B)80 (C)124 (D)160
34 如圖為一雙極性電晶體電路。雙極性電晶體的 β = 100,VBEactive = 0.7 V,忽略爾利效應。VT = 25 mV, 求低頻 3 dB 頻率(選最接近之值)? (A)15.9 Hz (B)100 Hz (C)3.18 kHz (D)20 kHz
35 如圖雙穩態電路,其 R1 = 10 kΩ 且 R2 = 20 kΩ,若在 t =0 時輸出電壓 vo 飽和在-10 V;當在 t>0 時, 輸出電壓 vo突然由-10 V 轉態並飽和在+10 V;試問在 t > 0 時,引起輸出電壓 vo突然轉態的輸入電 壓 vI狀態為何? (A)vI < -5 V (B)vI > +5 V (C)vI > -5 V (D)vI < +5 V
36 有一放大器電路的轉移函數(Transfer function)F(s)=VO(s)/VI(s)如下所示,其中 s=jω=j2πf: ,今製作相角∠F(s)的波德曲線圖(Bode plot),欲估計在頻率 f = 3 kHz 時的相 角,下列何者正確? (A)大於 60° (B)落於 30°至 60°之間 (C)落於-30°至 30°之間 (D)小於-30°
37 如圖所示之電路,假設電晶體操作在順向主動區,IC = 0.838 mA,VT = 26 mV,β = 100,Cπ = 24 pF, Cμ = 3 pF,忽略爾利(Early)與所有其他電容效應,求相關於輸出端之 3 dB 頻率為何? (A)28.4 MHz (B)38.4 MHz (C)48.4 MHz (D)58.4 MHz
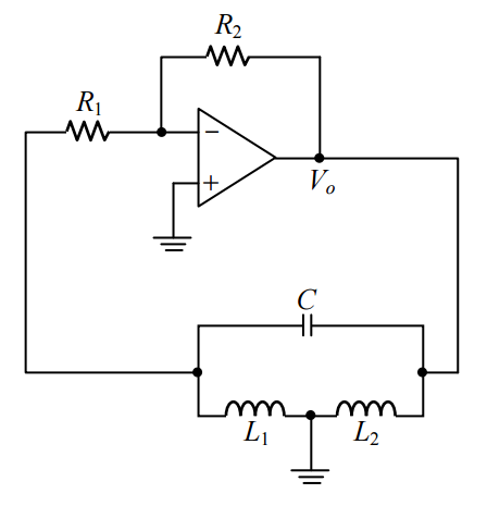
38 如圖之電路,L1 = L2 = 1 mH,C = 30 pF,若不考慮 R1對回授網路之負載效應,振盪發生時其振盪頻 率為何? (A)0.65 MHz (B)0.85 MHz (C)1.05 MHz (D)1.25 MHz